Ciao. Sto cercando di risolvere questo circuito:
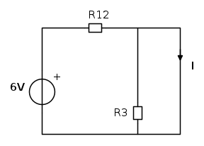
quello sulla destra dovrebbe essere un generatore di tensione. I vari resistori sono tutti da un ohm. Devo calcolare la corrente sulla destra. Io faccio così: due resistori in parallelo e uno in serie, quindi faccio 1/2(il parallelo)+1=3/2. I=2/3*6=4! Il libro dice che il risultato è 12A! Come è possibile?
Risoluzione di un piccolo circuito
Moderatori:
g.schgor,
IsidoroKZ
9 messaggi
• Pagina 1 di 1
0
voti
Per postare un circuito in fidocadj, devi copiarlo tra i due tag fcd.
Contrariamente viene evidenziato solo il sorgente.
Di seguito il tuo disegno:
P.S. Qualcuno e' arrivato prima di me e lo ha reso visibile.
Contrariamente viene evidenziato solo il sorgente.
Di seguito il tuo disegno:
P.S. Qualcuno e' arrivato prima di me e lo ha reso visibile.
marco
2
voti
Allora, non hai detto quale è il verso del generatore di tensione.
Lo ipotizzo io:
Metti in parallelo
e
ottenendo una resistenza
di
.
Il circuito si riduce a:
Noti che la resistenza
è in parallelo ad un cortocircuito.
Il cortocircuito può essere considerato come una resistenza di valore nullo.
Ergo: se tu fai il parallelo di due resistenze, di cui una di valore nullo, ottieni una resistenza di valore nullo, quindi un cortocircuito.
In sostanza, al di là di questo ragionamento forse inutilmente lungo, quando hai una situazione del genere con una resistenza in parallelo ad un cortocircuito puoi eliminarla:
Ottieni:
dove la corrente
che tu cerchi la trovi in questo modo:
che è il risultato del libro.
Lo ipotizzo io:
Metti in parallelo
e
ottenendo una resistenza
di
.Il circuito si riduce a:
Noti che la resistenza
è in parallelo ad un cortocircuito.Il cortocircuito può essere considerato come una resistenza di valore nullo.
Ergo: se tu fai il parallelo di due resistenze, di cui una di valore nullo, ottieni una resistenza di valore nullo, quindi un cortocircuito.
In sostanza, al di là di questo ragionamento forse inutilmente lungo, quando hai una situazione del genere con una resistenza in parallelo ad un cortocircuito puoi eliminarla:
Ottieni:
dove la corrente
che tu cerchi la trovi in questo modo:
che è il risultato del libro.0
voti
grazie mille asdf! Non sapevo che potevo eliminare una resistenza! Quindi quando una resistenza è in parallelo ad un cortocircuito, la posso eliminare dal circuito? E quando è in serie ad un circuito aperto, la posso eliminare vero?
-

Superandri91
-68 3 - Messaggi: 46
- Iscritto il: 16 lug 2011, 16:59
0
voti
Una resistenza in serie ad un circuito aperto è una resistenza attraverso la quale non passa corrente.
Da wikipedia:
Il circuito aperto è un componente ideale, in quanto non corrisponde a nessun elemento reale. Esso può essere pensato come equivalente di vari elementi:
1. un resistore con valore nullo di conduttanza
2. un generatore ideale di corrente di valore nullo
Da wikipedia:
Il circuito aperto è un componente ideale, in quanto non corrisponde a nessun elemento reale. Esso può essere pensato come equivalente di vari elementi:
1. un resistore con valore nullo di conduttanza
2. un generatore ideale di corrente di valore nullo
0
voti
quando avevo a che fare con questi problemi la vedevo sempre così:
considerando che un cortocircuito può essere considerato idealmente come una resistenza di valore nullo, se lo metto in parallelo con una resistenza di valore R ottengo:

inoltre basta pensare che la corrente segue sempre il percorso con resistenza minore, che nel nostro caso è il cortocircuito.
Per la serie di una resistenza con un circuito aperto, ho sempre pensato il circuito aperto come una resistenza di valore infinito, quindi:

e anche qui basta pensare che in un circuito aperto non passa corrente.
Non so se quello che ho scritto è analiticamente/eticamente corretto
, ma era il mio balordo modo di vedere le cose.
visto l'orario, buon appetito

considerando che un cortocircuito può essere considerato idealmente come una resistenza di valore nullo, se lo metto in parallelo con una resistenza di valore R ottengo:

inoltre basta pensare che la corrente segue sempre il percorso con resistenza minore, che nel nostro caso è il cortocircuito.
Per la serie di una resistenza con un circuito aperto, ho sempre pensato il circuito aperto come una resistenza di valore infinito, quindi:

e anche qui basta pensare che in un circuito aperto non passa corrente.
Non so se quello che ho scritto è analiticamente/eticamente corretto
visto l'orario, buon appetito

0
voti
ok! Non passa corrente, quindi posso eliminare la resistenza come hai fatto per la resistenza in parallelo ad un cortocircuito?
-

Superandri91
-68 3 - Messaggi: 46
- Iscritto il: 16 lug 2011, 16:59
0
voti
Credo di si, ma non vorrei dire delle inesattezze.
Non circolandovi corrente credo possa essere omessa.
Ti ripeto però: non vorrei dire inesattezze.
Ad ogni modo se hai esercizi con situazioni come questi postali pure qui e ne discutiamo, in modo da fugare eventuali dubbi.
Non circolandovi corrente credo possa essere omessa.
Ti ripeto però: non vorrei dire inesattezze.
Ad ogni modo se hai esercizi con situazioni come questi postali pure qui e ne discutiamo, in modo da fugare eventuali dubbi.
9 messaggi
• Pagina 1 di 1
Torna a Elettrotecnica generale
Chi c’è in linea
Visitano il forum: Nessuno e 30 ospiti

Elettrotecnica e non solo (admin)
Un gatto tra gli elettroni (IsidoroKZ)
Esperienza e simulazioni (g.schgor)
Moleskine di un idraulico (RenzoDF)
Il Blog di ElectroYou (webmaster)
Idee microcontrollate (TardoFreak)
PICcoli grandi PICMicro (Paolino)
Il blog elettrico di carloc (carloc)
DirtEYblooog (dirtydeeds)
Di tutto... un po' (jordan20)
AK47 (lillo)
Esperienze elettroniche (marco438)
Telecomunicazioni musicali (clavicordo)
Automazione ed Elettronica (gustavo)
Direttive per la sicurezza (ErnestoCappelletti)
EYnfo dall'Alaska (mir)
Apriamo il quadro! (attilio)
H7-25 (asdf)
Passione Elettrica (massimob)
Elettroni a spasso (guidob)
Bloguerra (guerra)









