Cos'è ElectroYou | Login Iscriviti

ElectroYou - la comunità dei professionisti del mondo elettrico

potenziale nodi con generatori pilotati

Elettronica lineare e digitale: didattica ed applicazioni

Moderatori: Foto Utentecarloc, Foto Utenteg.schgor, Foto UtenteBrunoValente, Foto UtenteIsidoroKZ

0
voti

[1] potenziale nodi con generatori pilotati

Messaggioda Foto UtenteTommyR22 » 27 set 2011, 1:53

salve a tutti, ho trovato un esercizio che mi ha messo in difficoltà.
L'esercizio mi chiede di trovarmi l'andamento della corrente dell'induttore.
Ho trovato le condizioni iniziali studiando il circuito per t<0 ed ho che Vc=0 v e il=1 a :-)
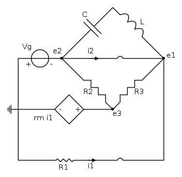
e fin qui la soluzione combacia.Per t>0 il circuito diventa come in figura.
Adesso devo sempre calcolarmi il e vc.Andando a contare i nodi e i lati noto che mi conviene usare il potenziale dei nodi avendo così 3 incognite.Adesso però ho delle difficoltà a scrivere la matrice finale..infatti provando a scriverla ho che il primo nodo (e1) ha [1/R1+1/R3, 0 , 1/R3] questa dovrebbe essere la riga della matrice delle ammettenze.Ora il mio dubbio è, i condensatori , gli induttori e i trasformatori vengono scritti(se si come?)?

un altro dubbio è la matrice delle correnti.So che nel potenziale dei nodi devo avere gli elementi controllati in tensione, ma qui ho generatori di tensione controllati in corrente.Ho letto che ad esempio se un ramo ha un generatore di tensione,questo lo 'trasformo' in corrente conoscendo la sua d.d.p. , mentre quando ho un ramo con un gen di tensione in serie con una resistenza applico thevenin-norton, ma quando ho un generatore pilotato?(ditemi se sbaglio qualcosa nel ragionamento) :)

finora ho applicato il potenziale ai nodi solo a reti resistive dove non avevo né generatori pilotati né trasformatori e induttori e condensatori.

Avevo anche pensato di risolverla tramite Norton calcolandomi la Ino tra e1 e e2 ('eliminando' così condensatore e induttore) ma sempre poi usando il metodo dei nodi avrei avuto i gen pilotati che non riesco a scrivere nella matrice in modo adeguato :(
grazie dell'aiuto! :D
Allegati
Immagine.jpg
circuito t>0
Immagine.jpg (45.53 KiB) Osservato 5279 volte
Avatar utente
Foto UtenteTommyR22
0 2
 
Messaggi: 13
Iscritto il: 21 set 2011, 18:14

0
voti

[2] Re: potenziale nodi con generatori pilotati

Messaggioda Foto Utenteasdf » 27 set 2011, 6:02

Ciao Foto UtenteTommyR22, lo schema che hai postato non è comprenibile. Per postare gli schemi devi utilizzare FidocadJ.
Puoi scaricare da qui la versione 0.23.6:
http://davbucci.chez-alice.fr/index.php?argument=elettronica/fidocadj/fidocadj.inc&language=Italiano#download

Dopo aver realizzato il circuito, copi il testo del circuito qui dove scrivi il messaggio, poi selezioni e clicchi su fcd.

Per imparare ad usare questo programma ti consiglio di leggere:

http://www.electroyou.it/darwinne/wiki/fidocadj.
Avatar utente
Foto Utenteasdf
25,3k 8 11 13
Master EY
Master EY
 
Messaggi: 4762
Iscritto il: 11 apr 2010, 9:19

1
voti

[3] Re: potenziale nodi con generatori pilotati

Messaggioda Foto UtenteRenzoDF » 27 set 2011, 8:47

Continuo a sostenere che questi "capolavori" grafici potrebbero essere raccolti in una particolare sezione di ElectroYou per costruire nel tempo una interessante Elektron-Art-Gallery ... e non sto scherzando :!:

... tornando al problema e' comunque ovvio che, senza una chiara esposizione schematica :arrow: ed una conoscenza completa del testo, non e' ipotizzabile nessun consiglio risolutivo.
"Il circuito ha sempre ragione" (Luigi Malesani)
Avatar utente
Foto UtenteRenzoDF
55,9k 8 12 13
G.Master EY
G.Master EY
 
Messaggi: 13189
Iscritto il: 4 ott 2008, 9:55

0
voti

[4] Re: potenziale nodi con generatori pilotati

Messaggioda Foto UtenteTommyR22 » 27 set 2011, 12:05

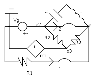
scusatemi ma è il circuito disegnato dal mio prof..
in ogni caso l'ho disegnato come avete detto voi:
Avatar utente
Foto UtenteTommyR22
0 2
 
Messaggi: 13
Iscritto il: 21 set 2011, 18:14

0
voti

[5] Re: potenziale nodi con generatori pilotati

Messaggioda Foto UtenteRenzoDF » 27 set 2011, 15:01

TommyR22 ha scritto: ... in ogni caso l'ho disegnato come avete detto voi:

Ma leggi quello che scriviamo?
"Il circuito ha sempre ragione" (Luigi Malesani)
Avatar utente
Foto UtenteRenzoDF
55,9k 8 12 13
G.Master EY
G.Master EY
 
Messaggi: 13189
Iscritto il: 4 ott 2008, 9:55

0
voti

[6] Re: potenziale nodi con generatori pilotati

Messaggioda Foto Utenteasdf » 27 set 2011, 15:41

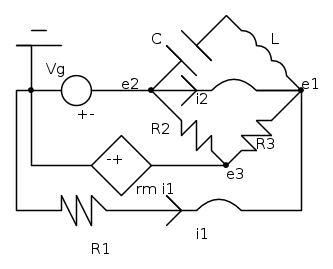
Foto UtenteTommyR22, ho risistemato il disegno (a meno che non abbia fatto errori di interpretazione del disegno da te postato nel post [1]):



Ora però tocca a te fare quanto suggerito da Foto UtenteRenzoDF: scrivi la traccia del tuo esercizio, esplicita ciò che devi calcolare e posta un tuo personale svolgimento o quantomeno posta i tuoi calcoli fin dove sei arrivato.
Per le espressioni matematiche usa Latex.
Questo è un editor esterno:
http://www.codecogs.com/latex/eqneditor.php.
Scrivi lì le tue espressioni e poi fai copia ed incolla qui quando scrivi il messaggio; poi riselezioni e clicchi sul pulsante tex nella barra sovrastante.
Avatar utente
Foto Utenteasdf
25,3k 8 11 13
Master EY
Master EY
 
Messaggi: 4762
Iscritto il: 11 apr 2010, 9:19

0
voti

[7] Re: potenziale nodi con generatori pilotati

Messaggioda Foto UtenteTommyR22 » 27 set 2011, 15:53

R1=1 ; R2=2 ; R3=4 ; rm=1 ; C=2; L=2/3 ; Vg=1 ; n1/n2=1.
Devo calcolare andamento di il per t>0.
comunque ho provato a svolgere altri compiti utilizzando le trasformate di laplace dove avevo sia generatori di tensione che di corrente.Avendomi trovato le condizioni iniziali Vc e il non nulle, ho 'aggiunto' un generatore di tensione in serie con l'induttore o condensatore che avevo ed ho sostituito tramite Norton ho sostituito i generatori di corrente(in parallelo con una resistenza) con dei generatori di tensione( in serie con una resistenza), così da poter applicare il metodo delle correnti di maglia.(ovviamente ho capito che sia condensatore che induttore devono essere trasformati nel dominio di laplace e quindi sono rispettivamente 1/sC e sL e questi vengono aggiungi alla matrice delle impedenze).Però ho sempre dei dubbi quando mi trovo generatori pilotati(in tensione e in corrente) e trasformatori ideali.Vorrei sapere come applico questi metodi in presenza di questi elementi.Grazie! :-)
grazie asdf :)
Avatar utente
Foto UtenteTommyR22
0 2
 
Messaggi: 13
Iscritto il: 21 set 2011, 18:14


Torna a Elettronica generale

Chi c’è in linea

Visitano il forum: Nessuno e 97 ospiti