Salve a tutti.
Atterro con una domanda stupida per molti di voi ma devo togliermi il dubbio:
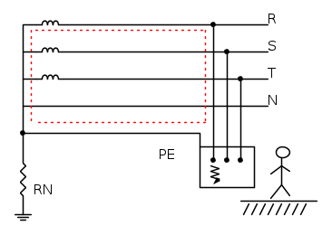
considerando un sistema TN-S come questo:
La corrente di guasto circola nell'anello tratteggiato in rosso.
questo accade perché l'impedenza di anello è decisamente minore della Rn?
sistema TN-S
Moderatori:
sebago,
MASSIMO-G,
lillo,
Mike
12 messaggi
• Pagina 1 di 2 • 1, 2
0
voti
[3] Re: sistema TN-S
Nella posizione in cui l'ho messo il povero omino non tocca la massa.
Rn entra in campo se l'omino ha un contatto con la massa in tensione?
Rn entra in campo se l'omino ha un contatto con la massa in tensione?
0
voti
[4] Re: sistema TN-S
lillo ha scritto:Nella posizione in cui l'ho messo il povero omino non tocca la massa.
Rn entra in campo se l'omino ha un contatto con la massa in tensione?
Si, altrimenti non c'e' nessun anello che includa RN (se non quelli ad alta impedenza dovuti alle capacita' trasversali ).
"Il circuito ha sempre ragione" (Luigi Malesani)
0
voti
[5] Re: sistema TN-S
Non mi torna il disegno del circuito di guasto che prendi in considerazione!
Hai una fase a massa, la corrente di guasto è limitata esclusivamente dall' impedenza dei conduttori (più il punto di guasto è lontano dall' origine, maggiore sarà l' impedenza) e del sistema di alimentazione.
La stessa corrente, circola sul PE andanosi poi a richiudere sul centro stella del trasformatore come un normale corto fase/neutro.
La bassa impedenza del collegamento metallico (poiché le masse risultano collegate al neutro) consente di avere correnti di guasto normalmente elevate (kA), tant' è che nel TN la protezione dai contatti indiretti può essere fatta anche con interruttori magnetotermici (salvo varie ed eventuali applicazioni specifiche)
Saluti
Hai una fase a massa, la corrente di guasto è limitata esclusivamente dall' impedenza dei conduttori (più il punto di guasto è lontano dall' origine, maggiore sarà l' impedenza) e del sistema di alimentazione.
La stessa corrente, circola sul PE andanosi poi a richiudere sul centro stella del trasformatore come un normale corto fase/neutro.
La bassa impedenza del collegamento metallico (poiché le masse risultano collegate al neutro) consente di avere correnti di guasto normalmente elevate (kA), tant' è che nel TN la protezione dai contatti indiretti può essere fatta anche con interruttori magnetotermici (salvo varie ed eventuali applicazioni specifiche)
Saluti
Ognuno sta solo sul cuor della terra
trafitto da un raggio di sole:
ed è subito sera
Salvatore Quasimodo
trafitto da un raggio di sole:
ed è subito sera
Salvatore Quasimodo
0
voti
[6] Re: sistema TN-S
con una fase a massa scatta l'interruttore magnetotermico (o il fusibile )perche essendo l'impedenza terra neutro bassissima (quella dei conduttori, praticamente trascurabile su impianti di modeste dimensioni) è come se facessi un corto circuito. Rn serve per la protezione differenziale: cioè per quei guasti che non sono a cosi bassa impedenza da far scattare il magnetotermico ma comunque pericolosi
Ultima modifica di
isd88 il 27 ott 2011, 18:34, modificato 1 volta in totale.
0
voti
[7] Re: sistema TN-S
Attilio ha scritto:Non mi torna il disegno del circuito di guasto che prendi in considerazione!
... e quale dovrebbe essere l'anello di guasto ?
Attilio ha scritto:...poiché le masse risultano collegate al neutro...
... perche' dovrebbero ?
"Il circuito ha sempre ragione" (Luigi Malesani)
0
voti
[8] Re: sistema TN-S
Il circuito è preso pari passo da "Fondamenti di sicurezza elettrica" di Vito Carrescia.
nel TN-S neutro e PE non dovrebbero essere distinti?
questo ora mi è abbastanza chiaro
Il dubbio mi è sorto in quanto il Carrescia mi mostra una figura in cui la corrente circola solo nell'anello di guasto nonostante lo sfigato omino tocchi le masse in tensione.
Attilio ha scritto:..(poiché le masse risultano collegate al neutro)...
nel TN-S neutro e PE non dovrebbero essere distinti?
Attilio ha scritto:...tant' è che nel TN la protezione dai contatti indiretti può essere fatta anche con interruttori magnetotermici (salvo varie ed eventuali applicazioni specifiche)...
questo ora mi è abbastanza chiaro
Il dubbio mi è sorto in quanto il Carrescia mi mostra una figura in cui la corrente circola solo nell'anello di guasto nonostante lo sfigato omino tocchi le masse in tensione.
0
voti
[10] Re: sistema TN-S
lillo ha scritto:Il dubbio mi è sorto in quanto il Carrescia mi mostra una figura in cui la corrente circola solo nell'anello di guasto nonostante lo sfigato omino tocchi le masse in tensione.
Se l'omino tocca la massa, la corrente non circola solo nell'anello di guasto, ma anche attraverso l'omino, ... sempre che non stia volando
"Il circuito ha sempre ragione" (Luigi Malesani)
12 messaggi
• Pagina 1 di 2 • 1, 2
Torna a Impianti, sicurezza e quadristica
Chi c’è in linea
Visitano il forum: Nessuno e 68 ospiti

Elettrotecnica e non solo (admin)
Un gatto tra gli elettroni (IsidoroKZ)
Esperienza e simulazioni (g.schgor)
Moleskine di un idraulico (RenzoDF)
Il Blog di ElectroYou (webmaster)
Idee microcontrollate (TardoFreak)
PICcoli grandi PICMicro (Paolino)
Il blog elettrico di carloc (carloc)
DirtEYblooog (dirtydeeds)
Di tutto... un po' (jordan20)
AK47 (lillo)
Esperienze elettroniche (marco438)
Telecomunicazioni musicali (clavicordo)
Automazione ed Elettronica (gustavo)
Direttive per la sicurezza (ErnestoCappelletti)
EYnfo dall'Alaska (mir)
Apriamo il quadro! (attilio)
H7-25 (asdf)
Passione Elettrica (massimob)
Elettroni a spasso (guidob)
Bloguerra (guerra)





