Sono i primi post quindi vi chiedo scusa se sbaglio ad usare fidocadj o altri errori.
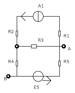
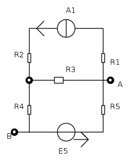
Ho il seguente circuito e devo calcolare la rsistenza di Thevenin tra i morsetti A e B e la tensione E equivalente di Thevenin sempre tra A e B ; la resistenza me la cavo mentre la tensione molto meno.
Il mio professore ci dice che dobbiamo prima spegnere il generatore di correnti e calcolare V0 ' poi spegnamo il generatore di corrente e calcoliamo V0 '' e poi sommiamo col principio di sovrapposizione. Allora io intanto ho fatto così :
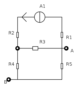
Spengo il generatore di corrente :
Considerando che (R3+R4) // R5 e con la formula del partitore di tensione trovo che V0' =

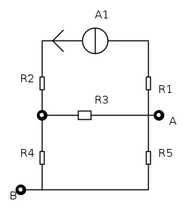
Poi spengo il generatore di tensione e ottengo :
Ma qui sono bloccatissimo , non so cosa devo fare ...potreste darmi una mano ? Esiste il partirore di corrente ? Come devo fare ?
Grazie mille.
Ps non so se il metodo della sovrapposizione sia il più funzionale ma il mio professore vuole che lo faccia così.

Elettrotecnica e non solo (admin)
Un gatto tra gli elettroni (IsidoroKZ)
Esperienza e simulazioni (g.schgor)
Moleskine di un idraulico (RenzoDF)
Il Blog di ElectroYou (webmaster)
Idee microcontrollate (TardoFreak)
PICcoli grandi PICMicro (Paolino)
Il blog elettrico di carloc (carloc)
DirtEYblooog (dirtydeeds)
Di tutto... un po' (jordan20)
AK47 (lillo)
Esperienze elettroniche (marco438)
Telecomunicazioni musicali (clavicordo)
Automazione ed Elettronica (gustavo)
Direttive per la sicurezza (ErnestoCappelletti)
EYnfo dall'Alaska (mir)
Apriamo il quadro! (attilio)
H7-25 (asdf)
Passione Elettrica (massimob)
Elettroni a spasso (guidob)
Bloguerra (guerra)



, cioè
, dipenda solo dalla caduta di tensione su R5? Cosa ti ha fatto il generatore di tensione?
.
.
. 






sono in serie e danno la resistenza
. Una volta qua abbiamo due resistenze e , non so perché , applichiamo quest formula che lui ha chiamato partitore di tensione :
. In pratica a numeratore la resistenza tra i capi A - B e al denominatore la serie. E' giusto questo primo passaggio ?