Salve.
Ho questa necessità: ho un serbatoio d'acqua da riscaldare e un contatto pulito NA da chiudere per accendere la caldaia.
Avrei bisogno di chiudere questo contatto quando la temperatura scende sotto ai 50 gradi e riaprirlo quando sale sopra i 70.
Ho due termostati classici del tipo NA/NC, ma credo mi serva un relè.
Infatti, mentre la massima è semplice da collegare (quando la supera stacca il contatto), ho dei problemi con la minima nel senso che quando scende sotto i 50 lui attacca ma appena li supera lui stacca, mentre dovrebbe continuare a stare chiuso fino ai 70.
Vi ringrazio in anticipo
relè per termostato minima massima
Moderatori:
sebago,
MASSIMO-G,
lillo,
Mike
7 messaggi
• Pagina 1 di 1
0
voti
0
voti
in effetti non ce la fai con due termostati, hai bisogno di un circuito con isteresi,
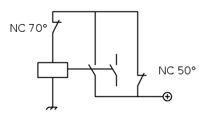
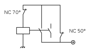
potresti provare appunto come dicevi ad usare un relè, con il termostato NC da 70° in serie alla bobina, ed il NC a50° che ti eccita il relè, questo deve avere però un contatto di ritenuta, così penso che dovrebbe andare.
con il contatto libero controlli la caldaia.
potresti provare appunto come dicevi ad usare un relè, con il termostato NC da 70° in serie alla bobina, ed il NC a50° che ti eccita il relè, questo deve avere però un contatto di ritenuta, così penso che dovrebbe andare.
con il contatto libero controlli la caldaia.
-

lelerelele
4.899 3 7 9 - Master

- Messaggi: 5505
- Iscritto il: 8 giu 2011, 8:57
- Località: Reggio Emilia
0
voti
grazie dello schema ma non ci capisco molto.
Che relè dovrei comprare?
mi potresti spiegare anche come funzionerebbe? avrei bisogno di qualche tensione?
alla caldaia nn deve arrivare tensione.
grazie 1000
Che relè dovrei comprare?
mi potresti spiegare anche come funzionerebbe? avrei bisogno di qualche tensione?
alla caldaia nn deve arrivare tensione.
grazie 1000
0
voti
forse ho capito.
ora comunque devo andare
chiedo scusa per il nn (non)
ora comunque devo andare
chiedo scusa per il nn (non)
0
voti
Hai visto come funziona il tuo scaldabagno elettrico? Puoi usare un termostato simile, lo regoli per 70°C (come desideri) quando la temperatura scende, si riavvia il sistema; nel tuo caso la caldaia. Se dovesse riattaccare a 55 °C cosa gli fa.Avrei bisogno di chiudere questo contatto quando la temperatura scende sotto ai 50 gradi e riaprirlo quando sale sopra i 70.
-

StefanoSunda
2.880 3 6 10 - Master

- Messaggi: 1962
- Iscritto il: 16 set 2010, 19:29
0
voti
capredd ha scritto:chiedo scusa per il nn_(NO sms! -> non) (non)
Si tratta del sistema automatico di correzione degli errori,
E' volto a scoraggiare l'uso del linguaggio degli sms.
0
voti
ho combinato grazie allo schema di sopra.
Vi ringrazio.
Usato un relè da 12v con trasformatore, che avevo comprato per altro scopo ma mai usato
Saluti
Grazie ancora
Vi ringrazio.
Usato un relè da 12v con trasformatore, che avevo comprato per altro scopo ma mai usato
Saluti
Grazie ancora
7 messaggi
• Pagina 1 di 1
Torna a Impianti, sicurezza e quadristica
Chi c’è in linea
Visitano il forum: Nessuno e 53 ospiti

Elettrotecnica e non solo (admin)
Un gatto tra gli elettroni (IsidoroKZ)
Esperienza e simulazioni (g.schgor)
Moleskine di un idraulico (RenzoDF)
Il Blog di ElectroYou (webmaster)
Idee microcontrollate (TardoFreak)
PICcoli grandi PICMicro (Paolino)
Il blog elettrico di carloc (carloc)
DirtEYblooog (dirtydeeds)
Di tutto... un po' (jordan20)
AK47 (lillo)
Esperienze elettroniche (marco438)
Telecomunicazioni musicali (clavicordo)
Automazione ed Elettronica (gustavo)
Direttive per la sicurezza (ErnestoCappelletti)
EYnfo dall'Alaska (mir)
Apriamo il quadro! (attilio)
H7-25 (asdf)
Passione Elettrica (massimob)
Elettroni a spasso (guidob)
Bloguerra (guerra)



