Cos'è ElectroYou | Login Iscriviti

ElectroYou - la comunità dei professionisti del mondo elettrico

Dimensionamento trasformatore switching

Elettronica lineare e digitale: didattica ed applicazioni

Moderatori: Foto Utentecarloc, Foto Utenteg.schgor, Foto UtenteBrunoValente, Foto UtenteIsidoroKZ

1
voti

[1] Dimensionamento trasformatore switching

Messaggioda Foto Utentedavidde » 15 dic 2011, 12:03

Ciao a tutti,

dovrei costruire un trasformatore switching su nucleo toroidale con potenza resa al secondario di 200W. Pensavo di realizzare l'avvolgimento primario a presa centrale mentre in uscita mi servirebbe un solo secondario.
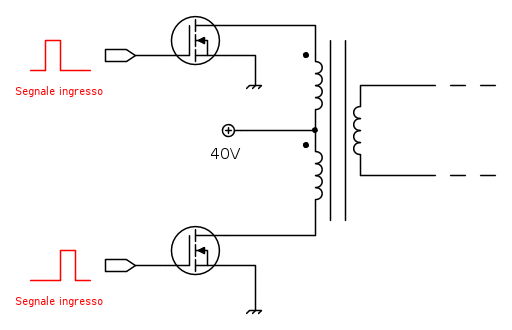
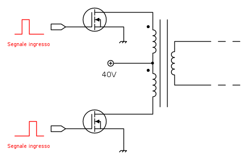
A livello di pilotaggio utilizzerei una configurazione a mezzo ponte gestita dall'integrato SG3525 implementando il controllo di corrente per evitare sbilanciamenti del flusso con conseguente saturazione del nucleo, tempi morti sullo switching dei mosfet per evitare corto circuiti, e soft start per evitare problemi in fase di avviamento del trasformatore. Come frequenza di funzionamento pensavo di stare sui 30KHz o comunque in un range compreso tra i 20 e i 50KHz, non volevo salire oltre perché ho il dubbio di non riuscire a gestire i picchi in fase di commutazione. La tensione di alimentazione per questioni di sicurezza non volevo portarla oltre i 40VDC.

Tralasciando tutti gli aspetti legati ai vari controlli, che credo di riuscire a mettere a punto da solo, questo è lo schema della parte di circuito che mi interessa:



Fatte le premesse il mio problema è "semplicemente" quello di non riuscire a determinare il numero di spire del trasformatore al primario. Sto seguendo alcuni esempi di calcolo ma vengono applicati a varie configurazioni diverse dalla mia e non riesco a venirne a capo.

Il nucleo:
Visto che non ho problemi di spazio o di costi ho scelto un nucleo piuttosto grande, precisamente il B64290A84X830 della Epcos. Il materiale con il quale è costruito è l'N30 che è adatto al range di frequenza preso in considerazione. Qui, sotto la voce R100, si trovano le dimensioni e le caratteristiche legate alla sua geometria.

Considerazioni sulla densità di flusso:
Scelto spannometricamente il nucleo (che verrà rivisto in seguito in base all'esito dei calcoli), sul datasheet del materiale si vede che la densità di flusso prossima alla saturazione è:

B_{sat}(25^{\circ}C)=380mT=3800G

volendo lavorare con un margine di sicurezza del 25%, che mi sembra sufficiente, visto che il trasformatore si troverà a lavorare per pochi minuti all'ora e quindi il surriscaldamento sarà improbabile, la densità di flusso massima tollerata diventa circa:

B_{max}=2800G

Spire al primario:
a questo punto mi perdo, l'esempio che sto seguendo mi inserisce una formula ricavata dalla legge di Faraday che recita:

E=4*B*Ac*N*f*10^{-8}

dove:

E = tensione efficace applicata = 40V
B_{max} = densità di flusso massima ammessa = 2800G
Ac= area del nucleo = 2,67cm^{2}
N= numero spire primario = icognita
f= frequenza di commutazione = 30*10^{3}Hz

ricavando N ottengo:

N=\frac{E*10^{8}}{4*B*Ac*f} =\frac{40*10^{8}}{4*2800*2,67*30*10^{3}}\approx4,5\, spire

Ovviamente questo sarebbe il calcolo che considera il numero delle spire di ogni semiavvolgimento, ho però dei dubbi in merito al fatto che tale formula vada bene per la mia configurazione, in particolare non capisco il significato di quel 4 che se non sbaglio è un fattore relativo alla tipologia di configurazione utilizzata.

Senza tirarla ulteriormente per le lunghe, qualcuno sa dirmi se (ammesso che il nucleo non saturi) il calcolo così fatto può avere un riscontro pratico non disastroso? :-)
Avatar utente
Foto Utentedavidde
13,3k 4 9 12
G.Master EY
G.Master EY
 
Messaggi: 4026
Iscritto il: 2 ago 2007, 11:40
Località: Bologna

0
voti

[2] Re: Dimensionamento trasformatore switching

Messaggioda Foto Utenteelektrojack » 26 mar 2013, 1:11

Ciao davidde,
Anche se il post è vecchio mi interessa sapere come hai proseguito nel calcolo del trasfo.
Hai finito il progetto?
Avatar utente
Foto Utenteelektrojack
16 6
Frequentatore
Frequentatore
 
Messaggi: 198
Iscritto il: 11 mar 2011, 11:34


Torna a Elettronica generale

Chi c’è in linea

Visitano il forum: Nessuno e 66 ospiti