Cos'è ElectroYou | Login Iscriviti

ElectroYou - la comunità dei professionisti del mondo elettrico

Orologio digitale

Elettronica lineare e digitale: didattica ed applicazioni

Moderatori: Foto Utentecarloc, Foto Utenteg.schgor, Foto UtenteBrunoValente, Foto UtenteIsidoroKZ

0
voti

[1] Orologio digitale

Messaggioda Foto Utentedimitri94 » 7 feb 2012, 18:40

ecco qui, ho copiato tutto per comodità: :D
1) devo per forza utilizzare il trasformatore con il circuito che ai fatto te o posso dare alimentazione da pila o trasformatore a 5 V DC...?

2) ho un dubbio, in quanto vorrei utilizzare per l oscillatore al quarzo uno da 1MZ e poi mettere in cascata 3 4518 per avere 1 Hz in uscita ma non riesco a capire lo schema che devo fare... per chiarire adesso ti faccio uno schema dei 3 integrati cosi ci capiamo meglio...

3) una volta fatto il generatore di clock collego l' out 1Hz all' in 1Hz dello schema dei 6 display vero..?

4) per il reset è semplice perché basta il pulsante NC e fin li va bene... ma per lo start/stop e per l avanzamento rapido non riesco proprio a capire come fare... (il circuito)
Avatar utente
Foto Utentedimitri94
113 5 7
Sostenitore
Sostenitore
 
Messaggi: 515
Iscritto il: 10 gen 2012, 20:46

0
voti

[2] Re: Orologio digitale

Messaggioda Foto UtenteOberoN » 7 feb 2012, 18:51

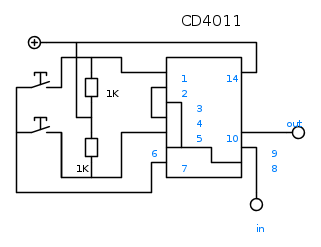
Per lo start/stop si può usare un toggle flip flop con AND sul clock.
Per usare un simulatore devi conoscere più elettronica di lui. [Foto UtenteIsidoroKZ]
40. There are two ways to write error-free programs; only the third one works.
[Alan J. Perlis, Epigrams on Programming]
Avatar utente
Foto UtenteOberoN
801 1 4 9
Stabilizzato
Stabilizzato
 
Messaggi: 483
Iscritto il: 12 feb 2011, 18:20
Località: 127.0.0.1

0
voti

[3] Re: Orologio digitale

Messaggioda Foto Utentemarco438 » 7 feb 2012, 18:58

Allora, le domande sono parecchie, vediamo di rispondere a tutte.

1. Il circuito puo' essere alimentato con qualsiasi tensione da 5 a 15V. E' sconsigliato l'uso di pile perche' i display consumano abbastanza e si scaricherebbero in breve tempo.
A seconda dei display impiegati occorrera' poi calcolare il consumo totale in ampere e dimensionare lo stadio di alimentazione di conseguenza.
2. Se guardi lo schema dell'articolo, che qui riporto per comodita',


con un quarzo da 1Mhz e' sufficiente eliminare il primo integrato SN7490 e connettere l'uscita dell'oscillatore al pin 2 del primo 4518.
3. Si, se non vuoi adoperare il dispositivo start/stop.
4. Per lo start/stop bastano due pulsanti normalmente aperti ed un 4011:


Per l'avanzamento veloce due pulsanti normalmente aperti che colleghino il clock "veloce" all'ingresso del gruppo ore e minuti.
marco
Avatar utente
Foto Utentemarco438
37,1k 7 11 13
-EY Legend-
-EY Legend-
 
Messaggi: 16323
Iscritto il: 24 mar 2010, 15:09
Località: Versilia

0
voti

[4] Re: Orologio digitale

Messaggioda Foto Utentedimitri94 » 7 feb 2012, 19:05

ok ora mi è piu chiaro... solo alcuni piccoli particolari... :-)
- per il consumo in ampere basta che moltiplico il numero di led (segmenti) per il loro consumo che dovrebbe essere sui 0,2A se nn dico una cavolata giusto...?? :-)
- per facilita di lettura rifaccio lo schema dei HCF4518 :-)
Avatar utente
Foto Utentedimitri94
113 5 7
Sostenitore
Sostenitore
 
Messaggi: 515
Iscritto il: 10 gen 2012, 20:46

0
voti

[5] Re: Orologio digitale

Messaggioda Foto Utentemarco438 » 7 feb 2012, 19:08

Prima scegli i display, poi calcoliamo il consumo.
marco
Avatar utente
Foto Utentemarco438
37,1k 7 11 13
-EY Legend-
-EY Legend-
 
Messaggi: 16323
Iscritto il: 24 mar 2010, 15:09
Località: Versilia

0
voti

[6] Re: Orologio digitale

Messaggioda Foto Utentedimitri94 » 7 feb 2012, 19:34

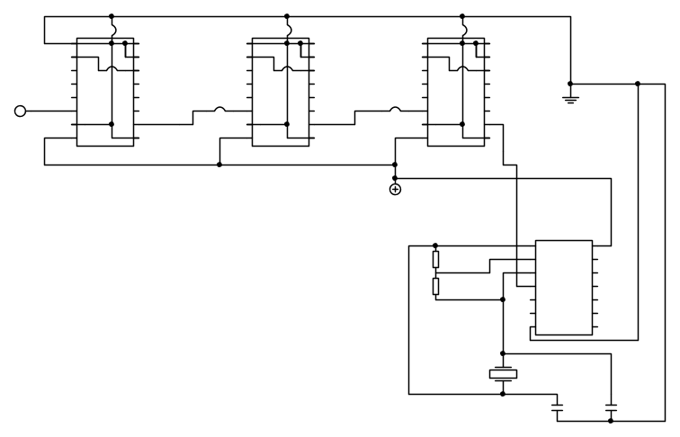
ecco lo schema dei 3 HCF4518 (è giusto..?)


però mi manca la parte dell' SN7404 che non riesco a capire come sono collegati i componenti e i piedini...
O_/
Avatar utente
Foto Utentedimitri94
113 5 7
Sostenitore
Sostenitore
 
Messaggi: 515
Iscritto il: 10 gen 2012, 20:46

0
voti

[7] Re: Orologio digitale

Messaggioda Foto Utentemarco438 » 7 feb 2012, 19:46

Per l'oscillatore, io ho adoperato un TTl 7404 perche' non avevo altro, cosi' come successivamente ho adoperato dei 7400 ma, gia' che lo fai, e' consigliabile l'uso del 74HCU04 CMOS che e' costruito a posta per l'uso specifico.
Tra l'altro l'uso di TTL ti limita e costinge ad alimentare a 5V.
Di seguito lo schema:


P.S. Quando disegni lo schema in fidocadj, evita di adoperare i ponticelli e metti i punti dove servono.
Due linee che si intersecano, si intendono collegate solo quando esiste il punto di connessione.
Se si collegano a T, il punto non serve.
marco
Avatar utente
Foto Utentemarco438
37,1k 7 11 13
-EY Legend-
-EY Legend-
 
Messaggi: 16323
Iscritto il: 24 mar 2010, 15:09
Località: Versilia

0
voti

[8] Re: Orologio digitale

Messaggioda Foto Utentedimitri94 » 7 feb 2012, 19:54

ok ecco lo schema completo:

potresti solo dirmi se è giusto..? :-) :ok:
O_/
Avatar utente
Foto Utentedimitri94
113 5 7
Sostenitore
Sostenitore
 
Messaggi: 515
Iscritto il: 10 gen 2012, 20:46

0
voti

[9] Re: Orologio digitale

Messaggioda Foto Utentemarco438 » 7 feb 2012, 19:59

Si, pero' manca l'alimentazione all'oscillatore.
Il 74HCU04 ha 14 pin e non 16.
marco
Avatar utente
Foto Utentemarco438
37,1k 7 11 13
-EY Legend-
-EY Legend-
 
Messaggi: 16323
Iscritto il: 24 mar 2010, 15:09
Località: Versilia

0
voti

[10] Re: Orologio digitale

Messaggioda Foto Utentedimitri94 » 7 feb 2012, 20:08

correggo subito ecco qui.. gli mancava anche la gnd che nn avevo collegato :roll: :mrgreen:

Una volta fatto questo circuito esco dal 3 integrato con una frequenza di 1Hz e vado direttamente all IN 1Hz del circuito dei display.
il tutto alimentato a 5 V con un trasformatore... :-)
esatto...?
O_/
Avatar utente
Foto Utentedimitri94
113 5 7
Sostenitore
Sostenitore
 
Messaggi: 515
Iscritto il: 10 gen 2012, 20:46

Prossimo

Torna a Elettronica generale

Chi c’è in linea

Visitano il forum: Nessuno e 80 ospiti