Si in effetti sto trovando serie difficoltà..comunque nella rappresentazione del primario è disegnata sul mio testo un'impedenza

, percorsa dalla corrente

nel ramo trasversale con ai capi la tensione primaria a vuoto

. Bah..Comunque è vero, ho capito benissimo quello che mi hai detto sulla corrente a vuoto e quella che dovrebbe essere la vera rappresentazione. Piuttosto fatico ancora a capire alcune cose:
1) la f.e.m. indotta può essere scelta arbitrariamente
nel suo verso ai capi dell' induttore primario? E così anche per la corrente e la f.e.m. indotta ai capi dell'induttore secondario? Non si tiene conto del senso degli avvolgimenti? Cioè: una volta scelto il verso delle correnti nel primario e nel secondario, il verso della f.e.m. indotta non dipende da essi in base al senso degli avvolgimenti?
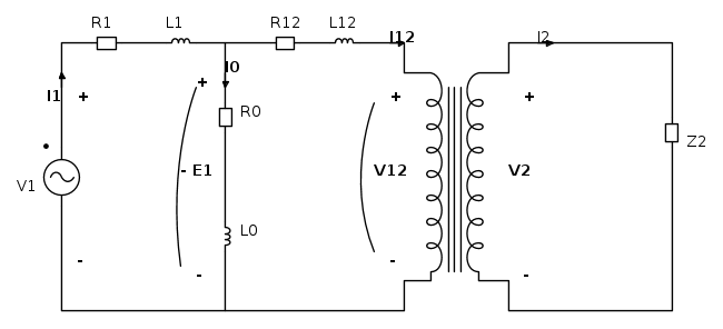
2) Il circuito secondario che ho disegnato è quello che il mio testo riporta non come circuito semplificato, ma come circuito che rende conto del funzionamento vero e proprio, senza trascurare l'effetto della corrente a vuoto.. Non capisco però come si passa da questa situazione al primario:

a questa al secondario:

3) Non capisco perché, nella rappresentazione del primario,

. Il rapporto non dovrebbe essere semplicemente uguale al rapporto spire, essendo quello un trasformatore ideale?
4) Non capisco come si trovano i parametri (tensioni e correnti) riportati al secondario. Cioè:

Ho visto la spiegazione di
lillo ma non capisco dove vogliono arrivare i primi passaggi. Ho capito benissimo invece, il passaggio al secondario dell'impedenza a vuoto.
P.S.: il mio testo è un misto di appunti scritti a mano dal professore e capitoli di un libro di cui non conosco né titolo né autore.
Grazie!