Cos'è ElectroYou | Login Iscriviti

ElectroYou - la comunità dei professionisti del mondo elettrico

Semplice circuito RC

Circuiti, campi elettromagnetici e teoria delle linee di trasmissione e distribuzione dell’energia elettrica

Moderatori: Foto Utenteg.schgor, Foto UtenteIsidoroKZ

0
voti

[1] Semplice circuito RC

Messaggioda Foto Utentepippob » 29 mar 2012, 10:44

Ciao a tutti, oggi mi sono imbattuto in un semplice circuito RC, come mi avete insegnato, cioè con la formula per i circuiti RC, sembra uscire giusto, ho testato con altri metodi, ma non mi esce...anche perché suppongo che il prof lo preferisca per vedere se abbiamo capito la risoluzione pratica...vi spiego:

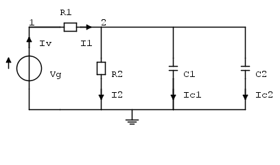
Il circuito in questione è questo

Circuito1.png
Circuito1.png (3.09 KiB) Osservato 4607 volte


DATI:
R_{1} = R_{2} = 1 \Omega
V_{g} = 20V
C_{1} = 0.01 F
C_{2} = 0.04 F
Condensatori scarichi

Ho utilizzato tre metodi:
Metodo 1: risoluzione nodale (fallito)
Metodo 2: raccoglimento e somma ad un unico resistore per rilevare la I(s) (semifallito)
Metodo 3: formula per i circuiti RC (Ok)

METODO 1:

nodo.png
nodo.png (4.14 KiB) Osservato 4607 volte


1) trasformo in lalace;

2) creo le equazioni ai nodi:

Nodo 1: I_{v} = I_{1}
Nodo 2: I_{1} = I_{2} + I_{C1} + I_{C2}

R_{1}: I1 = G1( E1 - E2 )
R_{2}: I2 = G_{2}\cdot  E_{2}
C_{1}: I_{c1} = \frac{sE_{2}}{100}
C_{2}: I_{c2} = \frac{sE_{2}}{25}
V: E_{1} = 20

Con questa equazione giungo a:

E_{2} = \frac{80}{s+40}

Apparentemente sbagliata

Metodo 2:

Circuito1.png
Circuito1.png (3.09 KiB) Osservato 4607 volte


1) trasformo in laplace;

2) sommo gli elemente in parallelo:

Z = \frac{1}{1 \cdot  \frac{s}{100} \cdot  \frac{s}{25}} = \frac{20}{s+20}

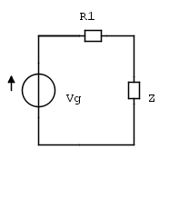
Ottenedo un circuito come questo:

raccoglimento.png
raccoglimento.png (2.02 KiB) Osservato 4607 volte


3) Adesso ricavo la I_{s}:

V_{g}(s) = (R_{1}+Z)\cdot I(s)
\frac{20}{s} = (1 + \frac{20}{s+20})\cdot I(s)
I(s) = \frac{\frac{20}{s}}{\frac{s+20+20}{s+20}} = \frac{20(s+20)}{s(s+40)}

4) Adesso posso calcolare la tensione su Z:

V_{C}(s) = Z I(s)
V_{C}(s) = Z \cdot  I(s)
V_{C}(s) = \frac{20}{s+20} \cdot \frac{20(s+20)}{s(s+40)}
V_{C}(s) = \frac{400}{s(s+40)}
V_{C}(s) = \frac{10}{s} - \frac{10}{s+40}
V_{C}(t) = 10 - 10e^{-40t}

Sembra semicorretto;

Metodo 3(Lele):

x\left(t\right)=\left(x\left(0\right)-x\left(\infty\right)\right)\text{e}^{-\frac{t}{\tau}}+x\left(\infty\right)

mi esce

V_c{t} = 20(1-e^{-40t})

Scusate se il post è lunghissimo..spero possiate aiutarmi. Grazie
Avatar utente
Foto Utentepippob
16 2
 
Messaggi: 34
Iscritto il: 20 mar 2012, 22:06

0
voti

[2] Re: Semplice circuito RC

Messaggioda Foto Utentepippob » 29 mar 2012, 13:14

Sorry, con il metodo ai nodi E_{2} diventa:

E_{2} = \frac{400}{s(s+40)}

In questo modo mi esce anche nel metodo nodale:

V_{C}(t) = 10 - 10e^{-40t}

Ora quindi mi viene da pensare che ho sbagliato qualcosa nel metodo spiegatomi da Lele
Avatar utente
Foto Utentepippob
16 2
 
Messaggi: 34
Iscritto il: 20 mar 2012, 22:06

2
voti

[3] Re: Semplice circuito RC

Messaggioda Foto UtenteLele_u_biddrazzu » 29 mar 2012, 13:43

pippob ha scritto:...Ora quindi mi viene da pensare che ho sbagliato qualcosa nel metodo spiegatomi da Lele



Direi che hai sbagliato qualcosa :D

Ecco i dati corretti...

- v_2 (0) = 0 \; \text{V};

- v_2(\infty) = \frac{R_2}{R_1+R_2} \, V_g;

- \tau = \frac{R_1 R_2}{R_1+R_2} \, (C_1+C_2).
Emanuele Lorina

- Chi lotta contro i mostri deve fare attenzione a non diventare lui stesso un mostro. E se tu riguarderai a lungo in un abisso, anche l'abisso vorrà guardare dentro di te (F. Nietzsche)
- Tavole della legge by admin
Avatar utente
Foto UtenteLele_u_biddrazzu
8.154 3 8 13
Master EY
Master EY
 
Messaggi: 1288
Iscritto il: 23 gen 2007, 16:13
Località: Modena

-1
voti

[4] Re: Semplice circuito RC

Messaggioda Foto Utentepippob » 29 mar 2012, 13:50

Aaaaaah....quindi per calcolare v_2(\infty) la formula sarebbe:

v_2(\infty) = R_{eq} V_g ??? LOL
Avatar utente
Foto Utentepippob
16 2
 
Messaggi: 34
Iscritto il: 20 mar 2012, 22:06

2
voti

[5] Re: Semplice circuito RC

Messaggioda Foto UtenteLele_u_biddrazzu » 29 mar 2012, 13:53

No, la formula da te scritta è dimensionalmente errata... :!: :?
Emanuele Lorina

- Chi lotta contro i mostri deve fare attenzione a non diventare lui stesso un mostro. E se tu riguarderai a lungo in un abisso, anche l'abisso vorrà guardare dentro di te (F. Nietzsche)
- Tavole della legge by admin
Avatar utente
Foto UtenteLele_u_biddrazzu
8.154 3 8 13
Master EY
Master EY
 
Messaggi: 1288
Iscritto il: 23 gen 2007, 16:13
Località: Modena

2
voti

[6] Re: Semplice circuito RC

Messaggioda Foto Utenteangelsanct » 29 mar 2012, 14:40

No, per calcolare quella tensione bisogna calcolare la tensione ad un tempo "al limite" infinito rispetto all'istante 0. IN questo caso basta ricordare che per una forzante continua le capacità diventano circuiti aperti, mentre le induttanze circuiti chiusi. Hai quindi un partitore di tensione, come ti ha fatto notare Foto UtenteLele_u_biddrazzu.
Avatar utente
Foto Utenteangelsanct
196 1 5
Frequentatore
Frequentatore
 
Messaggi: 112
Iscritto il: 30 lug 2011, 21:46

2
voti

[7] Re: Semplice circuito RC

Messaggioda Foto Utentepippob » 29 mar 2012, 14:56

Tutto chiaro adesso :ok:
inizialmente avevo capito (male) che ci fosse una qualche formuletta particolare per trovare v_2(\infty), invece occorre semplicemente trovare la tensione in R2 in questo caso.

PS mi becco sempre voti negativi...uno positivo per i procedimenti esatti? :D
Avatar utente
Foto Utentepippob
16 2
 
Messaggi: 34
Iscritto il: 20 mar 2012, 22:06


Torna a Elettrotecnica generale

Chi c’è in linea

Visitano il forum: Nessuno e 14 ospiti