Cos'è ElectroYou | Login Iscriviti

ElectroYou - la comunità dei professionisti del mondo elettrico

il motore di un frullatore

Trasformatori, macchine rotanti ed azionamenti

Moderatori: Foto UtenteSandroCalligaro, Foto Utentemario_maggi, Foto Utentefpalone

1
voti

[1] il motore di un frullatore

Messaggioda Foto UtenteLeo43 » 20 mag 2012, 19:11

Salve, questo e' il mio primo post, per cui come prima cosa, credo sia doveroso da parte mia salutare tutti gli utenti del forum.
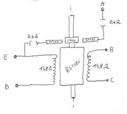
Ma veniamo al mio problema: mi e' stato portato da una vicina il motore di un mixer Moulinex Masterchef 450 privo della scheda di controllo e completamente scollegato, con la preghiera di cercare di rimettere in funzione la macchina, anche senza il controllo variabile di velocita', e con un semplice interruttore ON/OFF per farlo funzionare a velocita' costante. Purtroppo, ammetto la mia ingoranza, io ed i motori non ci siamo mai incontrati prima d'ora, per cui mi sono trovato in grande difficolta'. Ho dato un'occhio alla letteratura, ed ho visto che esistono motori monofase, trifase, sincroni, asincroni, universali, in CC ed in AC, ma non sono riuscito a stabilire con certezza "cosa" sia il motore cha ho davanti. Gli unici dati sono quelli della targhetta che indica una alimentazione a 220Vca ed una potenza di 300W
Lo statore ha due avvolgimenti indipendenti, che presentano una resistenza elettrica di 13.8 ohm cadauno, ed il rotore ha il collettore e due spazzole in carboncino, collegate tramite quelli che ritengo siano due fusibili termici (o qualcosa del genere...) in quanto sono due tubettini di circa 3mm x 12mm inglobati nel termorestringente, con terminazioni in filo rigido, che presentano una resistenza di 0,4 ohm l'uno.
Una delle spazzole e' collegata ad uno dei capi di uno degli avvolgimenti dello statore.
Per maggior chiarezza, allego un piccolo schizzo dello schema. Mi scuso per non aver utilizzato Fidocad come richiesto, ma non sono molto pratico, e impiego tempo per imparare come usare un programma, per cui vista anche la pochezza della cosa, mi sono "arrangiato" con uno schizzetto.
Sarei grato a chiunque mi sapesse dare una mano e mi indicasse cosa e' necessario per far girare il motore e come collegarlo.
Leo

motore universale.JPG
motore universale.JPG (5.94 KiB) Osservato 20488 volte


edit mir : ridimensionata immagine


Edit Lele: le immagini vanno inserite "in linea con il testo" e la prossima volta usa fidocadJ !
Avatar utente
Foto UtenteLeo43
35 3
 
Messaggi: 10
Iscritto il: 20 mag 2012, 18:42

1
voti

[2] Re: il motore di un frullatore

Messaggioda Foto UtenteCandy » 20 mag 2012, 19:22

Mi scuso per non aver utilizzato Fidocad come richiesto, ma non sono molto pratico, e impiego tempo per imparare come usare un programma, per cui vista anche la pochezza della cosa, mi sono "arrangiato" con uno schizzetto.


Non spendi tempo per tentare di fare un disegno con FidocadJ, ma qualcuno dovrebbe spendere tempo per tentare di aiutarti... Come puoi conciliare un simile pensiero?

La "pochezza della cosa" non è affatto tale.
Avatar utente
Foto UtenteCandy
32,5k 7 10 13
CRU - Account cancellato su Richiesta utente
 
Messaggi: 10123
Iscritto il: 14 giu 2010, 22:54

0
voti

[3] Re: il motore di un frullatore

Messaggioda Foto UtenteLeo43 » 20 mag 2012, 19:57

candy ha scritto:Non spendi tempo per tentare di fare un disegno con FidocadJ, ma qualcuno dovrebbe spendere tempo per tentare di aiutarti... Come puoi conciliare un simile pensiero?


Lo spirito di un Forum e' quello di aiutare altre persone in difficolta' a superare i loro problemi, non quello di creargli "altri" problemi chiedendogli di imparare prima ad usare strumenti complicati solo per adeguarsi a regole che indubbiamente avranno una loro giusta motivazione, ma sulle quali, in considerazione della semplicita' dello schema, si potrebbe anche sorvolare.......
Purtroppo vedo che il "tiro al piccione" con l'ultimo arrivato e' uno sport molto praticato, e me ne dolgo.


candy ha scritto:La "pochezza della cosa" non è affatto tale.


Perdonami, pensavo ad una semplice risposta del tipo "metti in serie gli avvolgimenti dello statore collegando A con C ed applica una tensione continua sul collettore" (ho detto una cosa qualunque, a caso, non farci caso....), e non avevo idea che fosse una questione cosi' complessa.
Continuo sempre a sperare che ci sia qualcuno di buona volonta' disposto a darmi un aiuto costruttivo sulla questione.
Saluti, e grazie per il tuo intervento.
Leo
Avatar utente
Foto UtenteLeo43
35 3
 
Messaggi: 10
Iscritto il: 20 mag 2012, 18:42

1
voti

[4] Re: il motore di un frullatore

Messaggioda Foto UtenteLele_u_biddrazzu » 20 mag 2012, 21:52

Leo43 ha scritto:...Lo spirito di un Forum e' quello di aiutare altre persone in difficolta' a superare i loro problemi...


Lo spirito del forum consiste nella condivisione di esperienze e conoscenze tra gli utenti nel pieno rispetto delle regole...

Leo43 ha scritto:...che indubbiamente avranno una loro giusta motivazione...


... e pertanto vanno prese in considerazione sempre e comunque :!:
Emanuele Lorina

- Chi lotta contro i mostri deve fare attenzione a non diventare lui stesso un mostro. E se tu riguarderai a lungo in un abisso, anche l'abisso vorrà guardare dentro di te (F. Nietzsche)
- Tavole della legge by admin
Avatar utente
Foto UtenteLele_u_biddrazzu
8.154 3 8 13
Master EY
Master EY
 
Messaggi: 1288
Iscritto il: 23 gen 2007, 16:13
Località: Modena

0
voti

[5] Re: il motore di un frullatore

Messaggioda Foto UtenteLeo43 » 20 mag 2012, 23:27

Noto che sono tutti pronti a fare i moderatori di sezione...., ma tutti OT, e nessuno che invece dica due parole sul contenuto della discussione..... :roll:
Una volta, quando qualcuno si affacciava per la prima volta in un Forum, c'era la buona abitudine di salutarlo dandogli il benvenuto, ma non lo si "accusava" come prima cosa di essere un incoerente (vedi prima risposta avuta) o di essere "rivoluzionario" che ha bisogno di essere invitato a rispettare le regole (vedi seconda risposta avuta).
Cio' nonostante, io spero sempre che ci sia qualcuno di buona volonta' che piuttosto che sentirsi offeso da "lesa maestà" a causa del mio post, sia disponibile a darmi un aiuto concreto in campo "elettrico", piuttosto che "spiegarmi" la coerenza o l'educazione.
Comunque sia, ringrazio sempre per le risposte avute.
Leo

P.S. Tra l'altro, la mia richiesta non nasce neppure da un mio "problema" ma una pura cortesia che faccio ad una anziana signora per cercare di evitarle un acquisto per lei oneroso.
Avatar utente
Foto UtenteLeo43
35 3
 
Messaggi: 10
Iscritto il: 20 mag 2012, 18:42

0
voti

[6] Re: il motore di un frullatore

Messaggioda Foto UtenteLeo43 » 30 mag 2012, 1:29

Non c'e' un'anima buona che puo' darmi una mano ?
Grazie
Avatar utente
Foto UtenteLeo43
35 3
 
Messaggi: 10
Iscritto il: 20 mag 2012, 18:42

1
voti

[7] Re: il motore di un frullatore

Messaggioda Foto Utentemir » 30 mag 2012, 9:42

Salve Foto UtenteLeo43, e benvenuto nel forum di EY.
Leo43 ha scritto:Noto che sono tutti pronti a fare i moderatori di sezione....

se hai avuto l'occasione di sfogliare un pochino le pagine del forum, puoi accorgerti che non è proprio come la vedi, la disponibilità c'è secondo le capacità di chi può e vuole intervenire, e se il topic utilizza gli strumenti che il forum mette a disposizione rende la discussione più interattiva e comoda per entrambe le parti, tutto qui. ;-)
ora per quel che posso dirti io,diciamo che il disegno con fidocadj verrebbe più o meno così

mentre per l'alimentazione di questo motore direttamente alla tensione di rete, mi viene qualche dubbio, io proverei a collegare in serie gli avvoglimenti di statore con le spazzole come D in C e B in A ed alimentando tra A ed E ma non essendone molto sicuro alimenterei con un variac fornendo tensione per gradini e misurando al contempo tensione ed assorbimento.
in attesa di interventi migliori del mio ti auguro buona permanenza nel forum. ;-)
Avatar utente
Foto Utentemir
66,0k 9 12 13
G.Master EY
G.Master EY
 
Messaggi: 21869
Iscritto il: 19 ago 2004, 21:10

2
voti

[8] Re: il motore di un frullatore

Messaggioda Foto UtenteRenzoDF » 30 mag 2012, 9:59

mir ha scritto:... io proverei a collegare in serie gli avvoglimenti di statore con le spazzole come D in C ...

Aggiungerei solo che nella serie E-D-C-B dei due avvolgimenti di statore bisogna rispettare il verso di avvolgimento, per fare in modo che il campo istantaneo creato dalla coppia di bobine sia equiverso; ovvero controllare che il verso di avvolgimento da E a D sia uguale a quello da C a B, come in figura


in caso contrario il collegamento dovrà essere E-D-B-C.

Ovviamente sarebbe necessario capire cosa è successo a questo motore, nonchè lo "stato" del collettore, delle spazzole e degli avvolgimenti, specie quelli di rotore.
"Il circuito ha sempre ragione" (Luigi Malesani)
Avatar utente
Foto UtenteRenzoDF
55,9k 8 12 13
G.Master EY
G.Master EY
 
Messaggi: 13189
Iscritto il: 4 ott 2008, 9:55

0
voti

[9] Re: il motore di un frullatore

Messaggioda Foto Utentemir » 30 mag 2012, 15:00

RenzoDF ha scritto:Aggiungerei solo che nella serie E-D-C-B dei due avvolgimenti di statore bisogna rispettare il verso di avvolgimento, per fare in modo che il campo istantaneo creato dalla coppia di bobine sia equiverso; ovvero controllare che il verso di avvolgimento da E a D sia uguale a quello da C a B, come in figura..

che dire .. Grazie Foto UtenteRenzoDF per la precisazione non da poco. :ok:
lo dicevo a Foto UtenteLeo43, non aveva visto bene ... :D
RenzoDF ha scritto:sarebbe necessario capire cosa è successo a questo motore, nonchè lo "stato" del collettore, delle spazzole e degli avvolgimenti, specie quelli di rotore.

è vero questo aspetto non l'avevo considerato, pertanto Leo43 dovrà anche verificare la bontà delle spazzole e relative connessioni, nonchè gli avvolgimenti di statore, ed anche la meccanica del rotore (cuscinetti se presenti) collettore compreso.
Avatar utente
Foto Utentemir
66,0k 9 12 13
G.Master EY
G.Master EY
 
Messaggi: 21869
Iscritto il: 19 ago 2004, 21:10

0
voti

[10] Re: il motore di un frullatore

Messaggioda Foto Utenteeddy » 30 mag 2012, 18:11

allora quello è motore universale e come tutti i motori universali lo statore ed il rotore sono in serie (come già ti hanno detto)
Seguendo la logica del disegno mi verrebbe da dire metti D e B insieme e alimenta con la 230V su A e C
Se non dovesse girare metti D e C insieme e alimenta su A e B
Voglio precisare però che la scheda di controllo a qualcosa servirà e come minimo ci sarà sopra un condensatore opportuno che serve da filtro da mettere in parallelo a l'alimentazione
Ma la domanda è..........
perché vuoi escludere la scheda [-X
ciao
Avatar utente
Foto Utenteeddy
950 2 4 7
Expert
Expert
 
Messaggi: 1117
Iscritto il: 30 set 2006, 21:39

Prossimo

Torna a Macchine elettriche

Chi c’è in linea

Visitano il forum: Nessuno e 23 ospiti