
Volevo chiedere se è possibile ottenere una tensione duale da 2 pile.
Faccio un esempio in Fidocad.
Chiedo ciò in quanto voglio risparmiare spazio e componentistica nel circuito che andrò a realizzare.
Moderatori:
carloc,
g.schgor,
BrunoValente,
IsidoroKZ

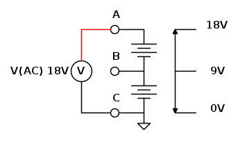
Marcohm ha scritto:la tensione che posso estrapolare dalle pile dipende praticamente da quale punto metto a massa ed in seguito da quale punto prelevo? [...] mette il negativo della seconda a massa
Marcohm ha scritto:Salve
Volevo chiedere se è possibile ottenere una tensione duale da 2 pile.
Visitano il forum: Nessuno e 123 ospiti