Mi sto preparando per un esame di elettronica, e non ho le soluzioni di tutti gli esercizi. Inizio a postarvi questo, che l'ho risolto in un tempo molto breve, e la cosa mi preoccupa. La mia preoccupazione deriva dal fatto che in aula ho fatto esercizi d'esame ben piu lunghi di questo, e mi pare strano che in un appello sia comparsa una cosa del genere!
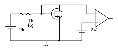
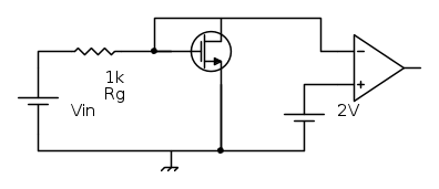
Il circuito è questo:
e si richiede di tracciare la caratteristica ingresso uscita (con l'uscita presa all'uscita dell'amp op rispetto a massa), nell'intervallo di valori di Vin tra 0 e 5V (vengono anche date le alimentazioni dell'amp op).
Io di primo acchitto ho pensato che: La tensione che entra nell'amp op sul morsetto invertente, è la stessa tensione che si trova sul gate, che va sul source, e che sta ai capi della resistenza, che quindi è proprio Vin. Essendo l'amp op ideale, satura o positivamente o negativamente in base alla differenza degli ingressi.
Soltanto che dopo aver fatto questo, mi è venuta in mente la domanda: se il ragionamento mio è giusto, quell'nmos a che serve?
Risoluzione circuito transistor, amp op
Moderatori:
carloc,
g.schgor,
BrunoValente,
IsidoroKZ
4 messaggi
• Pagina 1 di 1
0
voti
1
voti
giozh ha scritto: ...... Io di primo acchitto ho pensato che: La tensione che entra nell'amp op sul morsetto invertente, è la stessa tensione che si trova sul gate, che va sul source, e che sta ai capi della resistenza, che quindi è proprio Vin.
My God!!!!
E di secondo acchito cosa hai pensato ?
Rileggi bene quanto hai scritto e riconsidera la caduta di tensione ai capi della resistenza.
Ingegneria : alternativa intelligente alla droga.
-

dimaios
30,2k 7 10 12 - G.Master EY

- Messaggi: 3381
- Iscritto il: 24 ago 2010, 14:12
- Località: Behind the scenes
0
voti
Lo so che ho detto un'eresia, ma purtroppo l'elettronica non è il mio forte, ed ora che ci ripenso, mi pento e mi dolgo di quanto scritto!!! :)
Come alternativa avevo pensato che la corrente di drain è la stessa che scorre sulla resistenza che posso ricavare tranquillamente. Poi ipotizzando la saturazione dell'nmos potevo ricavarmi la tensione sul gate rispetto al source Vgs, che se non dico altre cavolate è la stessa che entra nell'invertente, o no?
Come alternativa avevo pensato che la corrente di drain è la stessa che scorre sulla resistenza che posso ricavare tranquillamente. Poi ipotizzando la saturazione dell'nmos potevo ricavarmi la tensione sul gate rispetto al source Vgs, che se non dico altre cavolate è la stessa che entra nell'invertente, o no?
0
voti
Prova a pensare a cosa succede se:
1) la Vin è inferiore alla tensione di soglia del NMOS per entrambi i casi in cui essa è inferiore o superiore alla tensione di riferimento di 2 volt
2) la Vin supera la tensione di soglia.
Dopodiché dovresti essere in grado di capire cosa succede all'uscita dell'operazionale in ogni possiible situazione pratica. Il comportamento non è proprio banalissimo e il NMOS che sembra essere solo messo li tra i piedi, in realtà poi almeno una cosa utile la fa!
Ciao
Piercarlo
1) la Vin è inferiore alla tensione di soglia del NMOS per entrambi i casi in cui essa è inferiore o superiore alla tensione di riferimento di 2 volt
2) la Vin supera la tensione di soglia.
Dopodiché dovresti essere in grado di capire cosa succede all'uscita dell'operazionale in ogni possiible situazione pratica. Il comportamento non è proprio banalissimo e il NMOS che sembra essere solo messo li tra i piedi, in realtà poi almeno una cosa utile la fa!
Ciao
Piercarlo
4 messaggi
• Pagina 1 di 1
Chi c’è in linea
Visitano il forum: Nessuno e 158 ospiti

Elettrotecnica e non solo (admin)
Un gatto tra gli elettroni (IsidoroKZ)
Esperienza e simulazioni (g.schgor)
Moleskine di un idraulico (RenzoDF)
Il Blog di ElectroYou (webmaster)
Idee microcontrollate (TardoFreak)
PICcoli grandi PICMicro (Paolino)
Il blog elettrico di carloc (carloc)
DirtEYblooog (dirtydeeds)
Di tutto... un po' (jordan20)
AK47 (lillo)
Esperienze elettroniche (marco438)
Telecomunicazioni musicali (clavicordo)
Automazione ed Elettronica (gustavo)
Direttive per la sicurezza (ErnestoCappelletti)
EYnfo dall'Alaska (mir)
Apriamo il quadro! (attilio)
H7-25 (asdf)
Passione Elettrica (massimob)
Elettroni a spasso (guidob)
Bloguerra (guerra)


