Cos'è ElectroYou | Login Iscriviti

ElectroYou - la comunità dei professionisti del mondo elettrico

Equipotenziale di segnale e di potenza

Elettronica lineare e digitale: didattica ed applicazioni

Moderatori: Foto Utentecarloc, Foto Utenteg.schgor, Foto UtenteBrunoValente, Foto UtenteIsidoroKZ

6
voti

[1] Equipotenziale di segnale e di potenza

Messaggioda Foto Utentespud » 2 lug 2012, 19:09

Un saluto a tutti.
Sto progettando il PCB per realizzare il secondo circuito proposto in questo articolo.
Come consigliato da Foto UtenteTardoFreak ho tenuto separate le masse di segnale da quelle di potenza e ora sono giunto alla fine del disegno quindi le dovrei unire. La domanda è: come? Ci sono punti dove è preferibile unire le due masse? C'è una regola generale per questo tipo di situazioni?

Questa è la disposizione dei componenti:
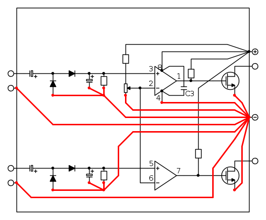
piste+componenti.jpg
piste+componenti.jpg (122.11 KiB) Osservato 10148 volte


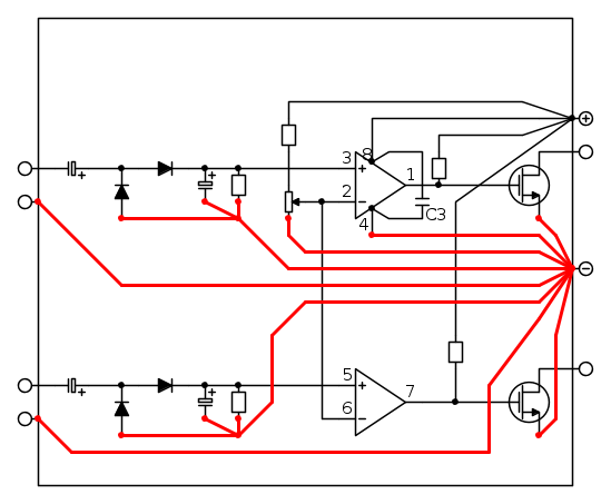
e queste sono le due masse e la Vcc che porto in uscita per alimentare più comodamente i led:
masse.jpg
masse.jpg (69.27 KiB) Osservato 10148 volte


Grazie a tutti O_/
Atlant.

Behind every great man is a woman rolling her eyes.
Avatar utente
Foto Utentespud
3.767 3 10 12
free expert
 
Messaggi: 1601
Iscritto il: 1 feb 2012, 14:26
Località: Udine

14
voti

[2] Re: Masse di segnale e masse di potenza

Messaggioda Foto UtenteBrunoValente » 2 lug 2012, 21:18

Ciao Foto Utentespud,
il tuo circuito non è critico e lo stampato puoi realizzarlo senza andare per il sottile, quindi direi che i due riferimenti (non si dice masse) puoi collegarli insieme dove vuoi, meglio in prossimità del connettore dove collegherai il meno dell'alimentatore.

Il condensatore C3 (meglio se ceramico) non andrebbe collegato in quel modo: sarebbe meglio se comunicasse con i pin di alimentazione dell'integrato in modo diretto, cioè con due piste dedicate, dirette e cortissime...ma vedrai che neanche questo ti creerà problemi.

se il circuito fosse stato critico dal punto di vista del layout allora, con le disposizioni dei collegamenti che hai scelto, avresti non pochi problemi.

A titolo di esempio ti faccio vedere come avrei fatto io in quel caso.

Avatar utente
Foto UtenteBrunoValente
39,6k 7 11 13
G.Master EY
G.Master EY
 
Messaggi: 7796
Iscritto il: 8 mag 2007, 14:48

1
voti

[3] Re: Masse di segnale e masse di potenza

Messaggioda Foto Utentespud » 2 lug 2012, 21:33

Ciao e grazie della risposta,
quindi se il cirucito fosse stato critico avrei dovuto 'spezzare' i riferimenti in più di due reti, e la stessa cosa con il ramo positivo dell'alimentazione.

Ho cercato di fare collegamenti più corti possibili, masse e alimentazioni a parte, cosa altro avrebbe potuto causarmi problemi?

Da quali criteri stabilisci che un certo collegamento ha bisogno della sua pista e non va unito ad altre piste (che fanno parte della stessa net)? E poi quando un circuito è critico?

Grazie per la disponibilità e cusa la valanga di domande :D
l'argomento è un po' oscuro O_/
Atlant.

Behind every great man is a woman rolling her eyes.
Avatar utente
Foto Utentespud
3.767 3 10 12
free expert
 
Messaggi: 1601
Iscritto il: 1 feb 2012, 14:26
Località: Udine

17
voti

[4] Re: Masse di segnale e masse di potenza

Messaggioda Foto UtenteBrunoValente » 2 lug 2012, 23:31

spud ha scritto:...l'argomento è un po' oscuro

Diciamo che è molto complesso e che le regole da seguire cambiano molto a seconda del tipo di circuito: se sei in alta frequenza devi prendere certe precauzioni, se sei in bassa frequenza delle altre, se sei in bassa frequenza e lavori con deboli segnali altre ancora, se devi amplificare deboli tensioni continue sei messo proprio male ecc...
Quando devono convivere deboli segnali e forti correnti allora si cerca di confinare i riferimenti.
devi sempre tener conto del fatto che le piste non sono conduttori ideali ma che presentano una loro resistenza anche se minima (presentano anche un'induttanza e una capacità ma queste solitamente entrano in ballo a frequenze più alte).
Se in una pista scorre una forte corrente, proprio a causa di queste grandezze parassite, nasce una piccola tensione indesiderata tra due punti diversi di essa. Se quella pista è il riferimento del circuito e in punti diversi di essa vi sono delle connessioni a dei componenti bisogna tener conto del fatto che quei punti di connessione non sono proprio a zero volt. In certi casi questo è ininfluente, in altri no.
Faccio un esempio.
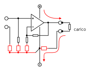
Immagina di dover realizzare lo stampato di questo semplice amplificatore di potenza che pilota un carico ad alta corrente



La soluzione seguente è corretta



Se consideri le resistenze dei vari tratti di pista il circuito corrispondente che ne tiene conto è il seguente



Come vedi ad ogni resistenza buona se ne aggiunge in serie una parassita ma non da fastidio perché è di piccolo valore e, soprattutto, perché è percorsa dalla stessa corrente che scorre in quella buona.
Per quanto detto le due cadute di tensione, quella sulla resistenza buona e quella sulla resistenza parassita che capita in serie ad essa, stanno tra loro nello stesso rapporto in cui stanno i valori delle due resistenze, perciò prevale di gran lunga la caduta di tensione sulla resistenza buona rispetto a quella sulla resistenza parassita, che quindi ha un effetto trascurabile.
Questo in particolare vale anche per la resistenza parassita che capita in serie al carico che è percorsa dall'alta corrente del carico.

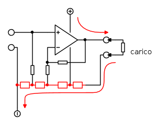
La soluzione seguente è sbagliata



Il circuito corrispondente che tiene conto degli effetti parassiti (solo resistivi) è il seguente



Come vedi in questo caso le resistenze parassite sono disposte diversamente e la forte corrente del carico, scorrendo dove non dovrebbe, potrebbe far cadere sulle resistenze di sinistra delle tensioni parassite alte che si andrebbero ad aggiungere a quelle basse del segnale di ingresso.
L'amplificatore in questo caso amplificherebbe anche le tensioni parassite e si avrebbe una retroazione indesiderata che in alcuni casi potrebbe anche essere una reazione positiva e provocare delle auto-oscillazioni.
Si era partiti per realizzare un amplificatore e, misteriosamente, ci si ritrova con un oscillatore...quante volte l'ho sentita!

in questo esempio è l'alta corrente dello stesso segnale amplificato a creare problemi interagendo con il segnale in ingresso ma si possono facilmente immaginare casi in cui una forte corrente generata da un certo circuito, scorrendo in una certa pista, potrebbe perturbare segnali differenti di altri circuiti che utilizzano quella stessa pista come riferimento comune.

Dovrebbe essere chiaro come questi effetti possano creare problemi oppure no a seconda dell'intensità delle correnti in gioco, di quanto sono deboli i segnali processati, di quanto alte sono le frequenze, di quanta precisione ci si aspetta dal circuito ecc.

Saper fare bene i circuiti stampati è un'arte
Avatar utente
Foto UtenteBrunoValente
39,6k 7 11 13
G.Master EY
G.Master EY
 
Messaggi: 7796
Iscritto il: 8 mag 2007, 14:48

2
voti

[5] Re: Masse di segnale e masse di potenza

Messaggioda Foto Utentespud » 2 lug 2012, 23:44

Ti ringrazio molto per la spiegazione dettagliata :D

Ultimissima domanda (in realtà sono 3 :-P) , le piste che curvano con angoli a 90°, che formano delle 'punte', possono risultare fastidiosi per il funzionamento del circuito? Se si, anche quelle che si formano nelle aree di rame? E queste ultime sono realmente utili?

Grazie ancora O_/
Atlant.

Behind every great man is a woman rolling her eyes.
Avatar utente
Foto Utentespud
3.767 3 10 12
free expert
 
Messaggi: 1601
Iscritto il: 1 feb 2012, 14:26
Località: Udine

8
voti

[6] Re: Masse di segnale e masse di potenza

Messaggioda Foto UtenteBrunoValente » 2 lug 2012, 23:51

spud ha scritto:... le piste che curvano con angoli a 90°, che formano delle 'punte', possono risultare fastidiosi per il funzionamento del circuito?

In bassa frequenza solitamente non da fastidio la forma delle piste, anche quando sono a punta. Se le tensioni sono molto alte allora le punte non vanno bene.
In alta frequenza le cose cambiano molto.
spud ha scritto:Se si, anche quelle che si formano nelle aree di rame? E queste ultime sono realmente utili?

Questa sinceramente non l'ho capita
Avatar utente
Foto UtenteBrunoValente
39,6k 7 11 13
G.Master EY
G.Master EY
 
Messaggi: 7796
Iscritto il: 8 mag 2007, 14:48

1
voti

[7] Re: Masse di segnale e masse di potenza

Messaggioda Foto Utentespud » 2 lug 2012, 23:54

Scusa mi spiego meglio.

Quando si fanno le aree di rame collegate a massa negli spazi vuoti tra le piste, anche le punte di queste aree danno fastidio?

Poi la seconda domanda si riferiva all'utilità delle aree di rame negli spazi vuoti tra le piste.
Atlant.

Behind every great man is a woman rolling her eyes.
Avatar utente
Foto Utentespud
3.767 3 10 12
free expert
 
Messaggi: 1601
Iscritto il: 1 feb 2012, 14:26
Località: Udine

6
voti

[8] Re: Masse di segnale e masse di potenza

Messaggioda Foto UtenteBrunoValente » 3 lug 2012, 0:12

spud ha scritto:...Quando si fanno le aree di rame collegate a massa negli spazi vuoti tra le piste, anche le punte di queste aree danno fastidio?

No, se sei in bassa frequenza neanche le punte delle piste di massa danno fastidio.
spud ha scritto:Poi la seconda domanda si riferiva all'utilità delle aree di rame negli spazi vuoti tra le piste.

a volte si, a volte no: dipende tantissimo dal circuito in questione.
Solitamente una pista di massa che separa altre piste spezza le capacità parassite e riduce quindi le interazioni capacitive tra le piste in questione, ma quanto queste interazioni meritano di essere ridotte dipende molto dalle frequenze e dalle impedenze in gioco, nonché dal guadagno degli amplificatori (se vi sono), dalla precisione che occorre... come ho già detto non c'è una regola che sia valida sempre e indipendentemente dal tipo di circuito.
Bisogna ogni volta mettere in atto la strategia giusta cercando di tenere conto di tutto quello che serve e di evitare di fare cose inutili...è proprio un'arte.
Avatar utente
Foto UtenteBrunoValente
39,6k 7 11 13
G.Master EY
G.Master EY
 
Messaggi: 7796
Iscritto il: 8 mag 2007, 14:48

1
voti

[9] Re: Masse di segnale e masse di potenza

Messaggioda Foto Utentespud » 3 lug 2012, 0:17

Chiaro, grazie mille per la disponibilità O_uu_O
Atlant.

Behind every great man is a woman rolling her eyes.
Avatar utente
Foto Utentespud
3.767 3 10 12
free expert
 
Messaggi: 1601
Iscritto il: 1 feb 2012, 14:26
Località: Udine

4
voti

[10] Re: Masse di segnale e masse di potenza

Messaggioda Foto UtentePiercarlo » 3 lug 2012, 0:20

Dirò una cosa scontata ma quanto presentato da Foto UtenteBrunoValente merita di essere riarrangiato in un bell'articolo per conto suo. Anche se non si può esaurire tutto l'argomento in un articolo, quel che è già stato detto aiuta di brutto a prevenire un bel po' di problemi.

Ciao
Piercarlo
Avatar utente
Foto UtentePiercarlo
24,0k 6 11 13
G.Master EY
G.Master EY
 
Messaggi: 6718
Iscritto il: 30 mar 2010, 19:23
Località: Milano

Prossimo

Torna a Elettronica generale

Chi c’è in linea

Visitano il forum: Majestic-12 [Bot] e 51 ospiti