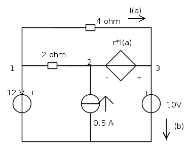
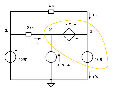
Salve a tutti, stasera mi sono imbattuto in questo circuito (che dovrebbe essere) banale, però mi sono posto un problema: volendo applicare una LKC al nodo 3, la corrente relativa al ramo contenente il generatore pilotato è da considerarsi come un'ulteriore incognita ??
(Ed in tal caso aplicando il solito metodo per esprimerla, ossia tensione di lato fratto resistenza, ovviamente otterrei un valore nullo di resistenza)
Ringrazio tutti per ogni dritta (ulteriore a quell di studiare meglio l'elettrotecnica, cosa di cui mi sto rendendo conto, ahimè...)
Corrente in lato contenente gen pilotato
Moderatori:
g.schgor,
IsidoroKZ
18 messaggi
• Pagina 1 di 2 • 1, 2
0
voti
1
voti
Vinus ha scritto:... volendo applicare una LKC al nodo 3, la corrente relativa al ramo contenente il generatore pilotato è da considerarsi come un'ulteriore incognita ??
Potresti farlo, ma non ne vedo il motivo, con quei due GIT sui rami esterni e quindi con la conoscenza dei potenziali dei due nodi 1 e 3, puoi calcolare direttamente la Ia e di conseguenza la tensione ai morsetti del generatore pilotato e la rete risulterà risolta.
Vinus ha scritto:...Ed in tal caso aplicando il solito metodo per esprimerla, ossia tensione di lato fratto resistenza, ovviamente otterrei un valore nullo di resistenza...
Questa non l'ho capita.
BTW ma non vi hanno insegnato che nei generatori bisogna specificare il verso ? ... perché indichi le correnti con I(a) I(b) ... ? ... quanto vale r ?
"Il circuito ha sempre ragione" (Luigi Malesani)
0
voti
Mi scuso, anzitutto, perchèin effetti il mio disegno era incompleto: ne riposto qui una versione più corretta
Come dovrebbe apparire evidente le tensioni ai nodi sono note ed il problema consiste nella determinazione della corrente Ib... ecco perché avevo pensato di applicare una LKC al nodo 3, ma il punto è che non ho capito come esprimere la corrente circolante nel lato con il generatore pilotato
La mia idea iniziale era quella di applicare una LKC al nodo 2 ottenendo la corrente suddetta in funzione delle altre due correnti afferenti al nodo, che sono note, in quanto una è erogata dal gen di corrente da 0.5 A e l'altra è calcolabile con una semplice legge di Ohm Ia= (V1-V2)/2Ω
Come dovrebbe apparire evidente le tensioni ai nodi sono note ed il problema consiste nella determinazione della corrente Ib... ecco perché avevo pensato di applicare una LKC al nodo 3, ma il punto è che non ho capito come esprimere la corrente circolante nel lato con il generatore pilotato
La mia idea iniziale era quella di applicare una LKC al nodo 2 ottenendo la corrente suddetta in funzione delle altre due correnti afferenti al nodo, che sono note, in quanto una è erogata dal gen di corrente da 0.5 A e l'altra è calcolabile con una semplice legge di Ohm Ia= (V1-V2)/2Ω
2
voti
Vinus ha scritto:... in effetti il mio disegno era incompleto: ne riposto qui una versione più corretta...
... ma sempre incompleto rimane.
Vinus ha scritto: ... Come dovrebbe apparire evidente le tensioni ai nodi sono note ...
...hai ragione , è più che evidente!
Vinus ha scritto: ... il problema consiste nella determinazione della corrente Ib ecco perché avevo pensato di applicare una LKC al nodo 3,...
... sembrerebbe una buona idea
Vinus ha scritto: ... ma il punto è che non ho capito come esprimere la corrente circolante nel lato con il generatore pilotato ... La mia idea iniziale era quella di applicare una LKC al nodo 2 ...
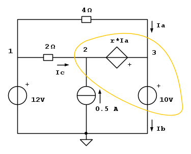
... la Ib puoi trovarla anche passando attraverso questo calcolo, ma volendo, come spesso si usa in presenza di rami con soli generatori di tensione, si può usare anche "un taglio" diverso ... ovvero che tagli solo rami nei quali la corrente è nota; a volte li chiamano "supernodi".
Resta il fatto che non hai risposto alle mie domande
"Il circuito ha sempre ragione" (Luigi Malesani)
1
voti
Ciao
Vinus , se potessi rivelare, ad esempio, quanto vale r magari potremmo capire meglio come muoverci, o vuoi una soluzione parametrica?
Inoltre
, fra le altre cose, lascia ad intendere che sia una corrente funzione di una variabile
... se vuoi proprio etichettarle sarebbe meglio usare
e 
Inoltre
, fra le altre cose, lascia ad intendere che sia una corrente funzione di una variabile
... se vuoi proprio etichettarle sarebbe meglio usare
e 
-

rusty
4.075 2 9 11 - Utente disattivato per decisione dell'amministrazione proprietaria del sito
- Messaggi: 1578
- Iscritto il: 25 gen 2009, 13:10
-1
voti
Allora ringrazio
RenzoDF, soprattutto per le utili rampognate: in effetti sono stato molto oscuro... specifico che:
1) lo scopo del problema era quello di utilizzare il metodo dei potenziali ai nodi senza usare un nodo generalizzato... diciamo che è questo il motivo per cui mi sono ostinato ad utilizzare questa strada
2) per di più il guadagno r del generatore di tensione pilotato in corrente è un'incognita del problema
quanto alle altre domande di
rusty in effetti ho commesso un'imprecisione a scrivere "I(a)" in luogo di "Ia"... ho appena visto la pagina sul codice LaTex, senza la quale avrei continuato ad usare questa grafia poco chiara (anzitutto per me..)
1) lo scopo del problema era quello di utilizzare il metodo dei potenziali ai nodi senza usare un nodo generalizzato... diciamo che è questo il motivo per cui mi sono ostinato ad utilizzare questa strada
2) per di più il guadagno r del generatore di tensione pilotato in corrente è un'incognita del problema
quanto alle altre domande di
1
voti
Vinus ha scritto:... lo scopo del problema era quello di utilizzare il metodo dei potenziali ai nodi senza usare un nodo generalizzato... diciamo che è questo il motivo per cui mi sono ostinato ad utilizzare questa strada...
... ah ecco come si chiama, nodo generalizzato
Vinus ha scritto: ... per di più il guadagno r del generatore di tensione pilotato in corrente è un'incognita del problema ...
... davvero interessante,... ci sono altri dati che possiamo conoscere o pensi di completare l'elenco per Ferragosto
BTW delle correnti I(a) e I(b) avevo già chiesto in [2], ma probabilmente ti era sfuggito.
"Il circuito ha sempre ragione" (Luigi Malesani)
0
voti
RenzoDF ha scritto:ci sono altri dati che possiamo conoscere o pensi di completare l'elenco per Ferragosto
Beh, spero di riuscire a venirne a capo, per quella data... ad ogni modo credo di non aver trascurato più nulla: le tensioni e le resistenze sono tutte note e le incognite sono la corrente Ib relativa al lato contenente il generatore da 12V in basso a destra, e il guadagno del generatore pilotato... ad ogni modo entro oggi cercherò di risolvere l'esercizietto da me
Grazie ancora
1
voti
Vinus ha scritto:... ad ogni modo credo di non aver trascurato più nulla: le tensioni ... sono tutte note ...
Eccone un'altra ... in che senso le tensioni sono tutte note?
"Il circuito ha sempre ragione" (Luigi Malesani)
0
voti
RenzoDF ha scritto:Vinus ha scritto:... ad ogni modo credo di non aver trascurato più nulla: le tensioni ... sono tutte note ...
Eccone un'altra ... in che senso le tensioni sono tutte note?
Un momento: forse sto più a terra di quanto non pensassi.. non è corretto dire "le tensioni sono tutte note" per esprimere il fatto che le tensioni ai nodi che nel disegno avevo riportato numerando "1, 2, 3" sono da ritersi note??
Nel senso che non vedo quali altre tensioni si potrebbero considerare, adottando il metodo dei potenziali ai nodi.
Poi il nodo in basso è stato collegato a massa...
18 messaggi
• Pagina 1 di 2 • 1, 2
Torna a Elettrotecnica generale
Chi c’è in linea
Visitano il forum: Nessuno e 26 ospiti

Elettrotecnica e non solo (admin)
Un gatto tra gli elettroni (IsidoroKZ)
Esperienza e simulazioni (g.schgor)
Moleskine di un idraulico (RenzoDF)
Il Blog di ElectroYou (webmaster)
Idee microcontrollate (TardoFreak)
PICcoli grandi PICMicro (Paolino)
Il blog elettrico di carloc (carloc)
DirtEYblooog (dirtydeeds)
Di tutto... un po' (jordan20)
AK47 (lillo)
Esperienze elettroniche (marco438)
Telecomunicazioni musicali (clavicordo)
Automazione ed Elettronica (gustavo)
Direttive per la sicurezza (ErnestoCappelletti)
EYnfo dall'Alaska (mir)
Apriamo il quadro! (attilio)
H7-25 (asdf)
Passione Elettrica (massimob)
Elettroni a spasso (guidob)
Bloguerra (guerra)





