
Diodo 1N5408 per transistor MJ4502
Moderatori:
carloc,
g.schgor,
BrunoValente,
IsidoroKZ
0
voti
salve a tutti ,volevo esporvi un piccolo dubbio in merito al diodo da interporre tra la base e l'emettitore di un transistor mJ 4502 ovvero,occorrerebbe un 1n 5004 ma ho scoperto di avere tra varie cosette un 1n 5408...la mia domanda è :posso inserire quest'ultimo al posto del precedente per evitare di comprarne un altro?ho confrontato i due e ho visto che la differenza sta nella corrente inversa e di funzionamento ...grazie anticipatamente. 

0
voti
Mi piacerebbe sapere perche' hai aperto un altro thread per lo stesso progetto.
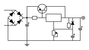
A parte questo, mi pare tu stia facendo un po' di confusione; di seguito c'e' lo schema che vorresti realizzare:
e non mi sembra di vedere nessun diodo tra la base e l'emettitore del transistor.
A parte questo, mi pare tu stia facendo un po' di confusione; di seguito c'e' lo schema che vorresti realizzare:
e non mi sembra di vedere nessun diodo tra la base e l'emettitore del transistor.
marco
0
voti
Ultima modifica di
marco438 il 24 ott 2012, 20:55, modificato 1 volta in totale.
Motivazione: Ridimensionato schema lenzuolo
Motivazione: Ridimensionato schema lenzuolo
0
voti
si l'ho visto ma nello schema di cui dispongo oltre alla resistenzache hai messo pure tu....ho in parallelo un diodo e altrettanti due diodi(1n4007)a protezione del regolatore,sinceramente non ho capito la funzione di quel diodoin parallelo,volevo domandarvi anche questo...
0
voti
Vedo che ancora una volta vuoi percorrere strade diverse da quelle che ti vengono indicate.
Se poi non vediamo lo schema di cui parli, difficilmente ti si potranno dare spiegazioni in merito.
Se continuiamo di questo passo, penso che il tuo alimentatore rimarra' solo un'idea.

Se poi non vediamo lo schema di cui parli, difficilmente ti si potranno dare spiegazioni in merito.
Se continuiamo di questo passo, penso che il tuo alimentatore rimarra' solo un'idea.

marco
0
voti
ma no..l'alimentatore è già fatto,non sono cosi' tonto dai..,se magari dessi un'occhiata anche tu in giro ti accorgeresti che ci sono delgi schemi che prevedono questo diodo nel 4502 nn me lo invento,n quanto allo schema non c'è niente da illustrare perché è come quello che mi hai postato tu..ne piu' ne meno...sn tutti uguali...non parliamo di schemi megagalattici...
1
voti
menu ha scritto:se magari dessi un'occhiata anche tu in giro ti accorgeresti che ci sono delgi schemi che prevedono questo diodo nel 4502 non me lo invento,
Non ricordo di aver mai visto uno schema con un diodo messo in quel modo, e non riesco neanche a capire con sicurezza a che cosa serva. Hai un link a uno di quegli schemi di cui parlavi?
Per usare proficuamente un simulatore, bisogna sapere molta più elettronica di lui
Plug it in - it works better!
Il 555 sta all'elettronica come Arduino all'informatica! (entrambi loro malgrado)
Se volete risposte rispondete a tutte le mie domande
Plug it in - it works better!
Il 555 sta all'elettronica come Arduino all'informatica! (entrambi loro malgrado)
Se volete risposte rispondete a tutte le mie domande
Chi c’è in linea
Visitano il forum: Nessuno e 42 ospiti

Elettrotecnica e non solo (admin)
Un gatto tra gli elettroni (IsidoroKZ)
Esperienza e simulazioni (g.schgor)
Moleskine di un idraulico (RenzoDF)
Il Blog di ElectroYou (webmaster)
Idee microcontrollate (TardoFreak)
PICcoli grandi PICMicro (Paolino)
Il blog elettrico di carloc (carloc)
DirtEYblooog (dirtydeeds)
Di tutto... un po' (jordan20)
AK47 (lillo)
Esperienze elettroniche (marco438)
Telecomunicazioni musicali (clavicordo)
Automazione ed Elettronica (gustavo)
Direttive per la sicurezza (ErnestoCappelletti)
EYnfo dall'Alaska (mir)
Apriamo il quadro! (attilio)
H7-25 (asdf)
Passione Elettrica (massimob)
Elettroni a spasso (guidob)
Bloguerra (guerra)






