Accensioni luci e soccorritore

Progettazione, esercizio, manutenzione, sicurezza, leggi, normative...

Moderatori: Foto Utentesebago, Foto UtenteMASSIMO-G, Foto Utentelillo, Foto UtenteMike

Avatar utente
Foto UtenteEmanuele78
135 1 3 8
Sostenitore
Sostenitore
Messaggi: 502
Iscritto il: 15 mar 2010, 16:53
0
voti

[1] Accensioni luci e soccorritore

Messaggioda Foto UtenteEmanuele78 » 25 ott 2012, 20:38

Ciao a tutti, di seguito vi sintetizzo il caso.

PROBLEMA:
Dovrei gestire l'accensione di una serie di luci, da 4 interruttori A,B,C e D.
Avendo una fornitura trifase, ho suddiviso i circuiti luci sulle tre fasi per tenerle bilanciate (in termini di carico).
Inoltre per ogni circuito di luci avrei la necessità di utilizzare alcune lampade come illuminazione di sicurezza, alimentandole con un soccorritore off line.
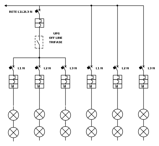
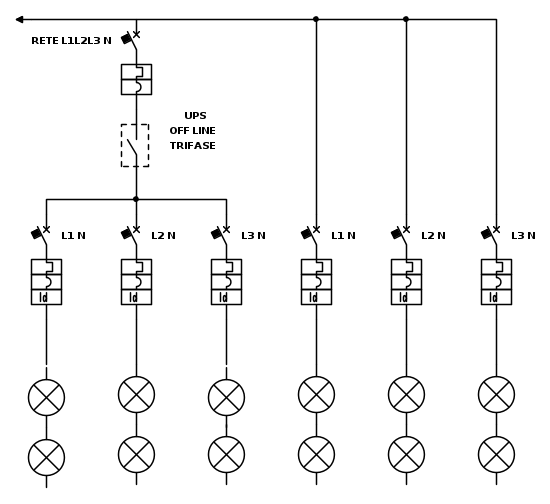
schema.jpg
schema.jpg (45.23 KiB) Visto 4661 volte

POSSIBILE SOLUZIONE:
Volendo acquistare un soccorritore monofase, ho risolto la questione come da allegato.

QUESITO:
Data la mia poca esperienza.. esiste un modo più semplice per arrivare al risultato o può andare bene quello che ho ipotizzato?
Essendo un circuito di sicurezza, posso collegarmi alla dorsale della fila di luci (come nello schema allegato) o devo per forza arrivare col circuito su ogni luce?

Grazie a tutti per il Vs contributo.
Ultima modifica di Foto Utentemir il 25 ott 2012, 22:35, modificato 1 volta in totale.
Motivazione: immagine ridimensionata : per allegare le immagini ridimensionarle opportunamente (640x480 in jpg) Grazie.

Avatar utente
Foto UtenteEmanuele78
135 1 3 8
Sostenitore
Sostenitore
Messaggi: 502
Iscritto il: 15 mar 2010, 16:53
0
voti

[2] Re: Accensioni luci e soccorritore

Messaggioda Foto UtenteEmanuele78 » 25 ott 2012, 21:03

Oppure potrei utilizzare un SOCCORRITORE TRIFASE off line e
lo schema potrebbe essere come in allegato, che ne dite?
Allegati
schema accensioni 2.pdf
(334.39 KiB) Scaricato 206 volte

Avatar utente
Foto Utentemir
66,0k 9 12 13
G.Master EY
G.Master EY
Messaggi: 21870
Iscritto il: 19 ago 2004, 21:10
Contatta:
1
voti

[3] Re: Accensioni luci e soccorritore

Messaggioda Foto Utentemir » 25 ott 2012, 22:37

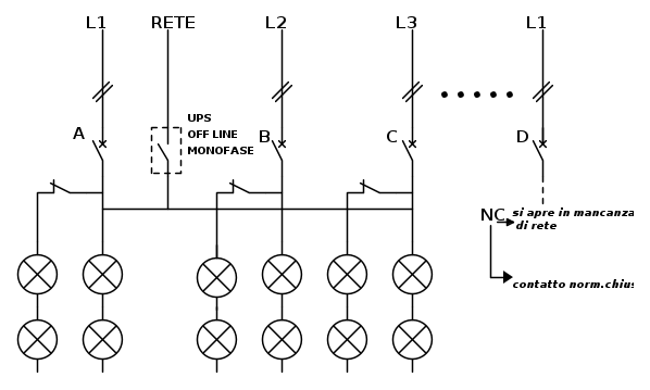
Salve Foto UtenteEmanuele78, allegare schemi con link o fike esterni è scomodo per chi vorrà e potrà risponderti, è consigliabile utilizzare il software disponibile nel forum, ovvero il semplice e potente fidocadj, info nella voce Help nel menu a tendina in alto.
riproduco con fidocadj il tuo schema precedente...

Avatar utente
Foto UtenteCGIUSEPPE61
482 1 3 5
Expert EY
Expert EY
Messaggi: 578
Iscritto il: 2 feb 2009, 17:05
0
voti

[4] Re: Accensioni luci e soccorritore

Messaggioda Foto UtenteCGIUSEPPE61 » 25 ott 2012, 22:53

Non riesco a capire il funzionamento del circuito.
A-B-C- Sono gli interruttori di protezione e comando delle luci con alimentazione ordinaria.

Nel momento in cui entra in funzione il soccorritore , dovrebbero aprirsi il contatto che alimenta una parte di luci per singola fase, ma alimentando il resto con la conseguenza di alimentare anche il distributore di energia se gli interruttori A-B-C risultassero chiusi.

Almeno questo è quello che io intravedo tramite schema , mi sbaglio :?: :?:

Saluti

Avatar utente
Foto UtenteCGIUSEPPE61
482 1 3 5
Expert EY
Expert EY
Messaggi: 578
Iscritto il: 2 feb 2009, 17:05
0
voti

[5] Re: Accensioni luci e soccorritore

Messaggioda Foto UtenteCGIUSEPPE61 » 25 ott 2012, 23:10

Essendo un circuito di sicurezza, posso collegarmi alla dorsale della fila di luci (come nello schema allegato) o devo per forza arrivare col circuito su ogni luce?


Come riferito da me nel post precedente non mi risulterebbe idoneo il tipo di funzionamento sempre se non ho interpretato in modo errato il circuito.

Non ho chiaro se l'impianto di emergenza deve essere del tipo di illuminazione di riserva ( praticamente per continuare l'attività anche in mancanza di rete ) o di sicurezza ( in questo caso serve per fornire un livello di sicurezza alle persone che viene a mancare l'illuminazione ordinaria e quindi evitare che accadano incidenti o situazioni pericolose).
Per il primo caso non riguardando la sicurezza , leggi e norme non se ne occupano in modo esplicito, mentre se usata anche per illuminazione di sicurezza, allora ad essa si applicano , come evidente tutte le leggi e le norme applicabili a tal senso.

Saluti

Avatar utente
Foto UtenteEmanuele78
135 1 3 8
Sostenitore
Sostenitore
Messaggi: 502
Iscritto il: 15 mar 2010, 16:53
0
voti

[6] Re: Accensioni luci e soccorritore

Messaggioda Foto UtenteEmanuele78 » 25 ott 2012, 23:37

Hai ragione, lo schema non funziona.
Quello però postato su file PDF dovrebbe essere corretto.
L'illuminazione è di sicurezza.
L'idea sarebbe quella di utilizzare, come lampade di sicurezza, alcune delle lampade di illuminazione ordinaria. C'è qualche norma che lo impedisce?

Avatar utente
Foto UtenteCGIUSEPPE61
482 1 3 5
Expert EY
Expert EY
Messaggi: 578
Iscritto il: 2 feb 2009, 17:05
1
voti

[7] Re: Accensioni luci e soccorritore

Messaggioda Foto UtenteCGIUSEPPE61 » 25 ott 2012, 23:55

Emanuele78 ha scritto:Hai ragione, lo schema non funziona.
Quello però postato su file PDF dovrebbe essere corretto.
L'illuminazione è di sicurezza.
L'idea sarebbe quella di utilizzare, come lampade di sicurezza, alcune delle lampade di illuminazione ordinaria. C'è qualche norma che lo impedisce?


No, nessuno te lo impedisce , ma dovrai rispettare la norma di riferimento. Quindi linee separate da quelle ordinarie ecc.



Avatar utente
Foto Utentemir
66,0k 9 12 13
G.Master EY
G.Master EY
Messaggi: 21870
Iscritto il: 19 ago 2004, 21:10
Contatta:
0
voti

[8] Re: Accensioni luci e soccorritore

Messaggioda Foto Utentemir » 26 ott 2012, 9:17

Emanuele78 ha scritto:Quello però postato su file PDF dovrebbe essere corretto.

certo ma realizzato con fidocadj si legge meglio ;-)

Avatar utente
Foto UtenteMike
55,6k 7 10 12
G.Master EY
G.Master EY
Messaggi: 17010
Iscritto il: 1 ott 2004, 18:25
Località: Conegliano (TV)
Contatta:
1
voti

[9] Re: Accensioni luci e soccorritore

Messaggioda Foto UtenteMike » 26 ott 2012, 9:48

I circuiti di illuminazione di sicurezza centralizzata devono essere separati da quelli ordinari, bisogna garantire l'indipendenza dei circuiti che riguarda anche l'influenza tra i dispositivi di comando e protezione, inoltre i circuiti di sicurezza è raccomandato non proteggerli dalle sovracorrenti, si deve garantire selettività e per la protezione dai contatti indiretti è consigliabile utilizzare sistemi alternativi all'uso dei differenziali, l'UPS deve essere dichiarato idoneo per gli impianti di illuminazione di sicurezza centralizzati.
--
Michele Lysander Guetta
--
"Non pensare mai al dolore, al pericolo o ai nemici un momento più lungo del necessario per combatterli." — Ayn Rand

Avatar utente
Foto Utentemarcovr
0 2
Messaggi: 4
Iscritto il: 26 feb 2014, 16:03
0
voti

[10] Re: Accensioni luci e soccorritore

Messaggioda Foto Utentemarcovr » 26 feb 2014, 16:23

Scusate, ma nessuno si è accorto del corto trifase nel PDF??


Torna a “Impianti, sicurezza e quadristica”