Collegamento salvavita
Moderatori:
sebago,
MASSIMO-G,
lillo,
Mike
4 messaggi
• Pagina 1 di 1
0
voti
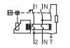
Dovrei collegare questo salvavita in un impianto, però non sono indicati gli ingressi e le uscite. Ho messo in allegato lo schema presente sul dispositivo, sapreste indicarmi quali sono gli ingressi e le uscite?
- Allegati
-
- Cattura.PNG (2.65 KiB) Osservato 2460 volte
-

JohnnyFerrari
0 2 - Messaggi: 4
- Iscritto il: 1 nov 2012, 16:39
0
voti
Trattandosi di un differenziale 1p+N Da quel che vedo il morsetto 1 e relativo neutro va collegato a monte (1 fase e n ovviamente neutro)mentre a valle devi collegare il morsetto due con relativo neutro.
In poche parole ,ingresso 1 e N - uscita 2 e N
In poche parole ,ingresso 1 e N - uscita 2 e N
0
voti
lo dico sempre... con fidocadj viene meglio,un immagine vale molto più di .....
4 messaggi
• Pagina 1 di 1
Torna a Impianti, sicurezza e quadristica
Chi c’è in linea
Visitano il forum: Nessuno e 49 ospiti

Elettrotecnica e non solo (admin)
Un gatto tra gli elettroni (IsidoroKZ)
Esperienza e simulazioni (g.schgor)
Moleskine di un idraulico (RenzoDF)
Il Blog di ElectroYou (webmaster)
Idee microcontrollate (TardoFreak)
PICcoli grandi PICMicro (Paolino)
Il blog elettrico di carloc (carloc)
DirtEYblooog (dirtydeeds)
Di tutto... un po' (jordan20)
AK47 (lillo)
Esperienze elettroniche (marco438)
Telecomunicazioni musicali (clavicordo)
Automazione ed Elettronica (gustavo)
Direttive per la sicurezza (ErnestoCappelletti)
EYnfo dall'Alaska (mir)
Apriamo il quadro! (attilio)
H7-25 (asdf)
Passione Elettrica (massimob)
Elettroni a spasso (guidob)
Bloguerra (guerra)



