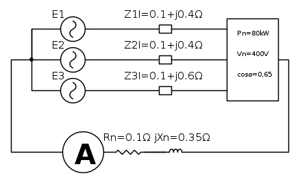
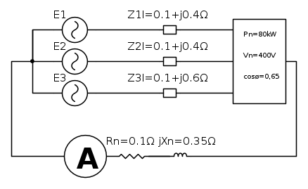
Salve a tutti sono nuovo del forum volevo chiedere un aiuto per un'esercizio che mi sta facendo ammattire questo è il testo: Il sistema trifase di figura è alimentato da una terna diretta di tensioni simmetriche. Sapendo che prima del rifasamento la corrente letta dall’amperometro ideale è pari a 5 A (valore efficace), ricavare: a) il valore efficace della tensione del generatore trifase.
Non riesco a capire come calcorare la tensione se potete gentilmente aiutarmi!

Circuito trifase 4 fili squilibrato
Moderatori:
g.schgor,
IsidoroKZ
12 messaggi
• Pagina 1 di 2 • 1, 2
0
voti
credo tu ti riferisca al disegno!comunque eccolo qua!scusate ancora mea culpa non avevo letto le regole!!
0
voti
-Schematizzi il carico con tre impedenze a stella, in base ai suoi dati nominali
-Con la corrente misurata dall'amperometro determini la tensione tra i due centri stella
-Con Millman scrivi l'equazione della tensione tra i due centri stella che ha come unica incognita il valore efficace della tensione dei generatori
-Con la corrente misurata dall'amperometro determini la tensione tra i due centri stella
-Con Millman scrivi l'equazione della tensione tra i due centri stella che ha come unica incognita il valore efficace della tensione dei generatori
0
voti
Grazie per la risposta!i primi due punti li avevo trovati non capivo come applicarci Millman!
0
voti
questa è l'equazione di Millman che devo applicare giusto? con
e la
è la tensione tra il centro stella dei generatori e quello delle impedenze trasformate che è nota, dato che l'ho ricavata con la misura dell'amperometro per le impedenza del neutro.

e la
è la tensione tra il centro stella dei generatori e quello delle impedenze trasformate che è nota, dato che l'ho ricavata con la misura dell'amperometro per le impedenza del neutro.
0
voti
admin ha scritto:equazione della tensione tra i due centri stella che ha come unica incognita il valore efficace della tensione dei generatori
quale?
comunque l'uguaglianza delle tensioni era per identificare la simmetria delle tensioni!
0
voti
Pando ha scritto:quale?

Pando ha scritto:l'uguaglianza delle tensioni era per identificare la simmetria delle tensioni!
Meglio se ripassi bene cosa significa simmetria delle tensioni
0
voti
ok!grazie ha ragione ho confuso un po le cose!!
però se ho un sistema simmetrico di tensioni ho una terna pura, quindi la somma delle tensioni è sempre nulla!no?
però se ho un sistema simmetrico di tensioni ho una terna pura, quindi la somma delle tensioni è sempre nulla!no?
12 messaggi
• Pagina 1 di 2 • 1, 2
Torna a Elettrotecnica generale
Chi c’è in linea
Visitano il forum: Google Adsense [Bot] e 66 ospiti

Elettrotecnica e non solo (admin)
Un gatto tra gli elettroni (IsidoroKZ)
Esperienza e simulazioni (g.schgor)
Moleskine di un idraulico (RenzoDF)
Il Blog di ElectroYou (webmaster)
Idee microcontrollate (TardoFreak)
PICcoli grandi PICMicro (Paolino)
Il blog elettrico di carloc (carloc)
DirtEYblooog (dirtydeeds)
Di tutto... un po' (jordan20)
AK47 (lillo)
Esperienze elettroniche (marco438)
Telecomunicazioni musicali (clavicordo)
Automazione ed Elettronica (gustavo)
Direttive per la sicurezza (ErnestoCappelletti)
EYnfo dall'Alaska (mir)
Apriamo il quadro! (attilio)
H7-25 (asdf)
Passione Elettrica (massimob)
Elettroni a spasso (guidob)
Bloguerra (guerra)



![\[\begin{array}{l}
{{\dot E}_1} = E\angle 0 = E\\
{{\dot E}_2} = E\angle - 120^\circ = E\left( { - \frac{1}{2} - {\rm{j}}\frac{{\sqrt 3 }}{2}} \right)\\
{{\dot E}_3} = E\angle + 120^\circ = E\left( { - \frac{1}{2} + {\rm{j}}\frac{{\sqrt 3 }}{2}} \right)
\end{array}\] \[\begin{array}{l}
{{\dot E}_1} = E\angle 0 = E\\
{{\dot E}_2} = E\angle - 120^\circ = E\left( { - \frac{1}{2} - {\rm{j}}\frac{{\sqrt 3 }}{2}} \right)\\
{{\dot E}_3} = E\angle + 120^\circ = E\left( { - \frac{1}{2} + {\rm{j}}\frac{{\sqrt 3 }}{2}} \right)
\end{array}\]](/forum/latexrender/pictures/10c359f4691a7a1b94781221c47eff03.png)