Cos'è ElectroYou | Login Iscriviti

ElectroYou - la comunità dei professionisti del mondo elettrico

esercizio sistema trifase

Circuiti, campi elettromagnetici e teoria delle linee di trasmissione e distribuzione dell’energia elettrica

Moderatori: Foto Utenteg.schgor, Foto UtenteIsidoroKZ

0
voti

[1] esercizio sistema trifase

Messaggioda Foto Utentetipu91 » 15 gen 2013, 15:03



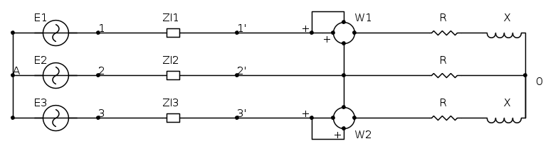
questo è il testo del Problema (e la P maiuscola non è un caso) che ho dovuto affrontare ieri nell'esame... il testo recita:
"il sistema trifase di figura è alimentato da una TERNA DIRETTA DI TENSIONI SIMMETRICHE di valore efficace incognito e frequenza f=50 Hz. conoscendo le caratteristiche geometriche della linea (diametro dei conduttori e distanza tra essi) e la potenza complessivamente letta dai due wattmetri, si chiede di determinare: A) il valore efficace della tensione concatenata relativa all'alimentazione; B)la tensione letta dal voltmetro (ideale) inserito sul conduttore neutro ad una distanza pari a \frac{l}{3} dall'inizio della linea; C) la batteria di condensatori (in kvar) in grado di rifasare a \cos \varphi _r=0,9."
I dati mancanti nel disegno sono: R=10\Omega; X=20\Omega; le letture dei wattmetri W_1 e W_2 P=P_1_2 + P_3_2 =4,4 kW e \rho =0,016 \frac{\Omega \cdot mm^{2}}{m}
i miei dubbi riguardano più che altro i primi due punti. chiedo aiuto a voi per avere una linea guida per la risoluzione, io nel frattempo vi posterò la traccia della mia soluzione (devo scriverla in Latex quindi ci metterò un pochino :? )
Avatar utente
Foto Utentetipu91
1.015 6 13
Expert EY
Expert EY
 
Messaggi: 229
Iscritto il: 12 nov 2012, 18:46
Località: Pisa

0
voti

[2] Re: esercizio sistema trifase

Messaggioda Foto Utentetipu91 » 15 gen 2013, 15:51

una delle prime considerazioni da fare (che non ho capito molto bene) è il fatto che nel conduttore neutro non passi corrente: questo perché? perche il VOLTMETRO IDEALE (di resistenza \infty) è inserito in serie e di conseguenza non permette il passagio di corrente?
una volta fatta questa considerazione si procede al calcolo delle induttanze della linea (e successivamente delle impedenze di linea) considerandola un sistema a 3 fili:
L_h_k=\frac{\mu _0\cdot l}{2\pi }\cdot \left [ \frac{1}{2}+2\ln (\frac{D_h_k}{\frac{d}{2}}) \right ] (dato che tutti i conduttori hanno lo stesso diametro) che a conti fatti ci da i seguenti risultati: L_1_2=L_2_3=L_2_n=6,6 mH, L_1_3=7,2 mH e L_3_n=L_1_n=6,8 mH... mentre per calcolare le resistenze delle linee (sono tutte uguali, compresa quella del conduttore neutro) R_l=\rho \frac{l}{s}\approx 1\Omega con s=(\frac{d}{2})^2 \pi
e infine le corrispondenti impedenze di linea: \bar{Z}_l_1=R_l+j\omega (\frac{L_1_2+L_1_3-L_2_3}{2})=1+j1,13\Omega; \bar{Z}_l_2=R_l+j\omega (\frac{L_1_2+L_2_3-L_1_3}{2})=1+j0,94\Omega e \bar{Z}_l_3=R_l+j\omega (\frac{L_1_3+L_2_3-L_1_2}{2})=1+j1,13\Omega... a questo punto il sistema si riduce a
al quale possiamo applicare il Teorema di MILLMAN per calcore la tensione \dot{V}_0_A in funzione del valore efficace di\dot{E}_1 (E, con \dot{E}_1=E perché preso a fase zero come "fasore presunto") quindi riducendo le tre tensioni incognite ad un'unica incognita data la simmetria delle tensioni (\dot{E}_2=\dot{E}_1\cdot \alpha ^2 e \dot{E}_3=\dot{E}_1\cdot \alpha)..
A questo punto si sfrutta la lettura dei Wattmetri per calcolare le tre correnti di linea (in valore efficace) sempre in funzione di E (con la legge di Ohm), così facendo si ha un'equazione in una sola incognita che ci permetterà infine di calcolarci la tensione concatenata (V_l=E\sqrt{3})... questa dovrebbe essere la soluzione della prima domanda, che ne dite????

PS per l'ultima parte del problema appena risolto il sistema da considerare è il seguente, con le considerazioni fatte precedentemente:
Avatar utente
Foto Utentetipu91
1.015 6 13
Expert EY
Expert EY
 
Messaggi: 229
Iscritto il: 12 nov 2012, 18:46
Località: Pisa

0
voti

[3] Re: esercizio sistema trifase

Messaggioda Foto Utentetipu91 » 15 gen 2013, 16:49

i risultati di questa prima parte sono (se tutto torna):
E=15,5 V e V_l=26,85 V.. mi "puzzano" un pochino come valori, il procedimento che ho usato è quello scritto in precedenza!!

PS nel conduttore 3 mi torna che la corrente che circola è uguale a 0, possibile??
Avatar utente
Foto Utentetipu91
1.015 6 13
Expert EY
Expert EY
 
Messaggi: 229
Iscritto il: 12 nov 2012, 18:46
Località: Pisa

0
voti

[4] Re: esercizio sistema trifase

Messaggioda Foto UtenteRenzoDF » 15 gen 2013, 19:58

Direi che se a Pisa inseriscono un voltmetro in un problema, specificandone la "posizione", non è di certo per vedere se c'è qualche studente addormentato. ;-) ... ad ogni modo posso anche sbagliarmi. :-)
"Il circuito ha sempre ragione" (Luigi Malesani)
Avatar utente
Foto UtenteRenzoDF
55,9k 8 12 13
G.Master EY
G.Master EY
 
Messaggi: 13189
Iscritto il: 4 ott 2008, 9:55

0
voti

[5] Re: esercizio sistema trifase

Messaggioda Foto Utentetipu91 » 15 gen 2013, 20:01

in realtà la posizione del voltmetro non era importante giusto? :D altrimenti vuol dire che non ho capito niente :oops: quello che volevo sapere era il discorso del (non) passaggio di corrente nel neutro.. è per via del Voltmetro?? e comunque sono andato avanti nella risoluzione del problema (domanda B, ma non torna) :?
Avatar utente
Foto Utentetipu91
1.015 6 13
Expert EY
Expert EY
 
Messaggi: 229
Iscritto il: 12 nov 2012, 18:46
Località: Pisa

0
voti

[6] Re: esercizio sistema trifase

Messaggioda Foto UtenteRenzoDF » 15 gen 2013, 21:33

tipu91 ha scritto:... in realtà la posizione del voltmetro non era importante giusto?

Ripeto, se non fosse importante, sarebbe un trabocchetto troppo banale dal punto di vista del prestigio H-demico dell'ateneo, sarebbe ammissibile solo in un istituto tecnico, non a Pisa, in un tema d'esame direi che non si possano fare di questi scherzi.
La posizione del voltmetro quindi potrebbe essere importante.

tipu91 ha scritto: ... quello che volevo sapere era il discorso del (non) passaggio di corrente nel neutro.. è per via del Voltmetro??

Non ci sarà di certo passaggio di corrente nel voltmetro ideale, ma per quanto riguarda la corrente nel neutro potrebbe anche esserci se, invece di limitarsi a modellare la linea con i soli parametri longitudinali, andiamo a considerare anche quelli trasversali.

tipu91 ha scritto:... e comunque sono andato avanti nella risoluzione del problema (domanda B, ma non torna) :?

In che senso? ... che non corrisponde alla soluzione ufficiale?

Ti confesso che sarei davvero curioso di leggere il testo originale sillaba per sillaba, virgole comprese.

BTW con che Prof, stai studiando? :roll: ... forse me lo hai già detto ma non ricordo più il suo nome ... a pensarci bene se è Rizzo, uno scherzo del genere potrebbe anche averlo fatto! :mrgreen: ... visto i numerosi gioghi in "aluminum" che piazza spesso nei circuiti magnetici. :D
"Il circuito ha sempre ragione" (Luigi Malesani)
Avatar utente
Foto UtenteRenzoDF
55,9k 8 12 13
G.Master EY
G.Master EY
 
Messaggi: 13189
Iscritto il: 4 ott 2008, 9:55

1
voti

[7] Re: esercizio sistema trifase

Messaggioda Foto UtenteRenzoDF » 15 gen 2013, 22:07

Trovato :ok:

rr.gif
rr.gif (17.67 KiB) Osservato 1425 volte


potrebbe essere proprio uno scherzetto di Rocco. :D
"Il circuito ha sempre ragione" (Luigi Malesani)
Avatar utente
Foto UtenteRenzoDF
55,9k 8 12 13
G.Master EY
G.Master EY
 
Messaggi: 13189
Iscritto il: 4 ott 2008, 9:55

0
voti

[8] Re: esercizio sistema trifase

Messaggioda Foto Utentetipu91 » 15 gen 2013, 23:46

si è proprio quello!! :D il testo l'avevo scritto sillaba per sillaba ;-) la soluzione ufficiale non ce l'ho, ma dopo la consegna ha fatto vedere delle slide con la soluzione dei problemi e mi sono preso gli appunti (tutti in 10 min) e, se non ho sbagliato a scivere, la lettura del voltmetro è 100V!! per quanto riguarda i corso di ELETTROTECNICA 1, se si studiano linee CORTE (<40/50 km) con tensioni di esercizio inferiori a 20/25 kV, si possono trascurare i parametri trasversali!!
Avatar utente
Foto Utentetipu91
1.015 6 13
Expert EY
Expert EY
 
Messaggi: 229
Iscritto il: 12 nov 2012, 18:46
Località: Pisa

0
voti

[9] Re: esercizio sistema trifase

Messaggioda Foto UtenteRenzoDF » 16 gen 2013, 0:41

tipu91 ha scritto:... il testo l'avevo scritto sillaba per sillaba

Non proprio, mi sembra che mancasse la lunghezza.

tipu91 ha scritto:... se si studiano linee CORTE (<40/50 km) con tensioni di esercizio inferiori a 20/25 kV, si possono trascurare i parametri trasversali!!

Stai confondendo un problema H-demico con un problema reale; secondo te è realistico trasmettere alcuni kilowatt ad un carico distante alcuni kilometri alla tensione di poche centinaia di volt, con una linea di quel tipo? :-)
"Il circuito ha sempre ragione" (Luigi Malesani)
Avatar utente
Foto UtenteRenzoDF
55,9k 8 12 13
G.Master EY
G.Master EY
 
Messaggi: 13189
Iscritto il: 4 ott 2008, 9:55

0
voti

[10] Re: esercizio sistema trifase

Messaggioda Foto Utentetipu91 » 16 gen 2013, 1:35

giusto l=3,14 km.. comunque lo so, è uno studio puramente teorico in questo caso... penso che questi argomenti li affronterò nel prossimo semestre (e in parte sono stati ripresi ad ELETTROTECNICA 2) ;-)
Avatar utente
Foto Utentetipu91
1.015 6 13
Expert EY
Expert EY
 
Messaggi: 229
Iscritto il: 12 nov 2012, 18:46
Località: Pisa

Prossimo

Torna a Elettrotecnica generale

Chi c’è in linea

Visitano il forum: Nessuno e 61 ospiti