
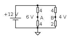
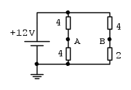
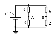
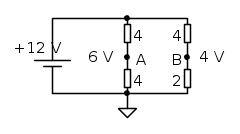
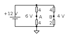
Penso di aver trovato nella maniera corretta la resistenza di Thevenin 3,73 ohm
Ora però non riesco a trovare la tensione di Thevenin... un aiutino per poter continuare )
Grazie in anticipo M.
Moderatori:
g.schgor,
IsidoroKZ



.Torna a Elettrotecnica generale
Visitano il forum: Nessuno e 25 ospiti