Timer circuito

Circuiti, campi elettromagnetici e teoria delle linee di trasmissione e distribuzione dell’energia elettrica

Moderatori: Foto Utenteg.schgor, Foto UtenteIsidoroKZ

Avatar utente
Foto Utentematteoz
0 2
Messaggi: 19
Iscritto il: 4 mag 2012, 15:53
0
voti

[1] Timer circuito

Messaggioda Foto Utentematteoz » 14 feb 2013, 13:49

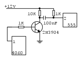
ciao a tutti, premetto che di elettronica/elettrotecnica non ne capisco molto, ho solo imparato e leggere i circuiti più semplici e a saldarli su una millefori... Comunque ho realizzato il circuito in allegato, preso dal sito reuk.co.uk.
Fino all'uscita dell'integrato 4060B sembra funzionare, nel senso che dopo il tempo stabilito il segnale in uscita dal pin specifico del 4060B passa da 0 a 12V ( nel mio caso, avendo bisogno di attivare un relè per X secondi ogni 3 ore ho utilizzato il pin 1 in base alla tabella apposita). Il problema è che il relè, che dovrebbe venire eccitato per pochi secondi quando il segnale in uscita dall' ne555 passa alto, risulta eccitato non appena attacco i 12 V !
Riassumendo, a parte il settaggio dei potenziometri per avere i tempi giusti di cui ho bisogno, il circuito dovrebbe attivare un relè per pochi secondi (x, che stabilirò in seguito variando i valori di C e R collegati all'ne 555 in base alla formula f= 1.1xCxR) ogni 3 ore( che ottengo regolando il potenziometro collegato al 4060B e usando il pin corretto), problema che non funziona...
Idee? grazie
Mi scuso per il disegno... spero si capisca..
Matteo
Ultima modifica di Foto Utentematteoz il 14 feb 2013, 14:05, modificato 1 volta in totale.

Avatar utente
Foto Utentemarco438
37,1k 7 11 13
-EY Legend-
-EY Legend-
Messaggi: 16323
Iscritto il: 24 mar 2010, 14:09
Località: Versilia
0
voti

[2] Re: Timer circuito

Messaggioda Foto Utentemarco438 » 14 feb 2013, 13:57

Ti invito a leggere le regole del forum tra le quali troverai quella che dice che gli schemi vanno postati dopo averli disegnati con FidoCadJ; cio' per dare maggiore visibilita' al circuito (il tuo schema e' in parte illeggibile per persone che come me hanno la vista corta :D ) e per permettere a chi interverra' nel thread di modificarlo o correggerlo senza doverlo ridisegnare ogni volta.
Basta cliccare sulla fascia rosa sopra i messaggi.
O_/

P.S. Piu' tardi, se non riesci a rieditare il messaggio, provvedo a cancellare quell'immagine.
marco

Avatar utente
Foto Utentematteoz
0 2
Messaggi: 19
Iscritto il: 4 mag 2012, 15:53
0
voti

[3] Re: Timer circuito

Messaggioda Foto Utentematteoz » 14 feb 2013, 14:03

ok ci provo... non sono molto esperto purtroppo... comunque... grazie

Avatar utente
Foto Utentemrc
10,5k 6 11 13
Expert EY
Expert EY
Messaggi: 4023
Iscritto il: 16 apr 2009, 9:32
Contatta:
0
voti

[4] Re: Timer circuito

Messaggioda Foto Utentemrc » 14 feb 2013, 14:08

Ciao.

matteoz ha scritto:... non sono molto esperto purtroppo...

Se ti può essere utile al seguente link trovi una semplice guida all' uso di FIDOCADJ:

http://www.electroyou.it/elettrodomus/w ... -per-tonni

Avatar utente
Foto Utenteg.schgor
57,8k 9 12 13
G.Master EY
G.Master EY
Messaggi: 16971
Iscritto il: 25 ott 2005, 9:58
Località: MILANO
Contatta:
0
voti

[5] Re: Timer circuito

Messaggioda Foto Utenteg.schgor » 14 feb 2013, 16:08

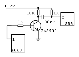
D'accordo sullo schema in FidocadJ, ma in quello pubblicato
noto un errore nel collegamento fra 4060 e 555: il trigger
del 555 (pin2) va pilotato con un breve impulso a 0V.
Fra il pin1 del 4060 e il pin2 del 555va messo uin circuito come questo:


Avatar utente
Foto Utentematteoz
0 2
Messaggi: 19
Iscritto il: 4 mag 2012, 15:53
0
voti

[6] Re: Timer circuito

Messaggioda Foto Utentematteoz » 14 feb 2013, 16:42

non riesco a postare circuito fidocadj.... riprovo
Allegati
timer jpg.jpg
timer
timer jpg.jpg (1.78 KiB) Visto 1752 volte
Ultima modifica di Foto Utentematteoz il 14 feb 2013, 17:04, modificato 2 volte in totale.

Avatar utente
Foto Utentemarco438
37,1k 7 11 13
-EY Legend-
-EY Legend-
Messaggi: 16323
Iscritto il: 24 mar 2010, 14:09
Località: Versilia
0
voti

[7] Re: Timer circuito

Messaggioda Foto Utentemarco438 » 14 feb 2013, 16:45

Ho idea che te lo sei perso da qualche parte :D
marco

Avatar utente
Foto Utentematteoz
0 2
Messaggi: 19
Iscritto il: 4 mag 2012, 15:53
0
voti

[8] Re: Timer circuito

Messaggioda Foto Utentematteoz » 14 feb 2013, 16:51

grazie, proverò... :-)

Avatar utente
Foto Utentemarco438
37,1k 7 11 13
-EY Legend-
-EY Legend-
Messaggi: 16323
Iscritto il: 24 mar 2010, 14:09
Località: Versilia
0
voti

[9] Re: Timer circuito

Messaggioda Foto Utentemarco438 » 14 feb 2013, 16:57

Evidentemente non hai letto fino in fondo le regole:
Dopo aver disegnato lo schema, evidenzialo e poi copialo con Ctrl+C; successivamente, nel messaggio, clicca su fcd e incolla con Ctrl+V.
Postare come immagine non serve a nulla perche' non e' possibile modificarlo, come gia' detto in precedenza.
(Tra l'altro non si vede un tubo!) :mrgreen:
Esiste poi anche il comando "anteprima" (a fianco a "invia") che permette di vedere cosa si sta pubblicando.
marco

Avatar utente
Foto Utentematteoz
0 2
Messaggi: 19
Iscritto il: 4 mag 2012, 15:53
0
voti

[10] Re: Timer circuito

Messaggioda Foto Utentematteoz » 14 feb 2013, 17:13

Ultima modifica di Foto Utentematteoz il 14 feb 2013, 17:17, modificato 1 volta in totale.


Torna a “Elettrotecnica generale”