Salve a tutti,
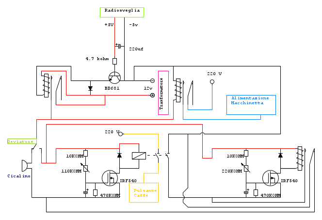
Allora, quello che vorrei fare io è collegare una macchinetta del caffè ad una radiosveglia, a tal proposito ho abbozzato il circuito allegato:
Voglio che all'attivazione della sveglia (sia che si attivi la radio o il buzzer) avvengano questi eventi in sequenza:
1) si accenda la macchinetta del caffè,
2) attenda il periodo tempo necessario per il riscaldamento della caldaia (Gestito dal primo temporizzatore, nel rettangolo blu in basso a sinistra)
3) Controlli l'inserimento della cialda per poter fare il caffè, o in caso contrario arrestare il processo (interruttore\deviatore a sinistra del primo temporizzatore)
4) A cialda inserita faccia il caffè della lunghezza definita dal secondo temporizzatore (rettangolo blu sulla destra)
5) nel caso in cui la cialda non fosse inserita, suoni un cicalino e non faccia il caffè fino a inserimento della cialda avvenuto (sempre grazie all'interruttore\deviatore sulla sinistra del 1 temporizzatore).
spiego adesso passo passo quello che ho fatto:
Praticamente ho cercato un punto nella radiosveglia, dove poter prendere un "segnale" che sia in grado di eccitare un relè quando suona la sveglia... ma quello che sono riuscito a trovare è un segnale, che a riposo si attesta sui 0.5 V, quando invece suona la sveglia, sale da un minimo di 5 V, ad un massimo di 8v, in base al volume ed al segnale della radio!
Da lì ho pensato di collegare un transistor, e ho cercato prima di capire come funzioni, poi ho capito come calcolare la resistenza da collegare sulla base del transistor in base allo stesso... ed ho dato un occhiata proprio a questo post ( viewtopic.php?f=1&t=9569 )
Da lì ho provato a fare un paio di calcoli:
1 il transistor che voglio usare è il BD681 (NPN), che avevo già in casa, quindi ho controllato il datasheet e ne ho estrapolato i dati necessari
2 ho preso il guadagno minimo del BD681 (750) e l'ho diviso per 3 (come margine di sicurezza) =250
3 ho calcolato gli ampere assorbiti dalla bobina del relè (approssimativamente ho calcolato sui 400 kohm per abbondare) 12/400=0,12A
4 ho calcolato la corrente necessaria per la saturazione del transistor: 0,12/250 =0,00048A
5 ho calcolato la resistenza necessaria calcolando un valore di 5 V che andranno alla base del transistor meno il vbe(sat) del transistor (2.5), quindi: (5-2.5)/0.00048 = 5,208kohm, che arrotondati saranno 5 kohm (ma per sicurezza vorrei mettere una resistenza da 4kohm per essere sicuri che sia saturo continuamente
6 ho deciso anche di aggiungere a monte un condensatore da 220uf per mantenere stabile la corrente ed evitare che si attivi e si disattivi il transitor in continuazione
Comunque questa è la prima parte del circuito (il primo quadrato blu in alto per capirci), a questo punto, all'attivazione della radio si attiva il primo relè (nel quadrato in alto sulla sinistra)
Da qui con un relè, si accende la macchinetta del caffè, ed inizia a riscaldare la caldaia (per capirci "alimentazione generale macchinetta del caffè")
e contemporaneamente, grazie ad un deviatore ("interruttore presenza cialda", questo deviatore lo metterò in maniera tale da risultare premuto solo se la leva che serve per caricare la cialda sia nella posizione chiusa, quindi con la cialda inserita),
possono avvenire 2 eventi:
1 nel caso in cui la cialda non sia inserita, il circuito temporizzatore è disattivato e invece di fare il caffè suona un cicalino, per indicare l'assenza della cialda.
2 Nel caso in cui invece la cialda sia inserita, si alimenta il primo circuito temporizzatore (quadrato blu in basso a sinistra), che conta il tempo necessario alla macchinetta del caffè per raggiungere la temperatura necessaria (regolato dal trimmer);
Allo scadere del tempo, il doppio relè sulla destra del primo temporizzatore alimenta la pompa del caffè, sostituendosi appunto al pulsante originale per il caffè (chiamato nel circuito "pulsante caffè") e contemporaneamente attiva il secondo temporizzatore, che allo scadere del tempo (regolato dall'altro trimmer, calcolato in base alla lunghezza voluta del caffè), disattiva il primo circuito temporizzatore (quindi stacca il pulsante caffè, e smette di fare caffè) e si mantiene autoalimentato, per evitare che faccia caffè all'infinito , così, se voglio fare un altro caffè, mi basterà togliere la cialda (quindi riattivare il cicalino e disattivare tutti e 2 i temporizzatori), e mettere la cialda nuova, per ripetere il ciclo, e attivare di nuovo tutto in automatico oppure basta attivare il vecchio pulsante del caffè (quello originale) per fare il secondo caffè o allungare il primo!
Adesso le cose da chiederti sono queste:
1 per come ho progettato il circuito, è necessario mantenere sempre alimentato sotto corrente un trasformatore da 12 V a corrente continua (indicato con "trasformatore" nel circuito), e quindi consumare continuamente corrente 24h su 24... secondo voi c'è un modo per attivare il trasformatore solo all'arrivo del segnale della radiosveglia, e quindi risparmiare energia? oppure il consumo del trasformatore a riposo è minimo?
2 il primo circuito è strutturalmente ben costruito? c'è da dire che quello che so io di elettronica è veramente poco, e questi sono "banchi di prova"... io ho fatto delle prove e sembra funzionare bene. Il calcolo della resistenza per il transistor è stato corretto?
3 che condensatori devo usare nei timer 1 e 2? nel timer 1 necessita un attesa nell'ordine dei 30sec/2 minuti, nel secondo timer, si parla di secondi (5, 20 secondi)
4 quanto può assorbire circa una macchinetta del caffè? che relè dovrei usare per alimentarla?
Grazie Mille Per L'Attenzione!!
Gli schemi si postano dopo averli disegnati con FidoCadJ per permettere agli altri di correggerli o modificarli e, visto che sei iscritto da quattro anni dovresti saperlo.
Circuito Temporizzato Macchinetta caffè
Moderatori:
carloc,
g.schgor,
BrunoValente,
IsidoroKZ
49 messaggi
• Pagina 1 di 5 • 1, 2, 3, 4, 5
0
voti
Ciao
lambis,
La tua immagine risulta tagliata.
Come ti è stato spiegato all' interno del tuo post, gli schemi vanno postati usando FIDOCADJ; al seguente link trovi una guida all' uso:
http://www.electroyou.it/elettrodomus/w ... -per-tonni
La tua immagine risulta tagliata.
Come ti è stato spiegato all' interno del tuo post, gli schemi vanno postati usando FIDOCADJ; al seguente link trovi una guida all' uso:
http://www.electroyou.it/elettrodomus/w ... -per-tonni
0
voti
Ma ci sono sul serio -5 V e -12 V o intendevi disegnare il simbolo del riferimento (che andrà in comune) tra i due dispositivi?
-

marioursino
5.687 3 9 13 - G.Master EY

- Messaggi: 1598
- Iscritto il: 5 dic 2009, 4:32
0
voti
Intanto vi ringrazio per l'attenzione! Si avete ragione, non sapevo dellutilizzo di FidocadJ e vi chiedo scusa se non mi sono attenuto al regolamento! appena posso, ridisegno il circuito su FidocadJ!
Comunque il 5v, è il segnale proveniente dalla radiosveglia... praticamente da quei 2 fili, quando non suona la sveglia, esce una corrente di 0,5v... invece quando la sveglia suona la corrente varia da un minimo di 5v ad un massimo di 8v.
invece il 12v è il trasformatore messo da me che serve per alimentare i 2 temporizzatori ed i vari relè... ed il BD681 l'avevo utilizzato per pilotare il relè all'arrivo dei 5v dalla radiosveglia...
Comunque il 5v, è il segnale proveniente dalla radiosveglia... praticamente da quei 2 fili, quando non suona la sveglia, esce una corrente di 0,5v... invece quando la sveglia suona la corrente varia da un minimo di 5v ad un massimo di 8v.
invece il 12v è il trasformatore messo da me che serve per alimentare i 2 temporizzatori ed i vari relè... ed il BD681 l'avevo utilizzato per pilotare il relè all'arrivo dei 5v dalla radiosveglia...
1
voti
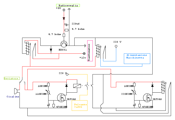
Ecco Qui!! Ho appena finito!!
Non ho trovato un relè a 2 scambi, quindi l'ho fatto io!! è abbastanza chiaro? è la prima volta che uso il programma, quindi non sarà perfetto! se devo ritoccare qualcosa, dite pure!!
Non ho trovato un relè a 2 scambi, quindi l'ho fatto io!! è abbastanza chiaro? è la prima volta che uso il programma, quindi non sarà perfetto! se devo ritoccare qualcosa, dite pure!!
0
voti
Il componente su cui hai scritto trasformatore è proprio un trasformatore o è un alimentatore?
-

marioursino
5.687 3 9 13 - G.Master EY

- Messaggi: 1598
- Iscritto il: 5 dic 2009, 4:32
1
voti
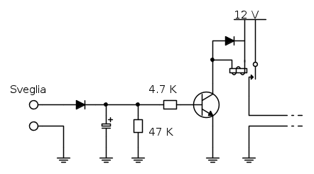
Lo schema è un po incasinato. Vediamo di partire dal primo blocco: il BJT non capisco come possa funzionare orientato in quel modo, sospetto che nel circuito reale non sia in quella posizione.
Quello che dovresti fare è questo in teoria..
Concordi?
Quello che dovresti fare è questo in teoria..
Concordi?
-

marioursino
5.687 3 9 13 - G.Master EY

- Messaggi: 1598
- Iscritto il: 5 dic 2009, 4:32
1
voti
Si, hai ragione! Chiedo scusa, ma nel copiare il circuito non ho specchiato il transistor! ho corretto ed ho aggiunto la resistenza accanto al condensatore, se permetti una domanda ma cosa comporta l'aggiunta di questa seconda resistenza?
2
voti
Serve a spegnere il transistor una volta finita l'azione della sveglia. Ad ogni modo, hai considerato che una volta finita la sveglia il circuito di spegne del tutto? Inoltre sarà difficile ottenere tempi superiori a qualche secondo usando solo una rete RC, che ne pensi di un 555?
-

marioursino
5.687 3 9 13 - G.Master EY

- Messaggi: 1598
- Iscritto il: 5 dic 2009, 4:32
49 messaggi
• Pagina 1 di 5 • 1, 2, 3, 4, 5
Chi c’è in linea
Visitano il forum: Nessuno e 86 ospiti

Elettrotecnica e non solo (admin)
Un gatto tra gli elettroni (IsidoroKZ)
Esperienza e simulazioni (g.schgor)
Moleskine di un idraulico (RenzoDF)
Il Blog di ElectroYou (webmaster)
Idee microcontrollate (TardoFreak)
PICcoli grandi PICMicro (Paolino)
Il blog elettrico di carloc (carloc)
DirtEYblooog (dirtydeeds)
Di tutto... un po' (jordan20)
AK47 (lillo)
Esperienze elettroniche (marco438)
Telecomunicazioni musicali (clavicordo)
Automazione ed Elettronica (gustavo)
Direttive per la sicurezza (ErnestoCappelletti)
EYnfo dall'Alaska (mir)
Apriamo il quadro! (attilio)
H7-25 (asdf)
Passione Elettrica (massimob)
Elettroni a spasso (guidob)
Bloguerra (guerra)





