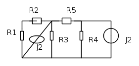
R1=2 Ohm
R2=4 Ohm
R3=6 Ohm
R4=3 Ohm
R5=6 Ohm
J1=6 A
J2=2 A
Calcolare i5
RISULTATO i5=1 A
Procedo in questo modo :
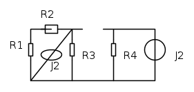
Considero il primo circuito ausiliario dove spegno il generatore di caratterizzazione
Determino la tensione a vuoto E0 applicando la legge di kirchkoff alla maglia r3 r4 Eo
E0=V3+V4
E0=R3i3 + R4i4
devo determinare i3 ed i4
procedo pertanto con le semplificazioni serie parallelo dei resistori.
R4 e' in serie al generatore di corrente J2 ha pertanto la stessa intensità di corrente.
J2=i4=2 A
Essendo un corto circuito tra la prima parte del circuito e la seconda parte del circuito posso unificare i nodi in cui incidono R3 ed R4 in questo modo
ho la serie R1-R2=Ra = 6 ohm
ottengo :
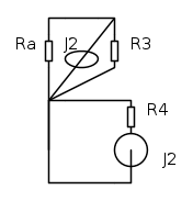
Rilevo un altro corto circuito pertanto
Ra e' in parallelo con R3 pertanto
Rb=
=3 Ohmper determinare i3 utilizzo il partitore di corrente pertanto :
i3=
=36/6+6=3 AE0=R3i3+R4i4= 6*3 +2*3=24 V
Devo determinare ora la resistenza di thevenin spengo pertanto tutti i generatori di corrente come nella figura e' mostrato.
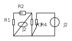
R1-R2=Rw=6 ohm
Rw//R3=Rx=
=6*6/12=3 ohmRx-R4=3+3=6ohm
applico la legge di kirchkoff al circuito equivalente ti thevenin e ottengo
i5=
=2Ae quindi n mi trovo col risultato. Qualcuno sa aiutarmi? grazie in anticipo

Elettrotecnica e non solo (admin)
Un gatto tra gli elettroni (IsidoroKZ)
Esperienza e simulazioni (g.schgor)
Moleskine di un idraulico (RenzoDF)
Il Blog di ElectroYou (webmaster)
Idee microcontrollate (TardoFreak)
PICcoli grandi PICMicro (Paolino)
Il blog elettrico di carloc (carloc)
DirtEYblooog (dirtydeeds)
Di tutto... un po' (jordan20)
AK47 (lillo)
Esperienze elettroniche (marco438)
Telecomunicazioni musicali (clavicordo)
Automazione ed Elettronica (gustavo)
Direttive per la sicurezza (ErnestoCappelletti)
EYnfo dall'Alaska (mir)
Apriamo il quadro! (attilio)
H7-25 (asdf)
Passione Elettrica (massimob)
Elettroni a spasso (guidob)
Bloguerra (guerra)

















