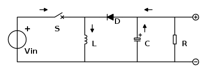
Basandomi su quel poco di corso di elettronica di potenza che ho seguito, se non necessiti di isolamento puoi utilizzare uno Buck-Boost Converter, con questo hai anche il vantaggio di una inversione della tensione in uscita rispetto a quella in ingresso, lo schema generale è questo:
PS: non mi menate, in realtà so che serve l'isolamento per quel tipo di tensioni in corrente continua.
Per darti un'idea di massima di progettazione, sempre ammesso sia possibile ci sono alcune relazioni che ti possono aiutare:

da cui ti ricavi sapendo che a sinistra hai un rapporto uguale 2.
La variabile D in sostanza, è il duty cycle dell'interruttore.

ovviamente la f si riferisce alla frequenza di switching dell'interruttore elettronico di potenza.
Questo parametro serve a far lavorare il converter in CCM, modalità che credo sia consona al tuo utilizzo.
Infine la minima capacità, fissata una massima tensione di ripple arbitraria in uscita, la ottieni con questa formuletta.

Ovviamente l'interruttore lo puoi fare con qualche tipo di transistor e relativo circuito di controllo per aprirlo e chiudere.
Questo è una cosa molto terra terra, ti consiglio, tempo e poco budget permettendo di cominciare a fare qualcosa di piccolo per poi procedere alla conversione 50-->100V che richiede anche l'aggiunta di un trasformatore per isolare.
Un testo abbastanza ben fatto ma in inglese riguardante l'elettronica di potenza, livello di difficoltà intermedio-elevato (bisogna già masticarne di elettronica) è il:
Power Electronics Handbook by Muhammad H. Rashid
Dove trovi molte informazioni sui convertitori e su molto altro, cerca bene in giro è facile da reperire
