Trigger a soglia
Moderatori:
carloc,
g.schgor,
BrunoValente,
IsidoroKZ
21 messaggi
• Pagina 1 di 3 • 1, 2, 3
0
voti
[1] Trigger a soglia
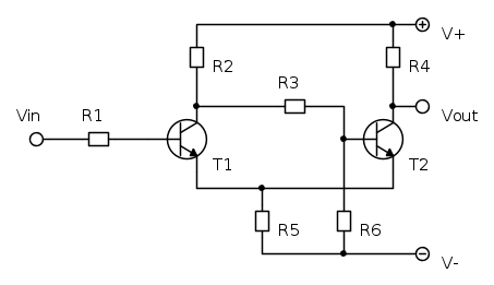
Buonasera a tutti! ho un problema, cerco le formule di progetto per un trigger a soglia con due transistor ma su internet non ho trovato nulla! le specifiche non le ho ma mi servono solo le formule di progetto! graize mille a chi mi aiuta!
Ultima modifica di
admin il 9 apr 2013, 16:46, modificato 5 volte in totale.
Motivazione: ridimensionamento caratteri titolo; eliminate, dal titolo e dal testo, le parole: urgente, urgentissimo ed aiuto.
Motivazione: ridimensionamento caratteri titolo; eliminate, dal titolo e dal testo, le parole: urgente, urgentissimo ed aiuto.
3
voti
Le formule dipendono dallo schema: fai lo schema in fidocadj che poi in qualche modo si ricavano. Che scuola frequenti?
Per usare proficuamente un simulatore, bisogna sapere molta più elettronica di lui
Plug it in - it works better!
Il 555 sta all'elettronica come Arduino all'informatica! (entrambi loro malgrado)
Se volete risposte rispondete a tutte le mie domande
Plug it in - it works better!
Il 555 sta all'elettronica come Arduino all'informatica! (entrambi loro malgrado)
Se volete risposte rispondete a tutte le mie domande
2
voti
frequento l'itis meucci di Firenze
6
voti
Ok, adesso e` chiaro.
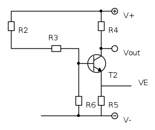
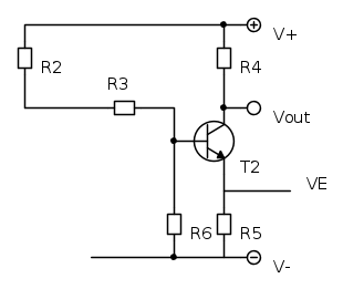
Il circuito ha una retroazione positiva che lo fa andare in uno di due stati possibili: o T1 e` acceso e T2 e` spento, oppure viceversa. I due transistori non sono (quasi mai) tutti e due accesi.
Supponiamo che la tensione di ingresso sia sufficientemente bassa per cui T1 e` spento, e quindi T2 conduce.
Sai calcolare la tensione VE e Vout di questo schema in cui T1 l'ho tolto perche' non conduce?
La tensione VE e` importante perche' permette di calcolare quale tensione di ingresso Vi ci deve essere per accendere T1, spegnere T2 cioe` passare la soglia.
Dimenticavo! i conti si possono fare trascurando le correnti di base e assumendo che la tensione
sia fissa.
Prova a calcolare VE, poi andiamo avanti.
Il circuito ha una retroazione positiva che lo fa andare in uno di due stati possibili: o T1 e` acceso e T2 e` spento, oppure viceversa. I due transistori non sono (quasi mai) tutti e due accesi.
Supponiamo che la tensione di ingresso sia sufficientemente bassa per cui T1 e` spento, e quindi T2 conduce.
Sai calcolare la tensione VE e Vout di questo schema in cui T1 l'ho tolto perche' non conduce?
La tensione VE e` importante perche' permette di calcolare quale tensione di ingresso Vi ci deve essere per accendere T1, spegnere T2 cioe` passare la soglia.
Dimenticavo! i conti si possono fare trascurando le correnti di base e assumendo che la tensione
sia fissa.Prova a calcolare VE, poi andiamo avanti.
Per usare proficuamente un simulatore, bisogna sapere molta più elettronica di lui
Plug it in - it works better!
Il 555 sta all'elettronica come Arduino all'informatica! (entrambi loro malgrado)
Se volete risposte rispondete a tutte le mie domande
Plug it in - it works better!
Il 555 sta all'elettronica come Arduino all'informatica! (entrambi loro malgrado)
Se volete risposte rispondete a tutte le mie domande
0
voti
la VE può darsi che sia , per una relazione empirica, 1/10 della Vcc? e la Vout in questo momento non me la ricordo
1
voti
Ve =1/10 V+ e` una ragionevole scelta per gli amplificatori.
Quello che chiedevo era che calcolassi la tensione VE con una formula analitica, visto che hai chiesto le formule.
Dato che si puo` trascurare la corrente di base nei partitori (ragionevole assunzione) calcola la tensione di base, da li` quella di emettitore assumento VBE costante. Quando hai la tensione di emettitore puoi calcolare quella di collettore, dato chele due correnti sono quasi uguali.
Calcola la VE come formula, come ho detto prima, e poi troviamo la prima delle due tensioni di soglia.
Che libro di testo avete?
Quello che chiedevo era che calcolassi la tensione VE con una formula analitica, visto che hai chiesto le formule.
Dato che si puo` trascurare la corrente di base nei partitori (ragionevole assunzione) calcola la tensione di base, da li` quella di emettitore assumento VBE costante. Quando hai la tensione di emettitore puoi calcolare quella di collettore, dato chele due correnti sono quasi uguali.
Calcola la VE come formula, come ho detto prima, e poi troviamo la prima delle due tensioni di soglia.
Che libro di testo avete?
Per usare proficuamente un simulatore, bisogna sapere molta più elettronica di lui
Plug it in - it works better!
Il 555 sta all'elettronica come Arduino all'informatica! (entrambi loro malgrado)
Se volete risposte rispondete a tutte le mie domande
Plug it in - it works better!
Il 555 sta all'elettronica come Arduino all'informatica! (entrambi loro malgrado)
Se volete risposte rispondete a tutte le mie domande
0
voti
sinceramente? ho chiesto aiuto proprio perché ho un professore *******che non spiega nulla e il libro di testo è corso di tecnologia, disegno e progettazione elettronica 3 della HOEPLI
Ultima modifica di
mir il 10 apr 2013, 21:48, modificato 1 volta in totale.
Motivazione: eliminato termine inutile !
Motivazione: eliminato termine inutile !
0
voti
Ah! Brutta gente i professori. 

"La follia sta nel fare sempre la stessa cosa aspettandosi risultati diversi".
"Parla soltanto quando sei sicuro che quello che dirai è più bello del silenzio".
Rispondere è cortesia, ma lasciare l'ultima parola ai cretini è arte.
"Parla soltanto quando sei sicuro che quello che dirai è più bello del silenzio".
Rispondere è cortesia, ma lasciare l'ultima parola ai cretini è arte.
-

TardoFreak
73,9k 8 12 13 - -EY Legend-

- Messaggi: 15754
- Iscritto il: 16 dic 2009, 11:10
- Località: Torino - 3° pianeta del Sistema Solare
4
voti
In effetti avete ragione i professori sono presi dalla categoria degli str***! (anche alcuni in questo forum!).
Pero` visto che cosi` va la vita, mi sa che ti tocchi studiare.
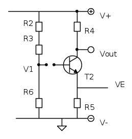
Se la corrente di base puo` essere trascurata, e` come se staccassi la base di T2, come nello schema qui sotto
Quanto vale la tensione V1? Poi quando attacchi la base di T2, la tensione non cambia. Quanto vale quindi la tensione VE?
Se hai dei problemi su queste domande allora il guaio non e` il trigger a soglia, ma l'elettrotecnica di base. Stesso professore?
Chi e` l'autore del libro?
Pero` visto che cosi` va la vita, mi sa che ti tocchi studiare.
Se la corrente di base puo` essere trascurata, e` come se staccassi la base di T2, come nello schema qui sotto
Quanto vale la tensione V1? Poi quando attacchi la base di T2, la tensione non cambia. Quanto vale quindi la tensione VE?
Se hai dei problemi su queste domande allora il guaio non e` il trigger a soglia, ma l'elettrotecnica di base. Stesso professore?
Chi e` l'autore del libro?
Per usare proficuamente un simulatore, bisogna sapere molta più elettronica di lui
Plug it in - it works better!
Il 555 sta all'elettronica come Arduino all'informatica! (entrambi loro malgrado)
Se volete risposte rispondete a tutte le mie domande
Plug it in - it works better!
Il 555 sta all'elettronica come Arduino all'informatica! (entrambi loro malgrado)
Se volete risposte rispondete a tutte le mie domande
0
voti
[10] Re: Trigger a soglia
IsidoroKZ ha scritto:Chi e` l'autore del libro?
Fausto Maria Ferri
Edit: ero sul sito hoepli proprio mentre leggevo il post
MCSA Windows Server 2012 R2
Cisco CCNA R&S - Cisco CCNA Security - Cisco CCNA Cyber Ops
CompTia A+ - CompTia Linux+ - CompTIA Systems Support Specialist CSSS
CompTia Pentest+ LPIC-1 - VCP VMware - Cisco CCNP Enterprise
Cisco CCNA R&S - Cisco CCNA Security - Cisco CCNA Cyber Ops
CompTia A+ - CompTia Linux+ - CompTIA Systems Support Specialist CSSS
CompTia Pentest+ LPIC-1 - VCP VMware - Cisco CCNP Enterprise
21 messaggi
• Pagina 1 di 3 • 1, 2, 3
Chi c’è in linea
Visitano il forum: Nessuno e 180 ospiti

Elettrotecnica e non solo (admin)
Un gatto tra gli elettroni (IsidoroKZ)
Esperienza e simulazioni (g.schgor)
Moleskine di un idraulico (RenzoDF)
Il Blog di ElectroYou (webmaster)
Idee microcontrollate (TardoFreak)
PICcoli grandi PICMicro (Paolino)
Il blog elettrico di carloc (carloc)
DirtEYblooog (dirtydeeds)
Di tutto... un po' (jordan20)
AK47 (lillo)
Esperienze elettroniche (marco438)
Telecomunicazioni musicali (clavicordo)
Automazione ed Elettronica (gustavo)
Direttive per la sicurezza (ErnestoCappelletti)
EYnfo dall'Alaska (mir)
Apriamo il quadro! (attilio)
H7-25 (asdf)
Passione Elettrica (massimob)
Elettroni a spasso (guidob)
Bloguerra (guerra)





