ponte Graetz uscita floating
Moderatori:
carloc,
g.schgor,
BrunoValente,
IsidoroKZ
31 messaggi
• Pagina 1 di 4 • 1, 2, 3, 4
0
voti
Salve a tutti! Dovrei collegare un raddrizzatore a ponte di diodi ad un regolatore DC/DC, solo che l'uscita del raddrizzatore con ponte di graets è floating, mentre il regolatore ha un solo ingresso con riferimento a massa. Come faccio a convertire l'uscita da floating a grounded? grazie a tutti
0
voti
avevo pensato di fare una sorta di buffer differenziale con un OP-AMP. il problema è che dovrebbe avere una bassa tensione di alimentazione e consumare il meno possibile, in quanto non posso disporre di un'alimentazione esterna e devo prelevarla dal dispositivo stesso, che è un RF energy harvester per sensori wireless. Le potenze in gioco recuperate sono basse, da decine di uW a centinaia di mW massimo e quindi non posso permettermi di dissiparne molta negli operazionali. Sapreste indicarmene qualcuno? magari che abbia anche il modello spice
0
voti
Fotoaccoppiatore ? (Optoisolatore)
"Non farei mai parte di un club che accettasse la mia iscrizione" (G. Marx)
-

claudiocedrone
21,3k 4 7 9 - Master EY

- Messaggi: 15302
- Iscritto il: 18 gen 2012, 13:36
2
voti
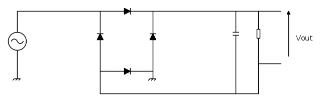
Un operazionale mi pare una pessima idea (anche peggio di pessima :)).
Fai uno schema con ponte di Graetz e i collegamenti allo 0V.
Fai uno schema con ponte di Graetz e i collegamenti allo 0V.
Per usare proficuamente un simulatore, bisogna sapere molta più elettronica di lui
Plug it in - it works better!
Il 555 sta all'elettronica come Arduino all'informatica! (entrambi loro malgrado)
Se volete risposte rispondete a tutte le mie domande
Plug it in - it works better!
Il 555 sta all'elettronica come Arduino all'informatica! (entrambi loro malgrado)
Se volete risposte rispondete a tutte le mie domande
0
voti
0
voti
Ma non avevi parlato di ponte di Graetz?
E comunque, gli schemi postali usando FidoCadJ (le istruzioni nella fascia rosa sopra i messaggi) in modo che gli altri possano eventualmente modificarli e correggerli.
E comunque, gli schemi postali usando FidoCadJ (le istruzioni nella fascia rosa sopra i messaggi) in modo che gli altri possano eventualmente modificarli e correggerli.
marco
2
voti
Ho chiesto lo schema di quello che hai adesso, del problema, non di una ulteriore soluzione. Gli schemi falli in fidocadj, vedi la barra rosa delle regole del forum.
Collegamento di 0V e` il ground, il potenziale di riferimento (che e` diverso dalla massa)
Collegamento di 0V e` il ground, il potenziale di riferimento (che e` diverso dalla massa)
Per usare proficuamente un simulatore, bisogna sapere molta più elettronica di lui
Plug it in - it works better!
Il 555 sta all'elettronica come Arduino all'informatica! (entrambi loro malgrado)
Se volete risposte rispondete a tutte le mie domande
Plug it in - it works better!
Il 555 sta all'elettronica come Arduino all'informatica! (entrambi loro malgrado)
Se volete risposte rispondete a tutte le mie domande
0
voti
31 messaggi
• Pagina 1 di 4 • 1, 2, 3, 4
Chi c’è in linea
Visitano il forum: Nessuno e 172 ospiti

Elettrotecnica e non solo (admin)
Un gatto tra gli elettroni (IsidoroKZ)
Esperienza e simulazioni (g.schgor)
Moleskine di un idraulico (RenzoDF)
Il Blog di ElectroYou (webmaster)
Idee microcontrollate (TardoFreak)
PICcoli grandi PICMicro (Paolino)
Il blog elettrico di carloc (carloc)
DirtEYblooog (dirtydeeds)
Di tutto... un po' (jordan20)
AK47 (lillo)
Esperienze elettroniche (marco438)
Telecomunicazioni musicali (clavicordo)
Automazione ed Elettronica (gustavo)
Direttive per la sicurezza (ErnestoCappelletti)
EYnfo dall'Alaska (mir)
Apriamo il quadro! (attilio)
H7-25 (asdf)
Passione Elettrica (massimob)
Elettroni a spasso (guidob)
Bloguerra (guerra)







