sensore di movimento per luce garage
4 messaggi
• Pagina 1 di 1
0
voti
Non riesco a farlo funzionare, si tratta di un sensore della relco sent rele plus lo schema in allegato.Ditemi i collegamenti nella maniera piu elementare possibile
- Allegati
-
Catalogo_Generale_RELCO 296-1.pdf- (337.67 KiB) Scaricato 419 volte
0
voti
Sei stato un po troppo generico, cosa devi collegare al sensore?
Dire una luce garage vuol dire tutto e niente, dipende dal circuito esistente.
Dire una luce garage vuol dire tutto e niente, dipende dal circuito esistente.
MCSA Windows Server 2012 R2
Cisco CCNA R&S - Cisco CCNA Security - Cisco CCNA Cyber Ops
CompTia A+ - CompTia Linux+ - CompTIA Systems Support Specialist CSSS
CompTia Pentest+ LPIC-1 - VCP VMware - Cisco CCNP Enterprise
Cisco CCNA R&S - Cisco CCNA Security - Cisco CCNA Cyber Ops
CompTia A+ - CompTia Linux+ - CompTIA Systems Support Specialist CSSS
CompTia Pentest+ LPIC-1 - VCP VMware - Cisco CCNP Enterprise
0
voti
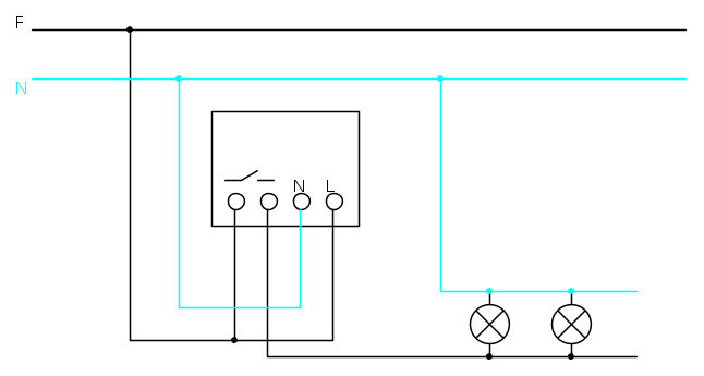
Per essere più chiaro il collegamento base è quello che ho inserito ma tieni presente che il carico massimo è di 500W ed esclude un circuito già esistente, in tal caso vanno fatte le considerazioni del caso.
P.s.
Ti ricordo che modificare un impianto elettrico è prerogativa di chi è abilitato (installatore qualificato), quindi il mio consiglio è di chiamare un elettricista.
P.s.
Ti ricordo che modificare un impianto elettrico è prerogativa di chi è abilitato (installatore qualificato), quindi il mio consiglio è di chiamare un elettricista.
MCSA Windows Server 2012 R2
Cisco CCNA R&S - Cisco CCNA Security - Cisco CCNA Cyber Ops
CompTia A+ - CompTia Linux+ - CompTIA Systems Support Specialist CSSS
CompTia Pentest+ LPIC-1 - VCP VMware - Cisco CCNP Enterprise
Cisco CCNA R&S - Cisco CCNA Security - Cisco CCNA Cyber Ops
CompTia A+ - CompTia Linux+ - CompTIA Systems Support Specialist CSSS
CompTia Pentest+ LPIC-1 - VCP VMware - Cisco CCNP Enterprise
0
voti
I collegamenti li avevo fatti bene... il problema e' il sensore ke era difettoso e non funzionava bene, me lo hanno sostituito ed ora funziona.

4 messaggi
• Pagina 1 di 1
Chi c’è in linea
Visitano il forum: Nessuno e 8 ospiti

Elettrotecnica e non solo (admin)
Un gatto tra gli elettroni (IsidoroKZ)
Esperienza e simulazioni (g.schgor)
Moleskine di un idraulico (RenzoDF)
Il Blog di ElectroYou (webmaster)
Idee microcontrollate (TardoFreak)
PICcoli grandi PICMicro (Paolino)
Il blog elettrico di carloc (carloc)
DirtEYblooog (dirtydeeds)
Di tutto... un po' (jordan20)
AK47 (lillo)
Esperienze elettroniche (marco438)
Telecomunicazioni musicali (clavicordo)
Automazione ed Elettronica (gustavo)
Direttive per la sicurezza (ErnestoCappelletti)
EYnfo dall'Alaska (mir)
Apriamo il quadro! (attilio)
H7-25 (asdf)
Passione Elettrica (massimob)
Elettroni a spasso (guidob)
Bloguerra (guerra)

