Cos'è ElectroYou | Login Iscriviti

ElectroYou - la comunità dei professionisti del mondo elettrico

Compensazione offset OP-AMP

Elettronica lineare e digitale: didattica ed applicazioni

Moderatori: Foto Utentecarloc, Foto Utenteg.schgor, Foto UtenteBrunoValente, Foto UtenteIsidoroKZ

0
voti

[1] Compensazione offset OP-AMP

Messaggioda Foto Utentekotek » 22 apr 2013, 12:19

O_/ a tutti,
la mia domanda e' semplice, a cosa serve la compensazione dell'offset di un amplificatore operazionale?
Avatar utente
Foto Utentekotek
202 2 4 9
Stabilizzato
Stabilizzato
 
Messaggi: 481
Iscritto il: 9 giu 2011, 17:22

0
voti

[2] Re: Compensazione offset OP-AMP

Messaggioda Foto UtenteMatteo1991 » 22 apr 2013, 12:33

In teoria la tensione tra ingresso + e ingresso - è nulla (massa virtuale) , in realtá c'è una piccola differenza di potenziale (che poi viene amplificata insieme ai segnali in gioco e ciò può dar fastidio). Sto con l'ipad dunque niente schema i fidocad :D
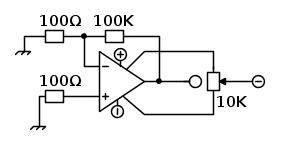
Dunque fai un amplificatore non invertente, colleghi l'ingresso "+"a massa tramite una resistenza di 100ohm (metti la stessa resistenza tra "-" e massa, poi dimensiona la resistenza tra uscita e ingresso "-" in modo tale da avere un'amplificazione 1000 ad esempio). Metti un trimer da 10k tra i due piedini "adj offset" con il terminale centrale collegato a Vcc- (meno). In questo modo stai amplificando perfettamente l'offset. Gira il trimer fino a che l'uscita sia nulla. Sta sera ti posto uno schema :ok:
"Scrivere la propria storia come si scrive la Storia: con la veemenza di un conquistatore di imperi."
Avatar utente
Foto UtenteMatteo1991
406 2 4 12
Frequentatore
Frequentatore
 
Messaggi: 280
Iscritto il: 28 giu 2012, 16:38

0
voti

[3] Re: Compensazione offset OP-AMP

Messaggioda Foto Utenteclaudiocedrone » 22 apr 2013, 17:14

:-) La domanda è "a cosa serve la compensazione dell'offset" (più precisamente "tensione di offset"): senza alcuno schema, riassumo brevemente cosa è; è una tensione continua che si presenta in uscita degli opamp reali anche in assenza di segnale ed è dovuta alle inevitabili dissimmetrie del circuito integrato tra i rami invertente e non invertente; perché va compensata (eliminata) ? Nel caso di accoppiamenti in continua (negli accoppiamenti in alternata non serve eliminare l'offset perché nessuna componente continua può attraversare il condensatore di disaccoppiamento :-) ) si presenta sovrapposta al segnale in uscita e viene amplificata insieme al segnale dagli eventuali stadi successivi; facciamo l'esempio di avere una tensione di offset positiva di 200 mV in uscita dal primo stadio, essa è sovrapposta al segnale e viene amplificata dal secondo stadio, se questo guadagna p. es. 100 volte in tensione, all'uscita del secondo stadio si avrà una tensione continua sovrapposta al segnale di 2 V (e già comincia a far danni), accoppiamo un terzo stadio che guadagni anche solo p. es. 10 volte in tensione, all'uscita di questo stadio... te lo ritrovi saturato (dovrebbero uscirne solo le semionde negative del segnale più una componente continua positiva di 20 V che peraltro mai potrà uscire da un opamp dato che supera la tensione di alimentazione e il risultato finale è un amplificatore che non amplifica nulla :-). Alcuni opamp, come per esempio il TL081 hanno un piedino "dedicato" alla compensazione dell'offset tramite l'applicazione di una tensione di pari valore e segno contrario a quella di offset, altri (specialmente i doppi e quadrupli opamp, per ovvi motivi di quantità di terminali disponibili) no, e allora se serve correggerne lo offset... si usa il sistema che ti mostrerà poi Foto UtenteMatteo1991. O_/
"Non farei mai parte di un club che accettasse la mia iscrizione" (G. Marx)
Avatar utente
Foto Utenteclaudiocedrone
21,3k 4 7 9
Master EY
Master EY
 
Messaggi: 15298
Iscritto il: 18 gen 2012, 13:36

0
voti

[4] Re: Compensazione offset OP-AMP

Messaggioda Foto UtenteMatteo1991 » 22 apr 2013, 18:49

non può essere spiegato meglio di come ha fatto Foto Utenteclaudiocedrone ! :D
la parte paratica, anche se non esplicitamente richiesta è questa:


In questo modo ti ritrovo in uscita tutti gli squilibri amplificati: teoricamente in quel modo l'uascita deve essere nulla, aggiusta il trimmer fino a che l'uscita sia nulla anche nella realtà.
"Scrivere la propria storia come si scrive la Storia: con la veemenza di un conquistatore di imperi."
Avatar utente
Foto UtenteMatteo1991
406 2 4 12
Frequentatore
Frequentatore
 
Messaggi: 280
Iscritto il: 28 giu 2012, 16:38

0
voti

[5] Re: Compensazione offset OP-AMP

Messaggioda Foto Utenteclaudiocedrone » 22 apr 2013, 23:28

:-) Veramente potrebbe essere spiegato molto meglio e anche con qualche disegnino e formuletta... comunque, volendo correggere l'offset di un opamp che non ha il piedino dedicato, qualora sia alimentato con tensione duale si possono collegare i terminali di un trimmer p. es. da 100 kohm ai rami di alimentazione e tramite una resistenza di elevato valore p. es da 1 Mohm collegata al cursore, derivare una tensione da applicare ad uno degli ingressi dell'opamp e, regolando il trimmer ottenere l'azzeramento dell'offset. O_/
"Non farei mai parte di un club che accettasse la mia iscrizione" (G. Marx)
Avatar utente
Foto Utenteclaudiocedrone
21,3k 4 7 9
Master EY
Master EY
 
Messaggi: 15298
Iscritto il: 18 gen 2012, 13:36


Torna a Elettronica generale

Chi c’è in linea

Visitano il forum: Nessuno e 80 ospiti