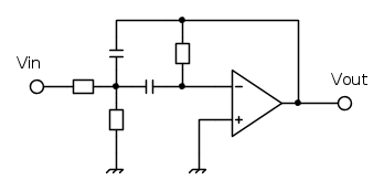
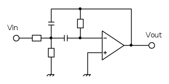
Filtro a reazione negativa multipla, qualche chiarimento...
Moderatori:
carloc,
g.schgor,
BrunoValente,
IsidoroKZ
5 messaggi
• Pagina 1 di 1
0
voti
Come da titolo e da schema volevo avere qualche chiarimento, in special modo sulla capacità di elaborare un filtro passabanda con questa configurazione, è un filtro selettore a banda stretta del 2°ordine... ma non ho ben capito se dopo aver raggiunto le frequenze di taglio l'attenuazione imposta alle frequenze da scartare è di 20dB a decade (come da filtro del 1°ordine) o 40dB (come da filtro del 2°ordine)...
2
voti
A frequenze relativamente lontane da quella "centrale" il comportamento asintotico è del tipo +/- 20dB/D.
Dove sono poli e zeri(o)? Hai un polo nell'origine (il guadagno DC è zero), quindi all'inizio sali +20dB/D. Poi da qualche parte hai i due poli, quindi la pendenza cambia di -40dB/D. Allora dalla frequenza centrale fo in poi passi a -20dB/D.
Naturalmente questo è solo il comportamento asintotico, quello reale sarà piuttosto diverso specialmente se il Q è elevato la curva tenderà a stringersi ed appuntirsi intorno fo, però come dicevo "lontano" da questo punto la curva reale tende a seguire quella asintotica.
Dove sono poli e zeri(o)? Hai un polo nell'origine (il guadagno DC è zero), quindi all'inizio sali +20dB/D. Poi da qualche parte hai i due poli, quindi la pendenza cambia di -40dB/D. Allora dalla frequenza centrale fo in poi passi a -20dB/D.
Naturalmente questo è solo il comportamento asintotico, quello reale sarà piuttosto diverso specialmente se il Q è elevato la curva tenderà a stringersi ed appuntirsi intorno fo, però come dicevo "lontano" da questo punto la curva reale tende a seguire quella asintotica.
Se ti serve il valore di beta: hai sbagliato il progetto!
0
voti
Se posso permettermi di darti un contributo anche io. Hai provato a scriverti la funzione di trasferimento nel dominio di "Laplace" di questo circuito? La maggior parte delle domande che hai fatto sarebbero belle che esaudite.
0
voti
carloc ha scritto:A frequenze relativamente lontane da quella "centrale" il comportamento asintotico è del tipo +/- 20dB/D.
Dove sono poli e zeri(o)? Hai un polo nell'origine (il guadagno DC è zero), quindi all'inizio sali +20dB/D. Poi da qualche parte hai i due poli, quindi la pendenza cambia di -40dB/D. Allora dalla frequenza centrale fo in poi passi a -20dB/D.
Naturalmente questo è solo il comportamento asintotico, quello reale sarà piuttosto diverso specialmente se il Q è elevato la curva tenderà a stringersi ed appuntirsi intorno fo, però come dicevo "lontano" da questo punto la curva reale tende a seguire quella asintotica.
No il Q è compreso nella soglia di corretto funzionamento, Q=4, per poli s'intendono le frequenze di taglio?! Non ho capito bene il discorso dei -40db, perciò se impostiamo Q>20 la curva inizialmente tende a -40dB e poi prosegue a 20dB?
1
voti
mmmmmm ma cosa studi/hai studiato?
Mi sembra particolarmente strano studiare un filtro...
senza sapere cosa sono i poli di una funzione di trasferimento ed il loro effetto sul diagramma di Bode
Comunque, il diagramma di Bode, "molto prima" della frequenza centrale sale +20dB/D e poi "molto dopo" la frequenza centrale del filtro decresce -20dB/D indipendentemente dal Q.
Intorno alla frequenza centrale invece "sente" l'influenza del Q "appuntendosi" o "appiattendosi"
Mi sembra particolarmente strano studiare un filtro...
OmniaHD ha scritto:[...] per poli s'intendono le frequenze di taglio?! [...]
senza sapere cosa sono i poli di una funzione di trasferimento ed il loro effetto sul diagramma di Bode
Comunque, il diagramma di Bode, "molto prima" della frequenza centrale sale +20dB/D e poi "molto dopo" la frequenza centrale del filtro decresce -20dB/D indipendentemente dal Q.
Intorno alla frequenza centrale invece "sente" l'influenza del Q "appuntendosi" o "appiattendosi"
Se ti serve il valore di beta: hai sbagliato il progetto!
5 messaggi
• Pagina 1 di 1
Chi c’è in linea
Visitano il forum: Nessuno e 285 ospiti

Elettrotecnica e non solo (admin)
Un gatto tra gli elettroni (IsidoroKZ)
Esperienza e simulazioni (g.schgor)
Moleskine di un idraulico (RenzoDF)
Il Blog di ElectroYou (webmaster)
Idee microcontrollate (TardoFreak)
PICcoli grandi PICMicro (Paolino)
Il blog elettrico di carloc (carloc)
DirtEYblooog (dirtydeeds)
Di tutto... un po' (jordan20)
AK47 (lillo)
Esperienze elettroniche (marco438)
Telecomunicazioni musicali (clavicordo)
Automazione ed Elettronica (gustavo)
Direttive per la sicurezza (ErnestoCappelletti)
EYnfo dall'Alaska (mir)
Apriamo il quadro! (attilio)
H7-25 (asdf)
Passione Elettrica (massimob)
Elettroni a spasso (guidob)
Bloguerra (guerra)




