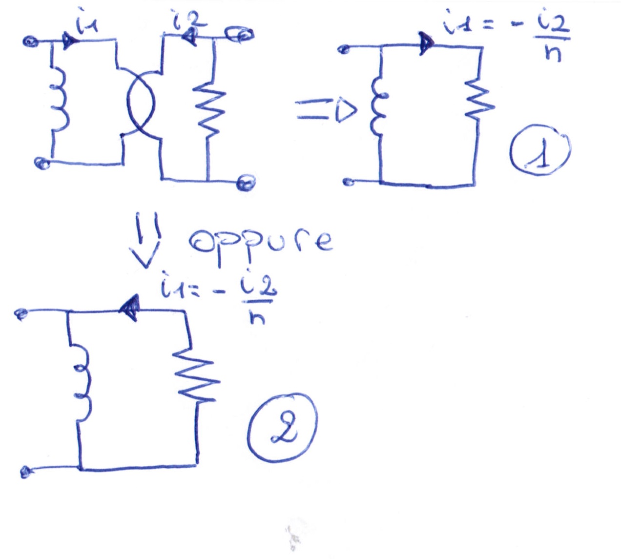
Salve, sono uno studente del secondo anno di Ingegneria Elettrica. Avrei un dubbio che mi attanaglia riguardo il trasformatore. Quando ho una situazione come quella nell'immagine allegata non capisco se il meno va messo quando lascio il verso della corrente com'era già al primario, oppure se devo metterlo invertendo il verso nella direzione di quella che già aveva al secondario. Vi ringrazio anticipatamente per le eventuali risposte!
Passaggio della corrente dal secondario al primario
Moderatori:
g.schgor,
IsidoroKZ
2 messaggi
• Pagina 1 di 1
1
voti
Immagine non visibile (e fatta su carta di formaggio?
)
Falla in fidocadj che puoi scaricare e usare seguendo le istruzioni che trovi nello help. Appena posti il circuito fatto che sia visibile e leggibile cancello questi due messaggi.
Dopo tre anni su questo forum e svariate richieste in proposito potresti gia` anche saperlo senza che te lo si ricordi!
Poi vedi che qualche risposta arriva!
Falla in fidocadj che puoi scaricare e usare seguendo le istruzioni che trovi nello help. Appena posti il circuito fatto che sia visibile e leggibile cancello questi due messaggi.
Dopo tre anni su questo forum e svariate richieste in proposito potresti gia` anche saperlo senza che te lo si ricordi!
Poi vedi che qualche risposta arriva!
Per usare proficuamente un simulatore, bisogna sapere molta più elettronica di lui
Plug it in - it works better!
Il 555 sta all'elettronica come Arduino all'informatica! (entrambi loro malgrado)
Se volete risposte rispondete a tutte le mie domande
Plug it in - it works better!
Il 555 sta all'elettronica come Arduino all'informatica! (entrambi loro malgrado)
Se volete risposte rispondete a tutte le mie domande
2 messaggi
• Pagina 1 di 1
Torna a Elettrotecnica generale
Chi c’è in linea
Visitano il forum: Nessuno e 20 ospiti

Elettrotecnica e non solo (admin)
Un gatto tra gli elettroni (IsidoroKZ)
Esperienza e simulazioni (g.schgor)
Moleskine di un idraulico (RenzoDF)
Il Blog di ElectroYou (webmaster)
Idee microcontrollate (TardoFreak)
PICcoli grandi PICMicro (Paolino)
Il blog elettrico di carloc (carloc)
DirtEYblooog (dirtydeeds)
Di tutto... un po' (jordan20)
AK47 (lillo)
Esperienze elettroniche (marco438)
Telecomunicazioni musicali (clavicordo)
Automazione ed Elettronica (gustavo)
Direttive per la sicurezza (ErnestoCappelletti)
EYnfo dall'Alaska (mir)
Apriamo il quadro! (attilio)
H7-25 (asdf)
Passione Elettrica (massimob)
Elettroni a spasso (guidob)
Bloguerra (guerra)


