Cos'è ElectroYou | Login Iscriviti

ElectroYou - la comunità dei professionisti del mondo elettrico

Rete RC: risoluzione con L-trasformata

Circuiti, campi elettromagnetici e teoria delle linee di trasmissione e distribuzione dell’energia elettrica

Moderatori: Foto Utenteg.schgor, Foto UtenteIsidoroKZ

2
voti

[1] Rete RC: risoluzione con L-trasformata

Messaggioda Foto UtenteMarcella » 7 giu 2013, 10:34

Ciao ragazzi,

il circuito è in questione è il seguente:



Dati:
V0= 3V
R = 10 ohm
C = 2 microFarad
g= 0,1 S

Di seguito la consegna dell'esercizio.
"A partire da un istante t=0, in cui il circuito si trova in regime stazionario permanente, l'interruttore viene chiuso. Si richiede di:
1) Determinare la risposta completa per la tensione Vc del condensatore per t>0, a partire dallo stato zero del circuito;
2) verificare che il circuito è assolutamente stabile."

Di seguito il mio elaborato.

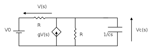
Il testo dice che nell'istante t=0 la rete è a regime, dunque, eseguo l'analisi per t<0. Il circuito si presenta nella forma:



L'informazione che interessa è la tensione sul condensatore, che non è presente, dunque Vc = 0.
Per la precisione Vc(0-)=0=Vc(0+) poiché la tensione in un condensatore non può variare istantaneamente.

Analisi per t>0, si ritorna dal punto di partenza:



Il circuito è stato disegnato nel dominio di Laplace.

Per la legge delle correnti al primo nodo partendo da sx:

I(s) + gV(s) = Ic(s) + Ir(s)
I(s) = -gV(s) + c Vc' + Ir(s)
I(s) =  -gV(s) + c s Vc + Vc(s)/R

Sapendo che:
legge alla maglia esterna --> V(s) = V(0) - Vc(s)
I(s) = V(s)/R

si ottiene

V(s)/R = -gV0 + g Vc(s) + c s Vc + Vc(s)/R
\frac{-V0+Vc(s)}{R} -gV0 + g Vc(s) + c s Vc + Vc(s)/R = 0

riordinando i termini:
Vc(s) (\frac{1}{R} +g + sc + \frac{1}{R}) - \frac{V0}{R} - gV0 =0

per concludere --> Vc(s) = \frac{V0/R + gV0}{2/R + g +sc}

Vc(s) = V0 \frac{1/R + g}{2/R + g +sc}

Per il teorema del valore finale --> \lim_{s \to \ 0} Vc(s) =2V

Antitrasformo per tornare nel dominio del tempo:

\lim_{s \to \ \frac {(-2/R - g)}{C}} (sc + 2/R + g) \frac {(V0/R + gV0)}{(2/R + g + sc)} e^{\frac {(-2/R - g)}{C}t}

Svolgendo i calcoli trovo 0,6 e^(-150000t), mentre il risultato corretto è Vc(t)=2(1-e^{-150000t}) V

Potete aiutarmi a capire dove sbaglio?
Grazie mille a tutti!
Avatar utente
Foto UtenteMarcella
55 4
 
Messaggi: 36
Iscritto il: 3 giu 2013, 15:27

0
voti

[2] Re: Rete RC: risoluzione con L-trasformata

Messaggioda Foto UtenteRenzoDF » 7 giu 2013, 11:31

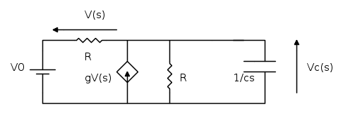
Direi che nel circuito
disegnato nel dominio di Laplace
manchi qualcosa relativamente al GIT.

... per quanto riguarda il metodo, forse Millman potrebbe risultare più veloce, vista la domanda.
"Il circuito ha sempre ragione" (Luigi Malesani)
Avatar utente
Foto UtenteRenzoDF
55,9k 8 12 13
G.Master EY
G.Master EY
 
Messaggi: 13189
Iscritto il: 4 ott 2008, 9:55

0
voti

[3] Re: Rete RC: risoluzione con L-trasformata

Messaggioda Foto UtenteMarcella » 7 giu 2013, 11:47

Per la questione del GiT, nel disegno (tratto da una vecchia prova scritta del mio prof.) è indicato V0. Forse potrebbe essere implicito un gradino che ha dimenticato di scrivere? Oppure è un errore che ho fatto io? Le costanti rimangono costanti nel dominio di Laplace, giusto?

Millman: intendi come metodo risolutivo al posto di L trasformata? Effettivamente potrebbe essere più immediato. Ho utilizzato Laplace perché è esplicitamente richiesto nel compito. Magari proverò anche con Millman. Giusto per vedere....
Avatar utente
Foto UtenteMarcella
55 4
 
Messaggi: 36
Iscritto il: 3 giu 2013, 15:27

0
voti

[4] Re: Rete RC: risoluzione con L-trasformata

Messaggioda Foto UtenteRenzoDF » 7 giu 2013, 11:54

Marcella ha scritto:Per la questione del GiT, nel disegno (tratto da una vecchia prova scritta del mio prof.) è indicato V0. Forse potrebbe essere implicito un gradino che ha dimenticato di scrivere?

Non si è dimenticato nulla; qual è la L-trasformata di una costante?

Marcella ha scritto:Millman: intendi come metodo risolutivo al posto di L trasformata?

No, intendo come metodo risolutivo nel dominio di Laplace.
"Il circuito ha sempre ragione" (Luigi Malesani)
Avatar utente
Foto UtenteRenzoDF
55,9k 8 12 13
G.Master EY
G.Master EY
 
Messaggi: 13189
Iscritto il: 4 ott 2008, 9:55

0
voti

[5] Re: Rete RC: risoluzione con L-trasformata

Messaggioda Foto UtenteMarcella » 7 giu 2013, 11:59

RenzoDF ha scritto:
Marcella ha scritto:Per la questione del GiT, nel disegno (tratto da una vecchia prova scritta del mio prof.) è indicato V0. Forse potrebbe essere implicito un gradino che ha dimenticato di scrivere?

Non si è dimenticato nulla; qual è la L-trasformata di una costante?


costante/s ??? :oops:

RenzoDF ha scritto:
Marcella ha scritto:Millman: intendi come metodo risolutivo al posto di L trasformata?

No, intendo come metodo risolutivo nel dominio di Laplace.

Ho frainteso! Ok, provo! E cercherò di postare la soluzione! Anche se non ho mai fatto Millman con generatori pilotati... sarà interessante!
Avatar utente
Foto UtenteMarcella
55 4
 
Messaggi: 36
Iscritto il: 3 giu 2013, 15:27

0
voti

[6] Re: Rete RC: risoluzione con L-trasformata

Messaggioda Foto UtenteMarcella » 7 giu 2013, 12:01

Sorry RenzoDF, ho scritto la risposta dentro alla citazione :cry:

La trasformata di una costante è costante/s. Rifaccio!
Avatar utente
Foto UtenteMarcella
55 4
 
Messaggi: 36
Iscritto il: 3 giu 2013, 15:27

0
voti

[7] Re: Rete RC: risoluzione con L-trasformata

Messaggioda Foto UtenteMarcella » 9 giu 2013, 12:44

Ho rifatto il calcolo...

Sarebbe

\lim_{s \to \ \frac {(-2/R - g)}{C}} (sc + 2/R + g) \frac {(V0/sR + gV0/s)}{(2/R + g + sc)} e^{\frac {(-2/R - g)}{C}t}

\lim_{s \to \ \frac {(-2/R - g)}{C}}  \frac{V0}{s} (1/R + g)} e^{\frac {(-2/R - g)}{C}t}

\lim_{s \to \ \frac {(-2/R - g)}{C}}  \frac{V0}{(-2/R -g)1/c} (1/R + g)} e^{\frac {(-2/R - g)}{C}t}

riporto i dati:
V0= 3V
R = 10 ohm
C = 2 microFarad
g= 0,1 S


\lim_{s \to \ \frac {(-2/R - g)}{C}}  0,2 \frac{3}{-150000}  e^{-150000t}

Vc(t) = -4 x 10^{-6}e^{-150000t}
Avatar utente
Foto UtenteMarcella
55 4
 
Messaggi: 36
Iscritto il: 3 giu 2013, 15:27

1
voti

[8] Re: Rete RC: risoluzione con L-trasformata

Messaggioda Foto UtenteRenzoDF » 9 giu 2013, 13:36

Marcella ha scritto:Ho rifatto il calcolo...
Vc(t) = -4 x 10^{-6}e^{-150000t}

Non ho controllato i tuoi calcoli, ma direi che solo a guardarla, quella soluzione non può essere corretta. ;-)

... per t\to \infty non mi sembra che {{v}_{C}}(t)\to 0, sbaglio?

Io come ti dicevo userei Millman per scrivere

\frac{\frac{{{V}_{0}}}{sR}+g\left( \frac{{{V}_{0}}}{s}-{{V}_{C}} \right)}{\frac{1}{R}+\frac{1}{R}+sC}={{V}_{C}}\quad \to \quad {{V}_{C}}=\frac{{{V}_{0}}(1+gR)}{RC{{s}^{2}}+(2+gR)s}

e quindi
{{v}_{C}}(t)={{L}^{-1}}\left[ {{V}_{C}}(s) \right]={{g\,{\it V_0}\,R+{\it V_0}}\over{g\,R+2}}-{{\left(g\,{\it V_0}\,C
 \,R^2+{\it V_0}\,C\,R\right)\,e^ {- {{t\,\left(g\,R+2\right)}\over{C
 \,R}} }}\over{C\,R\,\left(g\,R+2\right)}}

che particolarizzata per i valori dati, darà

{{v}_{C}}(t)=2-2{{e}^{-150000t}}

ovviamente la particolarizzazione conviene farla inizialmente, direttamente nella relazione di Millman, ovvero scrivendo subito

\frac{\frac{3}{10s}+\frac{1}{10}\left( \frac{3}{s}-{{V}_{C}} \right)}{\frac{1}{10}+\frac{1}{10}+2\times {{10}^{-6}}s}={{V}_{C}}

... ho postato la forma simbolica solo per facilitarti il controllo; non capisco il perché siate abituati ad elaborare simbolicamente fino al risultato finale, a mio parere è un rischio elaborativo completamente inutile.

BTW non usare la x per il prodotto fra valori numerici, usa invece \times
"Il circuito ha sempre ragione" (Luigi Malesani)
Avatar utente
Foto UtenteRenzoDF
55,9k 8 12 13
G.Master EY
G.Master EY
 
Messaggi: 13189
Iscritto il: 4 ott 2008, 9:55

0
voti

[9] Re: Rete RC: risoluzione con L-trasformata

Messaggioda Foto UtenteMarcella » 9 giu 2013, 14:07

Già è meglio utilizzare Millman!!!
Grazie mille! :D
Avatar utente
Foto UtenteMarcella
55 4
 
Messaggi: 36
Iscritto il: 3 giu 2013, 15:27

0
voti

[10] Re: Rete RC: risoluzione con L-trasformata

Messaggioda Foto UtenteMarcella » 10 giu 2013, 8:31

RenzoDF ha scritto:... ho postato la forma simbolica solo per facilitarti il controllo; non capisco il perché siate abituati ad elaborare simbolicamente fino al risultato finale, a mio parere è un rischio elaborativo completamente inutile.


Nel mio caso, ho in testa l'eco di una voce di un prof che dice "Sostituite sempre ALLA FINEEEE....EEE....EEE" :D comunque si può sempre cambiare!!! Effettivamente le probabilità di dimenticare qualche lettera qui e la diminuiscono....

RenzoDF ha scritto:BTW non usare la x per il prodotto fra valori numerici, usa invece \times


ok! Ho guardato il codice sorgente, ora ho capito!!! :ok:

Grazie mille!!!
Avatar utente
Foto UtenteMarcella
55 4
 
Messaggi: 36
Iscritto il: 3 giu 2013, 15:27

Prossimo

Torna a Elettrotecnica generale

Chi c’è in linea

Visitano il forum: Nessuno e 50 ospiti