Cos'è ElectroYou | Login Iscriviti

ElectroYou - la comunità dei professionisti del mondo elettrico

Circuito transitorio II ordine

Circuiti, campi elettromagnetici e teoria delle linee di trasmissione e distribuzione dell’energia elettrica

Moderatori: Foto Utenteg.schgor, Foto UtenteIsidoroKZ

0
voti

[1] Circuito transitorio II ordine

Messaggioda Foto Utentedaymos » 9 giu 2013, 18:31


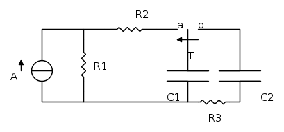
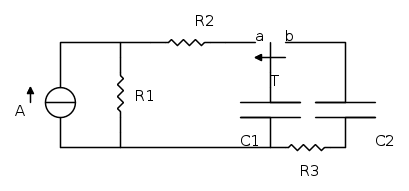
R1= 300 Ω
R2= 200 Ω
R3= 1000 Ω
C1=200 uF
C2=100 uF
A = 2A

All'istante t=0 (con C1 e C2 scarichi) il commutatore T è portato dalla posizione b alla posizione a

a) calcolare l'andamento della ddp tra i morsetti a e b durante il transitorio

b) massima e minima potenza erogata dal generatore durante il transitorio

... a transitorio estinto il commutatore è riportato in posizione b

c) calcolare l'andamento della tensione sul condensatore c1 e sul resistore R3.

Ciao a tutti. Non so come partire a fare quest'esercizio per il punto a. Qualcuno mi puo dare un idea?
In particolare non capisco come fa ha chiedere la ddp tra a e b? Sono due punti non connessi tra loro. (Capisco che che ci sia comunque una ddp del campo elettrico tra due punti anche se non connessi , ma non saprei come calcolarla)
Avatar utente
Foto Utentedaymos
83 3 7
Frequentatore
Frequentatore
 
Messaggi: 201
Iscritto il: 20 mar 2013, 12:15

0
voti

[2] Re: Circuito transitorio 2 ordine

Messaggioda Foto UtenteRenzoDF » 9 giu 2013, 19:14

Per rispondere alla domanda a, basterà fare il solito Thevenin a sinistra e successivamente calcolare la vab(t) a partire da una semplice KVL a destra. ;-)

Aspettiamo i tuoi sviluppi matematici.

Suggerirei di usare la relazione postata in [2] di questo precedente thread
viewtopic.php?t=45418#p413995
"Il circuito ha sempre ragione" (Luigi Malesani)
Avatar utente
Foto UtenteRenzoDF
55,9k 8 12 13
G.Master EY
G.Master EY
 
Messaggi: 13189
Iscritto il: 4 ott 2008, 9:55

0
voti

[3] Re: Circuito transitorio 2 ordine

Messaggioda Foto Utentedaymos » 9 giu 2013, 19:24

RenzoDF ha scritto:Per rispondere alla domanda a, basterà fare il solito Thevenin a sinistra e successivamente calcolare la vab(t) a partire da una semplice KVL a destra. ;-)


non c'è problema per Thevenin, ma non capisco come scrivere la KVL a destra
Avatar utente
Foto Utentedaymos
83 3 7
Frequentatore
Frequentatore
 
Messaggi: 201
Iscritto il: 20 mar 2013, 12:15

0
voti

[4] Re: Circuito transitorio 2 ordine

Messaggioda Foto Utentedaymos » 9 giu 2013, 19:29




Vth=600 V
Rth= 500 OHM

a e b sono scollegati, come procedo?
Avatar utente
Foto Utentedaymos
83 3 7
Frequentatore
Frequentatore
 
Messaggi: 201
Iscritto il: 20 mar 2013, 12:15

0
voti

[5] Re: Circuito transitorio 2 ordine

Messaggioda Foto UtenteRenzoDF » 9 giu 2013, 19:30

daymos ha scritto:non c'è problema per Thevenin, ma non capisco come scrivere la KVL a destra

Per Thevenin OK :ok:

... per la KVL



-{{v}_{{{C}_{1}}}}+{{v}_{{{R}_{3}}}}+{{v}_{{{C}_{2}}}}+{{v}_{ab}}=0
"Il circuito ha sempre ragione" (Luigi Malesani)
Avatar utente
Foto UtenteRenzoDF
55,9k 8 12 13
G.Master EY
G.Master EY
 
Messaggi: 13189
Iscritto il: 4 ott 2008, 9:55

0
voti

[6] Re: Circuito transitorio 2 ordine

Messaggioda Foto Utentedaymos » 9 giu 2013, 19:49

ma in questo caso non ho due costanti di tempo? Ho due elementi con memoria..
Avatar utente
Foto Utentedaymos
83 3 7
Frequentatore
Frequentatore
 
Messaggi: 201
Iscritto il: 20 mar 2013, 12:15

0
voti

[7] Re: Circuito transitorio 2 ordine

Messaggioda Foto UtenteRenzoDF » 9 giu 2013, 19:58

daymos ha scritto:ma in questo caso non ho due costanti di tempo? Ho due elementi con memoria..

Per la domanda a, essendo scollegato C2 di costanti di tempo ce n'è una sola, per la rete con il deviatore riportato su b ne parliamo più tardi.
"Il circuito ha sempre ragione" (Luigi Malesani)
Avatar utente
Foto UtenteRenzoDF
55,9k 8 12 13
G.Master EY
G.Master EY
 
Messaggi: 13189
Iscritto il: 4 ott 2008, 9:55

0
voti

[8] Re: Circuito transitorio 2 ordine

Messaggioda Foto Utentedaymos » 9 giu 2013, 20:11

ok.
Quindi poiche la corrente nel ramo di destra è nulla, Vr3 = 0.
Poi dentro a al condensatore 2:

1/C *\int i(t)\,dt

quindi Vc2 = 0.

Mi resta Vab = Vc1

Quindi calcolo Vab coon un eq diff o con la tua relazione, che se non sbaglio e il metodo della risposta a stato/ingresso zero e ho risolto a
Avatar utente
Foto Utentedaymos
83 3 7
Frequentatore
Frequentatore
 
Messaggi: 201
Iscritto il: 20 mar 2013, 12:15

0
voti

[9] Re: Circuito transitorio 2 ordine

Messaggioda Foto UtenteRenzoDF » 9 giu 2013, 20:13

daymos ha scritto:
Mi resta Vab = Vc1

Ok

daymos ha scritto: Quindi calcolo Vab coon un eq diff o con la tua relazione, ... e ho risolto a

Ok
"Il circuito ha sempre ragione" (Luigi Malesani)
Avatar utente
Foto UtenteRenzoDF
55,9k 8 12 13
G.Master EY
G.Master EY
 
Messaggi: 13189
Iscritto il: 4 ott 2008, 9:55

0
voti

[10] Re: Circuito transitorio 2 ordine

Messaggioda Foto Utentedaymos » 9 giu 2013, 20:33

ok quindi ho calcolato
Vc1= 600-600exp(-10t)

Per il punto b:

devo in sostanza calcolare il tensione ai capi del GIC all'istante t=0 e t> 5*costante di tempo ovvero fine transitorio. (NOTA, questa considerazione mi viene instintiva, ma c'è una logica analitica per affermare questo ammesso che sia giusto?)

All'istante t=0 la tensione ai capi del generatore corrisponde a qualla ai capi di R1, poiche nell'intorno destro di t= 0 la tensione ai capi del condensatore deve essere 0.
Quindi con un partitore calcolo la corrente per R1: I=0.8 A
V = 0.8*300=240V
Pmin = 240*2= 480W

Per t=5*tau
non so bene come procedere, se considero il condensatore completamente carico diventa un circuito aperto, quindi non influenza la tensione ai capi di r1..
Avatar utente
Foto Utentedaymos
83 3 7
Frequentatore
Frequentatore
 
Messaggi: 201
Iscritto il: 20 mar 2013, 12:15

Prossimo

Torna a Elettrotecnica generale

Chi c’è in linea

Visitano il forum: Nessuno e 43 ospiti