Flip Flop controllato da transistor...
Moderatori:
carloc,
g.schgor,
BrunoValente,
IsidoroKZ
8 messaggi
• Pagina 1 di 1
0
voti
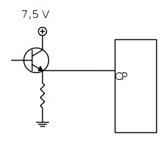
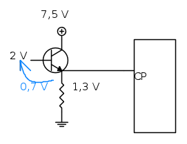
Ho un transistor col quale vorrei controllare il clock di un flip flop JK come vedete in figura(in particolare un 74HC107).
Quando il transistor è in azione ha una tensione di base di poco superiore ai i 2 V (vi risparmio tutti i passaggi precedenti del circuito), mentre ai capi della resistenza (da 100 ohm) leggo una tensione di poco inferiore a 1 V. Questa, come saprete, non è sufficiente a mandare un segnale di High al clock del flip-flop! Cosa fareste al posto mio per poter mandare la tensione adeguata al Clock?
0
voti
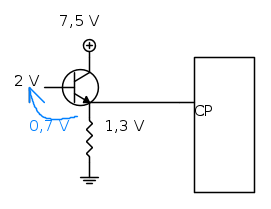
beh, intanto dei usare un PNP, perché per come hai disegnato ora lo schema, hai una caduta di tensione di 0,7 V tra B e E, in polarizzazione.
inoltre se hai problemi di tensione per pilotare il flip-flop, basta modellare correttamente la R.
inoltre se hai problemi di tensione per pilotare il flip-flop, basta modellare correttamente la R.
1
voti
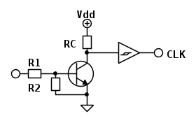
Con una tensione di entrata di 2V ed una tensione "di alimentazione" di 7.5V va benissimo un NPN, anzi, meglio
Con quelle tensioni, per pilotare il clock con il transistore (collegato come consigliato da Giovanni) è meglio usare anche una porta logica. Io in passato ho avuto problemi
Meglio prendere come spunto un circuito come questo:

Con quelle tensioni, per pilotare il clock con il transistore (collegato come consigliato da Giovanni) è meglio usare anche una porta logica. Io in passato ho avuto problemi
Meglio prendere come spunto un circuito come questo:

0
voti
simo85 ha scritto:Con una tensione di entrata di 2V ed una tensione "di alimentazione" di 7.5 V va benissimo un NPN, anzi, meglio![]()
Certamente, io mi riferivo più che altro al fatto che
ciao!
1
voti
Il '107 dovrebbe avere l'ingresso gia' triggerato, e lo stato cambia sui fronti negativi del clock (CP da alto a basso), dunque a mio parere non dovrebbe essere indispensabile l'invertitore trigger di Schmitt.
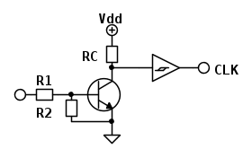
Io farei il tutto semplicemente in questo modo:
Nell'esempio ho posto J=K=HIGH per mostrare la transizione in toggle mode, ma è solo un esempio per far vedere la transizione delle uscite.
I resistori saranno da dimensionare in merito al BJT scelto, credo tu sia capace di farlo da solo, nel caso chiedi pure, in ogni caso non puoi farne a meno dovendo obbligatoriamente limitare la corrente di collettore in stato ON.
Il modello 74HC107 va alimentato a non piu' di 5V circa (mi pare abbia un AMR di 6V), dunque porrei uno Zener da 5.1V; in questo modo, con i valori che ho scelto per i componenti, dovresti avere una transizione tra circa 100 mV e la tensione dello Zener (5V circa).
Puoi usare ad esempio un 1N5231.
Come ulteriore opzione puoi inserire un condensatore (da dimensionare una volta scelta RC) tra collettore e riferimento gnd.
P.S. Se mi dici dove l'hai trovato mi faresti un favore, io l'ho ordinato tempo fa' e ancora del '107 manco l'ombra
Io farei il tutto semplicemente in questo modo:
Nell'esempio ho posto J=K=HIGH per mostrare la transizione in toggle mode, ma è solo un esempio per far vedere la transizione delle uscite.
I resistori saranno da dimensionare in merito al BJT scelto, credo tu sia capace di farlo da solo, nel caso chiedi pure, in ogni caso non puoi farne a meno dovendo obbligatoriamente limitare la corrente di collettore in stato ON.
Il modello 74HC107 va alimentato a non piu' di 5V circa (mi pare abbia un AMR di 6V), dunque porrei uno Zener da 5.1V; in questo modo, con i valori che ho scelto per i componenti, dovresti avere una transizione tra circa 100 mV e la tensione dello Zener (5V circa).
Puoi usare ad esempio un 1N5231.
Come ulteriore opzione puoi inserire un condensatore (da dimensionare una volta scelta RC) tra collettore e riferimento gnd.
P.S. Se mi dici dove l'hai trovato mi faresti un favore, io l'ho ordinato tempo fa' e ancora del '107 manco l'ombra
-

rusty
4.075 2 9 11 - Utente disattivato per decisione dell'amministrazione proprietaria del sito
- Messaggi: 1578
- Iscritto il: 25 gen 2009, 13:10
0
voti
rusty ha scritto:Il '107 dovrebbe avere l'ingresso gia' triggerato (...)
Giusto, tra l'altro ne avevamo proprio parlato nel thread del circuito con i flip flop. Me ne ero proprio dimenticato.
1
voti
Grazie di cuore a tutti ragazzi! Seguendo i vostri ottimi consigli sono finalmente riuscito a far funzionare il circuito!!! :)
A dire il vero il flip flop non funziona al meglio, sembra un po' difettoso, ma sono certo che la colpa sia della mia scarsa esperienza nel trattare questo tipo di integrati (fra resistenze di pull-up e condensatori vari!).
Ma per parlare di questo magari aprirò un'altra discussione, in modo da non andare off topic.
E magari appena lo finirò vi farò vedere il circuito completo in modo che possiate dirmi se ho fatto dei pasticci!
Grazie ancora a tutti!
P.S. Ho provato a darvi dei voti ma mi dice che non ho abbastanza Reputation
A dire il vero il flip flop non funziona al meglio, sembra un po' difettoso, ma sono certo che la colpa sia della mia scarsa esperienza nel trattare questo tipo di integrati (fra resistenze di pull-up e condensatori vari!).
Ma per parlare di questo magari aprirò un'altra discussione, in modo da non andare off topic.
E magari appena lo finirò vi farò vedere il circuito completo in modo che possiate dirmi se ho fatto dei pasticci!
Grazie ancora a tutti!
P.S. Ho provato a darvi dei voti ma mi dice che non ho abbastanza Reputation
8 messaggi
• Pagina 1 di 1
Chi c’è in linea
Visitano il forum: Nessuno e 61 ospiti

Elettrotecnica e non solo (admin)
Un gatto tra gli elettroni (IsidoroKZ)
Esperienza e simulazioni (g.schgor)
Moleskine di un idraulico (RenzoDF)
Il Blog di ElectroYou (webmaster)
Idee microcontrollate (TardoFreak)
PICcoli grandi PICMicro (Paolino)
Il blog elettrico di carloc (carloc)
DirtEYblooog (dirtydeeds)
Di tutto... un po' (jordan20)
AK47 (lillo)
Esperienze elettroniche (marco438)
Telecomunicazioni musicali (clavicordo)
Automazione ed Elettronica (gustavo)
Direttive per la sicurezza (ErnestoCappelletti)
EYnfo dall'Alaska (mir)
Apriamo il quadro! (attilio)
H7-25 (asdf)
Passione Elettrica (massimob)
Elettroni a spasso (guidob)
Bloguerra (guerra)









