Microinterruttore per attivazione elettrovalvola.
Moderatori:
SandroCalligaro,
mario_maggi,
fpalone
8 messaggi
• Pagina 1 di 1
0
voti
Salve, sono nuovo del forum e non sono molto esperto di elettronica. Vi giro un mio quesito che mi assilla da stamattina. Ho realizzato un impianto ad aria compressa che tramite una elettrovalvola (attivata da un interruttore) riempio un cuscino ad aria per variare l'apertura di una paratia. Ad ogni Pressione delll'interruttore il cuscino si riempie aprendo la paratia di una certa quantità. Più tengo premuto l'interruttore più si gonfia. Fin qui tutto bene. Stamattina mi hanno chiesto di modificare l'impianto in modo che ad ogni pressione gonfia il cuscino di una certa quantità e che se tengo premuto non accade nulla, tranne quando attivando uno switch funziona come ora. Ho visto che una cosa simile le usano le armi giocattolo da soft air che hanno sia il colpo singolo che a raffica. Mi hanno detto che con un microinterruttore a 4 fili posso risolvere il problema. E' possibile? 
0
voti
Sicuro che attualmente e con la modifica, quello che vai ad utilizzare sia un interruttore e non un pulsante?
Nel secondo caso, il circuito che comanda l' E.V. deve essere sensibile al solo impulso (escluso il funzionamento con switch, cui accennavi, per avere la funzionalità attuale). Per la sequenza di gonfiaggio, mi viene in mente una sorta di shift register, ma non e' il mio settore, quindi aspetta qualcun altro
Sarebbe utile partire dallo schema attuale.
Nel secondo caso, il circuito che comanda l' E.V. deve essere sensibile al solo impulso (escluso il funzionamento con switch, cui accennavi, per avere la funzionalità attuale). Per la sequenza di gonfiaggio, mi viene in mente una sorta di shift register, ma non e' il mio settore, quindi aspetta qualcun altro
Sarebbe utile partire dallo schema attuale.
Ognuno sta solo sul cuor della terra
trafitto da un raggio di sole:
ed è subito sera
Salvatore Quasimodo
trafitto da un raggio di sole:
ed è subito sera
Salvatore Quasimodo
0
voti
A me pare di capire che si voglia fare un automatismo semiautomatico: un comando anche mantenuto, ma che controlli l'elettrovalvola a tempo, in modo da avare dei gonfiaggi controllati, più, inoltre, anche l'attuale pulsante per poter fare delle operazioni manuali, (di compensazione?)
A che tensione lavora tutto il circuito?
A che tensione lavora tutto il circuito?
-

Candy
32,5k 7 10 13 - CRU - Account cancellato su Richiesta utente
- Messaggi: 10123
- Iscritto il: 14 giu 2010, 22:54
0
voti
Chiedo scusa ho scritto una cavolata, uso un pulsante. Il sistema deve essere sensibile al solo impulso (escluso il funzionamento con switch), per la quantità d'aria immessa regolano loro tramite (come mi hanno riferito) un regolatore posto a monte del serbatoio. Quindi a me serve solo capire come fare per fare il singolo impulso per esempio colpo singolo di un fucile automatico.
0
voti
Il sistema funziona a 24 volt. Io sono un meccanico di auto e camion, ho fornito (per piacere chiestomi) solo i due cuscini ad aria (1 è di riserva), il serbatoio aria in alluminio, l'elettrovalvola ed il pulsante con i tubi installati solo per schema (il tutto è un montaggio che effettuiamo sui veicoli commerciali per irrigidire le sospensioni). Tutto il resto (come ad esempio la chiusura di questa paratia) l'hanno creato loro
. Ora mi hanno chiesto se è possibile fare ciò. Ho trovato su http://www.conrad.it/ce/it/product/7056 ... o-circuiti questo microinterruttore che sembra fare al mio caso (lasciamo perdere le dimensioni), puo svolgere quella funzione?
. Ora mi hanno chiesto se è possibile fare ciò. Ho trovato su http://www.conrad.it/ce/it/product/7056 ... o-circuiti questo microinterruttore che sembra fare al mio caso (lasciamo perdere le dimensioni), puo svolgere quella funzione?2
voti
Non so se ho capito, a questo punto, cosa intendi.
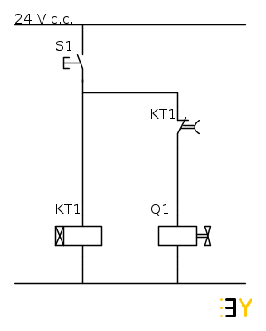
Lo schema seguente genera un comando impulsivo, con tempo regolabile. Il temporizzatore potrebbe essere n H3CRA della Omron, con ampie scale di valori possibili.
Diversamente, non saprei cosa dirti.
Lo schema seguente genera un comando impulsivo, con tempo regolabile. Il temporizzatore potrebbe essere n H3CRA della Omron, con ampie scale di valori possibili.
Diversamente, non saprei cosa dirti.
-

Candy
32,5k 7 10 13 - CRU - Account cancellato su Richiesta utente
- Messaggi: 10123
- Iscritto il: 14 giu 2010, 22:54
0
voti
Ms402 ha scritto:...sembra fare al mio caso (lasciamo perdere le dimensioni), puo svolgere quella funzione?
quel microinterruttore noto come microswitch non lo vedo adatto a comandare la bobina di un elettrovlavola, non per le dimensioni ma per le sue caratteristiche tecniche,per le quali la tensione di isolamento di 30 V soddisfa quella richiesta dal circuito ovvero i 24 V, mentre il valore di intensità di corrente di commutazione di 0,5 A ovvero 500 mA la vedo al limite per il comando di un elettrovalvola; questo fermo restando la necessità di adattarlo a pulsante e che il genere di applicazioni di questo tipo di microwitch è tutt'altro ..
Direi che la soluzione schematizzata da
temporizzatore omron H3CRA
0
voti
Hanno risolto prendendo spunto da un sito di softair usando un mosfet ed uno switch (recuperati da un fucile giocattolo in loro possesso). Ora ad ogni pressione il cuscino si riempie un poco e passando in modalità continua si riempie finché non lasciano il pulsante. Hanno sostituito il comando elettrico della valvola con uno da 12 volt e funziona bene. Sinceramente non ho capito nulla. Quando rientro andrò a vedere e capirò. 
8 messaggi
• Pagina 1 di 1
Chi c’è in linea
Visitano il forum: Nessuno e 13 ospiti

Elettrotecnica e non solo (admin)
Un gatto tra gli elettroni (IsidoroKZ)
Esperienza e simulazioni (g.schgor)
Moleskine di un idraulico (RenzoDF)
Il Blog di ElectroYou (webmaster)
Idee microcontrollate (TardoFreak)
PICcoli grandi PICMicro (Paolino)
Il blog elettrico di carloc (carloc)
DirtEYblooog (dirtydeeds)
Di tutto... un po' (jordan20)
AK47 (lillo)
Esperienze elettroniche (marco438)
Telecomunicazioni musicali (clavicordo)
Automazione ed Elettronica (gustavo)
Direttive per la sicurezza (ErnestoCappelletti)
EYnfo dall'Alaska (mir)
Apriamo il quadro! (attilio)
H7-25 (asdf)
Passione Elettrica (massimob)
Elettroni a spasso (guidob)
Bloguerra (guerra)



