Cos'è ElectroYou | Login Iscriviti

ElectroYou - la comunità dei professionisti del mondo elettrico

Calcolo tensioni su circuiti aperti

Circuiti, campi elettromagnetici e teoria delle linee di trasmissione e distribuzione dell’energia elettrica

Moderatori: Foto Utenteg.schgor, Foto UtenteIsidoroKZ

0
voti

[1] Calcolo tensioni su circuiti aperti

Messaggioda Foto UtenteMdp11 » 11 nov 2013, 19:15

Ciao a tutti!

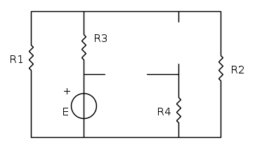
Devo calcolare la potenza erogata da ciascun generatore in questo circuito :


Devo quindi calcolare la corrente passante sul generatore di tensione, e le tensioni ai capi dei due generatori di corrente.
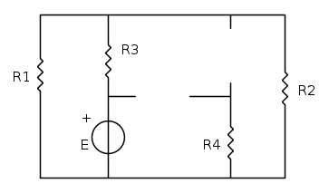
Spegno innanzitutto i generatori di corrente e mi trovo in questa situazione :



E qui mi chiedo, questo circuito (con i due generatori di corrente spenti), è equivalente a questo, giusto?


poiché da qui posso calcolare la corrente i ' del generatore di tensione. Però come posso poi calcolare la tensione ai capi dei due circuiti aperti? Credo che quasi sicuramente debba usare Kirchhoff alle maglie, però non riesco a trovare nessun modo per calcolare la tensione (o la corrente) su R4.
Grazie per ogni eventuale aiuto :-)
Avatar utente
Foto UtenteMdp11
1 3
 
Messaggi: 19
Iscritto il: 11 nov 2013, 14:47

0
voti

[2] Re: Calcolo tensioni su circuiti aperti

Messaggioda Foto Utentegotthard » 11 nov 2013, 19:21

Applica l' analisi nodale al circuito di partenza, e ti calcoli sia la corrente che scorre sul generatore indipendente di tensione che le tensioni ai capi dei due generatori indipendenti di corrente.

Altrimenti utilizza la sovrapposizione degli effetti.

Ps: Non so se il pezzo:
Mdp11 ha scritto:..non riesco a trovare nessun modo per calcolare la tensione (o la corrente) su R4.

l' ho interpretato bene, ma nel circuito in cui R4 è staccata, su di essa non scorre corrente e non c'è alcun caduta di potenziale!
...\frac{\mathrm{d} p}{\mathrm{d} t}=JCM... :!:
Avatar utente
Foto Utentegotthard
4.611 2 5 9
Expert EY
Expert EY
 
Messaggi: 1357
Iscritto il: 5 lug 2013, 14:01

0
voti

[3] Re: Calcolo tensioni su circuiti aperti

Messaggioda Foto UtenteMdp11 » 11 nov 2013, 19:50

Ma se utilizzo la sovrapposizione degli effetti, nel momento in cui spengo i due generatori di corrente (ovvero i circuiti che ho rappresentato), come faccio a calcolarmi la tensione ai loro capi?
Avatar utente
Foto UtenteMdp11
1 3
 
Messaggi: 19
Iscritto il: 11 nov 2013, 14:47

0
voti

[4] Re: Calcolo tensioni su circuiti aperti

Messaggioda Foto Utentegotthard » 11 nov 2013, 19:59

Con la sovrapposizione degli effetti devi, sequenzialmente, considerare un generatore ed escludere gli altri, ogni volta. Poi sommi i contributi.

Per cui, ora considera un generatore di corrente (escludendo gli altri due), e prova a calcolarti la tensione ai suoi capi.
...\frac{\mathrm{d} p}{\mathrm{d} t}=JCM... :!:
Avatar utente
Foto Utentegotthard
4.611 2 5 9
Expert EY
Expert EY
 
Messaggi: 1357
Iscritto il: 5 lug 2013, 14:01

0
voti

[5] Re: Calcolo tensioni su circuiti aperti

Messaggioda Foto UtenteMdp11 » 11 nov 2013, 20:06

Si, questo lo sapevo, il mio problema è calcolare il contributo delle tensioni ai capi dei generatori di corrente mentre sono entrambi spenti, ovvero quando considero solo il generatore di tensione (cioè il caso che ho esposto nel primo post). Oppure mi stai dicendo che in quel caso sono nulli?
Avatar utente
Foto UtenteMdp11
1 3
 
Messaggi: 19
Iscritto il: 11 nov 2013, 14:47

0
voti

[6] Re: Calcolo tensioni su circuiti aperti

Messaggioda Foto Utentegotthard » 11 nov 2013, 20:15

Mdp11 ha scritto:Oppure mi stai dicendo che in quel caso sono nulli?

Stavo cadendo in questa trappola infatti :mrgreen:

Riguardando il circuito, ti dico la mia (in attesa di altri più esperti): ai capi di J1 c'è una tensione pari ad E, mentre ai capi di J2 c'è lo stesso valore di tensione che c'è ai capi di R2.
...\frac{\mathrm{d} p}{\mathrm{d} t}=JCM... :!:
Avatar utente
Foto Utentegotthard
4.611 2 5 9
Expert EY
Expert EY
 
Messaggi: 1357
Iscritto il: 5 lug 2013, 14:01

0
voti

[7] Re: Calcolo tensioni su circuiti aperti

Messaggioda Foto UtenteEdmondDantes » 11 nov 2013, 20:16

Proviamo su J1

Su un morsetto hai il positivo di E e sull'altro, attraverso R4 su cui non scorre nessuna corrente, hai il morsetto negativo di E. La differenza fa +E.

Fai un ragionamento simile su J2
Il Conte di Montecristo

Se non studio un giorno, me ne accorgo io. Se non studio due giorni, se ne accorge il pubblico.

Io devo studiare sodo e preparare me stesso perché prima o poi verrà il mio momento.
Abraham Lincoln
Avatar utente
Foto UtenteEdmondDantes
11,9k 8 11 13
Disattivato su sua richiesta
 
Messaggi: 3619
Iscritto il: 25 lug 2009, 22:18
Località: Marsiglia

1
voti

[8] Re: Calcolo tensioni su circuiti aperti

Messaggioda Foto UtenteRenzoDF » 12 nov 2013, 0:16

Mdp11 ha scritto:... Devo calcolare la potenza erogata da ciascun generatore in questo circuito :... Credo che quasi sicuramente debba usare Kirchhoff alle maglie, ..

Ti consiglio Millman (per applicarlo ti basterà "sdoppiare" il GIT).
"Il circuito ha sempre ragione" (Luigi Malesani)
Avatar utente
Foto UtenteRenzoDF
55,9k 8 12 13
G.Master EY
G.Master EY
 
Messaggi: 13189
Iscritto il: 4 ott 2008, 9:55


Torna a Elettrotecnica generale

Chi c’è in linea

Visitano il forum: Nessuno e 57 ospiti