Progetto di un controllore per motore in corrente continua
Moderatori:
SandroCalligaro,
mario_maggi,
fpalone
-
donaldgray92
10 2 - Messaggi: 24
- Iscritto il: 28 feb 2013, 18:45
0
voti
[1] Progetto di un controllore per motore in corrente continua
Salve a tutti, sono alle prese con un compito di controlli automatici in cui mi viene chiesto il controllo di un motore in corrente continua, in particolare questo punto riguarda il controllo della corrente di rotore. Ho un sistema a blocchi con retroazione unitaria, in entrata una corrente di riferimento, poi due blocchi, uno è un controllore e uno una funzione di trasferimento (tra tensione e corrente)... mi viene richiesto di progettare il controllore in modo tale da avere errore a regime nullo e di avere banda passante superiore a 10^(3.23)... per errore a regime nullo non ho problemi, metto un polo del controllore nell'origine, ma per la banda passante non so come comportarmi! la funzione di trasferimento del secondo blocco è data da numeratore =2941s e denominatore=(s+3426)(s+192)....
-
g.schgor
57,8k 9 12 13 - G.Master EY

- Messaggi: 16971
- Iscritto il: 25 ott 2005, 9:58
- Località: MILANO
- Contatta:
1
voti
[2] Re: Progetto di un controllore per motore in corrente contin
Mi spiace che nessuno ti aiuti. L'argomento è molto interessante,
ma non mi azzardo a proporti una soluzione dopo la bocciatura di
dimaios al metodo di cancellazione di poli e zeri.
Immagino quindi che per l'esame tu debba seguire le procedure
oggi in voga (luogo delle radici, che personalmente non ho mai
visto applicato da nessun progettista in 35 anni di attività nel settore!).
Per la verità. non ho nemmeno mai visto un motore con comportamento
derivativo...
ma non mi azzardo a proporti una soluzione dopo la bocciatura di
Immagino quindi che per l'esame tu debba seguire le procedure
oggi in voga (luogo delle radici, che personalmente non ho mai
visto applicato da nessun progettista in 35 anni di attività nel settore!).
Per la verità. non ho nemmeno mai visto un motore con comportamento
derivativo...
-
dimaios
30,2k 7 10 12 - G.Master EY

- Messaggi: 3381
- Iscritto il: 24 ago 2010, 14:12
- Località: Behind the scenes
0
voti
[3] Re: Progetto di un controllore per motore in corrente contin
g.schgor ha scritto:ma non mi azzardo a proporti una soluzione dopo la bocciatura di
dimaios al metodo di cancellazione di poli e zeri.
Ophs .....
Nel caso in oggetto sarei curioso di vedere come il candidato ha calcolato la funzione di trasferimento.
In genere la funzione di trasferimento tra tensione di armatura e velocita' angolare risulta essere un filtro passa basso del secondo ordine stabile a fase minima.
Ingegneria : alternativa intelligente alla droga.
-
donaldgray92
10 2 - Messaggi: 24
- Iscritto il: 28 feb 2013, 18:45
0
voti
[4] Re: Progetto di un controllore per motore in corrente contin
grazie comunque delle risposte, la funzione di trasferimento non avrebbe il termine derivativo, esso risulta dalla semplificazione dall'attrito viscoso che per richiesta viene considerato nullo! si avrebbe in altre parole (B + sJ), con J momento d'inerzia del rotore...ho provato ad utilizzare un controllore k/s^2; ho trovato una costante k per la quale si abbia un polo in un certo valore desiderato, ed effettivamente in Simulink il tutto funziona, ottengo errore a regime che si assesta intorno a zero, la corrente in uscita si assesta al valore imposto in entrata mentre la tensione è una rampa (e qui rimango perplesso, sale a valori altissimi)... per precisione riporto la funzione di trasferimento tra tensione e corrente del motore: (B+sJ)/[(R+sL)(B+sJ) + Kt^2]. R è la resistenza di rotore, L l'induttanza, Kt invece la costante di coppia... tramite il controllore che mi serve, e con retroazione, devo ottenere un anello di corrente e devo poterlo implementare tramite un PI...
-
dimaios
30,2k 7 10 12 - G.Master EY

- Messaggi: 3381
- Iscritto il: 24 ago 2010, 14:12
- Località: Behind the scenes
0
voti
[5] Re: Progetto di un controllore per motore in corrente contin
Non si capisce molto da quello che dici.
Hai utilizzato un doppio integrale come controllore. Perche' ?
Disegna con FidoCADJ il sistema e cita tutte le funzioni di trasferimento del loop e poi vediamo di venirne a capo.
Scrivi le formule in LaTex.
Hai utilizzato un doppio integrale come controllore. Perche' ?
Disegna con FidoCADJ il sistema e cita tutte le funzioni di trasferimento del loop e poi vediamo di venirne a capo.
Scrivi le formule in LaTex.
Ingegneria : alternativa intelligente alla droga.
-
donaldgray92
10 2 - Messaggi: 24
- Iscritto il: 28 feb 2013, 18:45
0
voti
[6] Re: Progetto di un controllore per motore in corrente contin
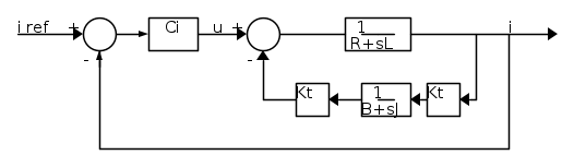
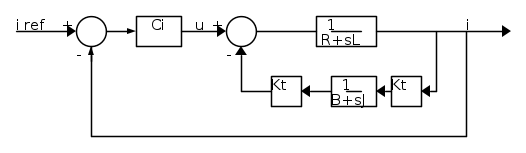
ecco lo schema dell'anello di corrente fatto con fidocad... le richieste sono: sistema con errore a regime nullo e banda passante almeno 10 volte superiore a quella dell'anello di velocità, il quale, calcolato in precedenza, ha banda passante pari a 10^(2.25) rad/sec...B è nullo, R vale 1.23 ohm, Kt 0.0389 Nm/A, J è 6.7*10^(-6) ed L è 3.4*10(-4)...

Elettrotecnica e non solo (admin)
Un gatto tra gli elettroni (IsidoroKZ)
Esperienza e simulazioni (g.schgor)
Moleskine di un idraulico (RenzoDF)
Il Blog di ElectroYou (webmaster)
Idee microcontrollate (TardoFreak)
PICcoli grandi PICMicro (Paolino)
Il blog elettrico di carloc (carloc)
DirtEYblooog (dirtydeeds)
Di tutto... un po' (jordan20)
AK47 (lillo)
Esperienze elettroniche (marco438)
Telecomunicazioni musicali (clavicordo)
Automazione ed Elettronica (gustavo)
Direttive per la sicurezza (ErnestoCappelletti)
EYnfo dall'Alaska (mir)
Apriamo il quadro! (attilio)
H7-25 (asdf)
Passione Elettrica (massimob)
Elettroni a spasso (guidob)
Bloguerra (guerra)


