Ciao,
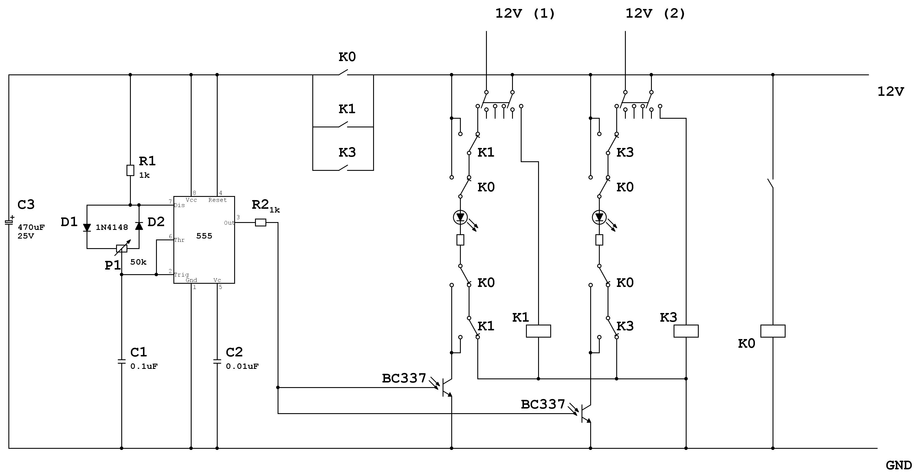
dopo essermi studiato il PWM ho costruito il seguente circuito. Volevo chiedere opinioni e/o consigli a riguardo. Il mio dubbio è su quei transistor, o meglio detto la resistenza R2.
Opinione/consiglio su circuito
Moderatori:
carloc,
g.schgor,
BrunoValente,
IsidoroKZ
5 messaggi
• Pagina 1 di 1
0
voti
0
voti
accidenti mi spiace ma non posso aiutarti...nel piano di studi non ho seguito divinazione, corso fondamentale quando devi capire cosa passa per la testa alla gente senza indizi :)
comunque, i due transistor hanno Vbe in parallelo, che ti posso dire essere male anche senza sfera di cristallo. Sdoppia la R2 e mettine una per base dei transistor.
comunque, i due transistor hanno Vbe in parallelo, che ti posso dire essere male anche senza sfera di cristallo. Sdoppia la R2 e mettine una per base dei transistor.
_______________________________________________________
Gli oscillatori non oscillano mai, gli amplificatori invece sempre
Io HO i poteri della supermucca, e ne vado fiero!
Gli oscillatori non oscillano mai, gli amplificatori invece sempre
Io HO i poteri della supermucca, e ne vado fiero!
0
voti
obiuan ha scritto:accidenti mi spiace ma non posso aiutarti...nel piano di studi non ho seguito divinazione, corso fondamentale quando devi capire cosa passa per la testa alla gente senza indizi :)
...era ironico?
obiuan ha scritto:comunque, i due transistor hanno Vbe in parallelo, che ti posso dire essere male anche senza sfera di cristallo. Sdoppia la R2 e mettine una per base dei transistor.
immaginavo. Ma ne metto due da 1k o li smezzo in 2 da 500? C'è bisogno anche di qualche diodo per caso?
0
voti
emaborsa ha scritto:...era ironico?
significava: se non mi spieghi cosa vorresti quel circuito facesse, ci devo perdere tempo per capirlo (visto che non ho seguito divinazione :) ). E siccome di tempo non ne ho, posso dirti solo le cose che saltano all'occhio.
emaborsa ha scritto:obiuan ha scritto:comunque, i due transistor hanno Vbe in parallelo, che ti posso dire essere male anche senza sfera di cristallo. Sdoppia la R2 e mettine una per base dei transistor.
immaginavo. Ma ne metto due da 1k o li smezzo in 2 da 500? C'è bisogno anche di qualche diodo per caso?
2 da 1k vanno benissimo...sempre che i LED non siano da 15W. Per i diodi...e che ne so? non ho capito che è quella robba...
_______________________________________________________
Gli oscillatori non oscillano mai, gli amplificatori invece sempre
Io HO i poteri della supermucca, e ne vado fiero!
Gli oscillatori non oscillano mai, gli amplificatori invece sempre
Io HO i poteri della supermucca, e ne vado fiero!
0
voti
2 Faretti LED collegati ad un PWM per regolare la luce. La parte sinistra è il PWM. La parte destra è uno schema che permette di accendere e/o spegnere i due faretti. Con K0 spento e i due commutatori a tre vie in quello stato, i faretti si accendono se ci sono le tensioni a 12v (1) e/o 12V (2). Premendo l'interruttore K0 entrambi i faretti sono accesi SEMPRE indipendentemente dai due commutatori. I due commutatori permettono di staccare i faretti da 12v (1) e/o 12V (2) o di accenderli SEMPRE.
Ricapitolando: K0 per accendere entrambi i faretti, commutatore sinistro (K1) per un faretto singolo e commutatore destro (K3) per l'altro faretto. Il tutto regolabile tramite il PWM.
I faretti sono da 12V 1.5W.
Per i diodi intendevo metterli prima dei transistor assieme alle resistenze.
Ricapitolando: K0 per accendere entrambi i faretti, commutatore sinistro (K1) per un faretto singolo e commutatore destro (K3) per l'altro faretto. Il tutto regolabile tramite il PWM.
I faretti sono da 12V 1.5W.
Per i diodi intendevo metterli prima dei transistor assieme alle resistenze.
5 messaggi
• Pagina 1 di 1
Chi c’è in linea
Visitano il forum: Google Adsense [Bot] e 36 ospiti

Elettrotecnica e non solo (admin)
Un gatto tra gli elettroni (IsidoroKZ)
Esperienza e simulazioni (g.schgor)
Moleskine di un idraulico (RenzoDF)
Il Blog di ElectroYou (webmaster)
Idee microcontrollate (TardoFreak)
PICcoli grandi PICMicro (Paolino)
Il blog elettrico di carloc (carloc)
DirtEYblooog (dirtydeeds)
Di tutto... un po' (jordan20)
AK47 (lillo)
Esperienze elettroniche (marco438)
Telecomunicazioni musicali (clavicordo)
Automazione ed Elettronica (gustavo)
Direttive per la sicurezza (ErnestoCappelletti)
EYnfo dall'Alaska (mir)
Apriamo il quadro! (attilio)
H7-25 (asdf)
Passione Elettrica (massimob)
Elettroni a spasso (guidob)
Bloguerra (guerra)


