Buongiorno a tutti.
Dovrei realizzare un piccolo circuito con ne555 che mi dia in uscita una frequenza di 200hz e un duty cicle che vada dal 20% all' 80%
Ne ho realizzati un paio,ma noto che nonostante i calcoli siano corretti non ottengo le specifiche che vorrei.
C'e' la piossibilita' di eseguire il medesimo con un PIC?
Grazie
circuito con ne555
Moderatori:
carloc,
g.schgor,
BrunoValente,
IsidoroKZ
6 messaggi
• Pagina 1 di 1
0
voti
Ciao
albatros1993 ... come ti è stato suggerito, prova a documentare quello che hai realizzato così, magari, chi volesse, potrebbe provare ad aiutarti.
Per questo ...
Il mio parere è che se l'impiego dello NE555 può rispondere alle specifiche non occorre cercare un'alternativa più "articolata" infatti, se poni una domanda del genere (in merito al PIC) ho il dubbio, ma posso sbagliarmi, che tu al momento lo possa utilizzare per tale fine.
Il suggerimento che mi permetto di darti è quello di provare a fare funzionare il tuo circuito e, dopo, dedicartici anche col micro.
Saluti
Per questo ...
prova a ricontrollare le espressioni che hai utilizzato; se le tue esigenze, rientrano nei limiti applicativi del chip, il circuito deve rispondere alle aspettative e funzionare altrimenti ... o i calcoli non sono corretti o i componenti non corrispondono nominalmente a quelli previsti.albatros1993 ha scritto: noto che nonostante i calcoli siano corretti non ottengo le specifiche che vorrei.
C'e' la piossibilita' di eseguire il medesimo con un PIC?
Grazie
Il mio parere è che se l'impiego dello NE555 può rispondere alle specifiche non occorre cercare un'alternativa più "articolata" infatti, se poni una domanda del genere (in merito al PIC) ho il dubbio, ma posso sbagliarmi, che tu al momento lo possa utilizzare per tale fine.
Il suggerimento che mi permetto di darti è quello di provare a fare funzionare il tuo circuito e, dopo, dedicartici anche col micro.
Saluti
W - U.H.F.
-

WALTERmwp
30,2k 4 8 13 - G.Master EY

- Messaggi: 8986
- Iscritto il: 17 lug 2010, 18:42
- Località: le 4 del mattino
0
voti
in questo momento sul mio PC non ho installato fidocad.
Lo installo e propongo il circuito da me fatto.
Grazie
Lo installo e propongo il circuito da me fatto.
Grazie
-

albatros1993
13 2 6 - Frequentatore

- Messaggi: 218
- Iscritto il: 31 gen 2010, 12:09
0
voti
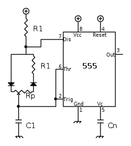
Provo a vedere se ho colto il problema: probabilmente usi uno schema fatto così:
In cui variando il valore del trimmer
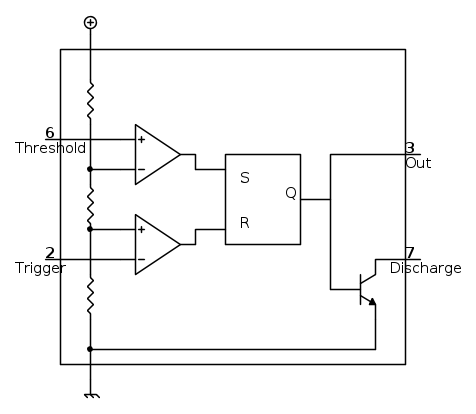
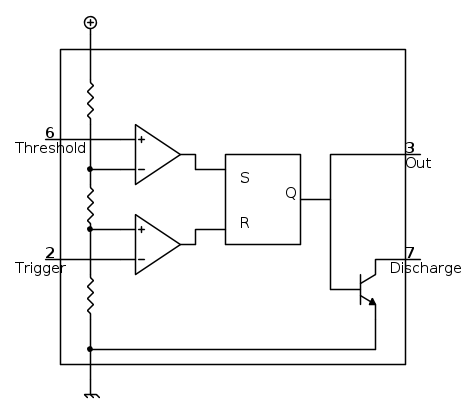
dovresti poter variare il duty cycle dell'onda quadra in uscita. In realtà, una configurazione del genere non ti fa variare solo il duty cycle, ma anche la frequenza dell'onda. Lo schema a blocchi interno al 555 è fatto così:
Collegandolo come lo schema sopra, puoi calcolarti i tempi di carica e scarica della tensione sul condensatore
(quello che innescherà il Trigger e quindi il reset del flip-flop). Il tempo di carica, ossia il tempo in cui l'uscita è alta, vale circa (senza stare a fare tanti conti puoi trovarlo anche su wikipedia):

Mentre il tempo di scarica, ossia il tempo in cui l'uscita è bassa, analogamente vale (
non conta più perché è come se considerassi il piedino 7 Discharge praticamente a massa):

Da qui vedi che cambiando il valore di
non solo vari il duty cycle, ma anche la frequenza dell'onda quadra in uscita. Inoltre il duty cycle
non può assumere valori inferiori al 50%, infatti se
tende a infinito D vale al massimo 0.5.
Per poter cambiare il duty cycle senza far variare la frequenza devi per forza "disallacciare" tra loro i due tempi: per fare ciò di solito si usano dei diodi in maniera che quando la corrente scorre da una parte (carica) venga attraversata solo una resistenza, mentre quando scorre dall'altra (scarica) venga attraversata un'altra resistenza diversa e le due non interagiscano tra loro, così facendo puoi assumere tutti i valori di D che vuoi. Inoltre per avere frequenza fissa (
) devi fare in modo che
dia sempre lo stesso valore. Questo lo ottieni semplicemente con un potenziometro connesso in questo modo:
Così facendo avrai per la carica
, dove
è la percentuale di posizione del potenziometro, e per la scarica
, cosicchè la frequenza è fissa e vale circa
, e il duty cycle invece vale
, quindi con la posizione del potenziometro
puoi controllare il duty cycle, mentre la frequenza rimane invariata, infatti nella formula per la frequenza non appare il
.
Quindi per prima cosa ti calcoli la frequenza a cui vuoi che la tua onda quadra oscilli impostando il valore di
(generalmente è meglio tenere
a valori più alti di
per avere più linearità), e successivamente puoi far variare D agendo sul potenziometro per valori che raggiungono tranquillamente il minimo di 20% e il massimo di 80%.
E' questo quello che cercavi?
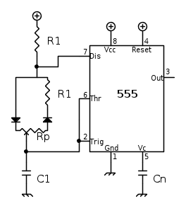
In cui variando il valore del trimmer
dovresti poter variare il duty cycle dell'onda quadra in uscita. In realtà, una configurazione del genere non ti fa variare solo il duty cycle, ma anche la frequenza dell'onda. Lo schema a blocchi interno al 555 è fatto così:Collegandolo come lo schema sopra, puoi calcolarti i tempi di carica e scarica della tensione sul condensatore
(quello che innescherà il Trigger e quindi il reset del flip-flop). Il tempo di carica, ossia il tempo in cui l'uscita è alta, vale circa (senza stare a fare tanti conti puoi trovarlo anche su wikipedia):
Mentre il tempo di scarica, ossia il tempo in cui l'uscita è bassa, analogamente vale (
non conta più perché è come se considerassi il piedino 7 Discharge praticamente a massa):
Da qui vedi che cambiando il valore di
non solo vari il duty cycle, ma anche la frequenza dell'onda quadra in uscita. Inoltre il duty cycle
non può assumere valori inferiori al 50%, infatti se
tende a infinito D vale al massimo 0.5.Per poter cambiare il duty cycle senza far variare la frequenza devi per forza "disallacciare" tra loro i due tempi: per fare ciò di solito si usano dei diodi in maniera che quando la corrente scorre da una parte (carica) venga attraversata solo una resistenza, mentre quando scorre dall'altra (scarica) venga attraversata un'altra resistenza diversa e le due non interagiscano tra loro, così facendo puoi assumere tutti i valori di D che vuoi. Inoltre per avere frequenza fissa (
) devi fare in modo che
dia sempre lo stesso valore. Questo lo ottieni semplicemente con un potenziometro connesso in questo modo:Così facendo avrai per la carica
, dove
è la percentuale di posizione del potenziometro, e per la scarica
, cosicchè la frequenza è fissa e vale circa
, e il duty cycle invece vale
, quindi con la posizione del potenziometro
puoi controllare il duty cycle, mentre la frequenza rimane invariata, infatti nella formula per la frequenza non appare il
.Quindi per prima cosa ti calcoli la frequenza a cui vuoi che la tua onda quadra oscilli impostando il valore di
(generalmente è meglio tenere
a valori più alti di
per avere più linearità), e successivamente puoi far variare D agendo sul potenziometro per valori che raggiungono tranquillamente il minimo di 20% e il massimo di 80%.E' questo quello che cercavi?
6 messaggi
• Pagina 1 di 1
Chi c’è in linea
Visitano il forum: Nessuno e 184 ospiti

Elettrotecnica e non solo (admin)
Un gatto tra gli elettroni (IsidoroKZ)
Esperienza e simulazioni (g.schgor)
Moleskine di un idraulico (RenzoDF)
Il Blog di ElectroYou (webmaster)
Idee microcontrollate (TardoFreak)
PICcoli grandi PICMicro (Paolino)
Il blog elettrico di carloc (carloc)
DirtEYblooog (dirtydeeds)
Di tutto... un po' (jordan20)
AK47 (lillo)
Esperienze elettroniche (marco438)
Telecomunicazioni musicali (clavicordo)
Automazione ed Elettronica (gustavo)
Direttive per la sicurezza (ErnestoCappelletti)
EYnfo dall'Alaska (mir)
Apriamo il quadro! (attilio)
H7-25 (asdf)
Passione Elettrica (massimob)
Elettroni a spasso (guidob)
Bloguerra (guerra)



pigreco]=π