Salve a tutti, ho un problema con un relè di casa, pensavo fosse rotto e l'ho cambiato ma fa lo stesso problema, ovvero dal momento in cui attivo la corrente in casa fa un solo scatto e si blocca in quella posizione, senza fare altri scatti se premo l'interruttore, ma se stacco e attacco la corrente rifà lo scatto e si blocca. Quale potrebbe essere il problema?
Grazie infinite.
riparazione relè
Moderatori:
sebago,
MASSIMO-G,
lillo,
Mike
11 messaggi
• Pagina 1 di 2 • 1, 2
1
voti
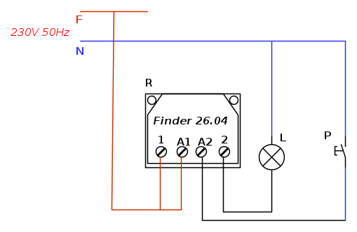
in genere lo schema tipico di funzionamento di un relè, per applicazioni civili,prevede per la sua attivazione o eccitazione l'utilizzo di un pulsante P di tipo NO (normalmente aperto), che una volta comandato (ovvero chiuso) fornisce al relè l'altro riferimento di alimentazione, che nell'esempio è il conduttore di Neutro su un terminale della bobina A2 ,avendo già sull'altro terminale A1 della stessa il riferimento di Fase.
pertanto vien da se che se questo lato del circuito rimane chiuso il relè si troverà ad avere fissi i riferimenti di fase e neutro, quindi sarà sempre alimentato o meglio eccitato.
Per questo il difetto nel caso specifico andrà cercato sul circuito di comando del relè, ovvero sul pulsante o pulsanti, come già suggerito da Candy.
pertanto vien da se che se questo lato del circuito rimane chiuso il relè si troverà ad avere fissi i riferimenti di fase e neutro, quindi sarà sempre alimentato o meglio eccitato.
Per questo il difetto nel caso specifico andrà cercato sul circuito di comando del relè, ovvero sul pulsante o pulsanti, come già suggerito da Candy.
0
voti
Ok proverò a staccare un interruttore alla volta così da capire quale sia quello difettoso.
-

danielecap
15 2 - Messaggi: 3
- Iscritto il: 13 giu 2014, 12:16
1
voti
danielecap ha scritto:proverò a staccare un interruttore alla volta
immagino tu volessi dire :"pulsanti", e non staccare bensi :"scollegare"
eh già, perché per comandare (o eccitare un relè) si utilizzano i pulsanti che a differenza degli interruttori quando vengono pigiati non mantengono lo stato ma tornano da soli nella condizione di riposo, pertanto poiché in genere si utilizzano i pulsanti con contatto normalmente aperto (NO) questi quando vengono pigiati cambiano stato chiudendo il contatto,quindi comandando il circuito o meglio alimentandolo, e nell'istante in cui si rilasciano tornano nella condizione di riposo ovvero di contatto aperto, disalimentando il circuito.
Mentre gli interruttori, sono dei dispositivi che una volta pigiati mantengono lo stato di aperto o chiuso, per cambiare stato occorre nuovamente pigiare sugli stessi.
3
voti
[10] Re: riparazione relè
Grazie dell'avermi reso edotto al riguardo, almeno hai avuto la decenza di spiegarti, decenza che qualcunaltro non è stato capace di avere.


-

danielecap
15 2 - Messaggi: 3
- Iscritto il: 13 giu 2014, 12:16
11 messaggi
• Pagina 1 di 2 • 1, 2
Torna a Impianti, sicurezza e quadristica
Chi c’è in linea
Visitano il forum: Google Adsense [Bot] e 52 ospiti

Elettrotecnica e non solo (admin)
Un gatto tra gli elettroni (IsidoroKZ)
Esperienza e simulazioni (g.schgor)
Moleskine di un idraulico (RenzoDF)
Il Blog di ElectroYou (webmaster)
Idee microcontrollate (TardoFreak)
PICcoli grandi PICMicro (Paolino)
Il blog elettrico di carloc (carloc)
DirtEYblooog (dirtydeeds)
Di tutto... un po' (jordan20)
AK47 (lillo)
Esperienze elettroniche (marco438)
Telecomunicazioni musicali (clavicordo)
Automazione ed Elettronica (gustavo)
Direttive per la sicurezza (ErnestoCappelletti)
EYnfo dall'Alaska (mir)
Apriamo il quadro! (attilio)
H7-25 (asdf)
Passione Elettrica (massimob)
Elettroni a spasso (guidob)
Bloguerra (guerra)







