Se devo trovare l'andamento temporale della tensione o della corrente devo prima calcolare le tensioni ai capi dei condensatori e le correnti che attraversano gli induttori per t(0).
Ridisegnare il circuito trasformando i componenti ed esprimere la quantità interessata come meglio credere.
Essendo in forma
(è un esempio ad muzzum)passo in forma di bode ,raccolgo la s e trovo i campioni facendone i limite per s che tende al valore della singolarità.
Questo è il mio ragionamento, c'è già qualcosa che non va nella mia teoria?
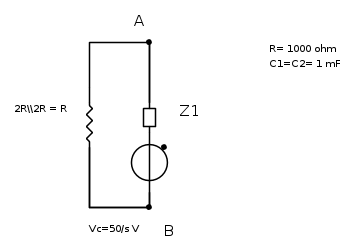
quindi andando per tentativi affronto questo circuito
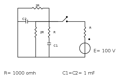
in regime stazionario prima dell'apertura del tasto che avviene all'istante t=0.
Determinare la tensione nei condensatori all'istante t=0- e l'andamento temporale della tensione VC2(t) per t > 0.
Con il tasto chiuso noto che le tensioni ai capi di dei C sono uguali e con il partitore di corrente trovo che
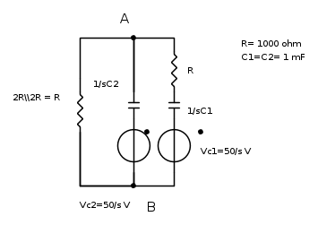
inserisco i generatori equivalenti, di tensione in questo caso e ridisegno il circuito aprendo il tasto
Posso trascurare il ramo con il mio GIT perché aperto ..
a questo punto dovrei esprimere la Vc2 nel tempo.. ma non so come.
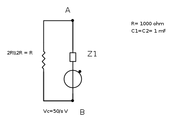
esprimerei la corrente che attraversa C2 e quindi
Studierei le due maglie trovandomi le due correnti e scrivendo le cadute di tensione alle maglie .
Alla maglia di destra

alla maglia sinistra

Ditemi, rischio di passare la notte in bianco inutilmente vero?

Elettrotecnica e non solo (admin)
Un gatto tra gli elettroni (IsidoroKZ)
Esperienza e simulazioni (g.schgor)
Moleskine di un idraulico (RenzoDF)
Il Blog di ElectroYou (webmaster)
Idee microcontrollate (TardoFreak)
PICcoli grandi PICMicro (Paolino)
Il blog elettrico di carloc (carloc)
DirtEYblooog (dirtydeeds)
Di tutto... un po' (jordan20)
AK47 (lillo)
Esperienze elettroniche (marco438)
Telecomunicazioni musicali (clavicordo)
Automazione ed Elettronica (gustavo)
Direttive per la sicurezza (ErnestoCappelletti)
EYnfo dall'Alaska (mir)
Apriamo il quadro! (attilio)
H7-25 (asdf)
Passione Elettrica (massimob)
Elettroni a spasso (guidob)
Bloguerra (guerra)



potremo poi anche unire i morsetti positivi dei due GIT e risolvere magari con la falsa posizione, ad ogni modo anche Millman risulterebbe utilissimo in questo caso, in quanto ti ricaveresti con un'unica relazione la tensione su C2.
per le resistenze,
per i condensatori
per le correnti e
per le tensioni, tutto il calcolo si semplifica.








?
volevano essere fittizie non di ramo.


con










