Ciao,
prima dell'avvento della tecnologia C-MOS, so che i circuiti logici utilizzavano i BJT.
Conoscendo la logica a MOS, mi sono chiesto: com'era fatta una porta NOT a BJT ?
Ho pensato ad una configurazione Push-Pull, ma non mi convince il suo comportamento (analisi NON di piccolo segnale).
Inoltre, guardando la porta NOT C-MOS, pensavo che la soluzione dovesse essere analoga, quindi così:
Ma non saprei come polarizzare i BJT.
Grazie in anticipo per i consigli!
Porta NOT a BJT
Moderatori:
carloc,
g.schgor,
BrunoValente,
IsidoroKZ
26 messaggi
• Pagina 1 di 3 • 1, 2, 3
3
voti
Come hai giustamente intuito, la prima proposta non funziona correttamente: non è invertente, banalmente.
La seconda, in linea di massima, potrebbe anche funzionare, ma ha diversi difetti non trascurabili. Per la polarizzazione direi che è teoricamente sufficiente una resistenza in base a ciascun BJT (la corrente di collettore passa attraverso il carico, che tu hai omesso di disegnare esplicitamente).
Le vere porte logiche a BJT, comunque, sono progettate in tutt'altro modo: le due famiglie più diffuse e (in alcuni rari casi) tuttora utilizzate sono la TTL e l'ECL. L'inverter TTL è questo, mentre l'ECL non ha bisogno di inverter in quanto tutti i segnali logici sono trasmessi come coppie complementari.
La seconda, in linea di massima, potrebbe anche funzionare, ma ha diversi difetti non trascurabili. Per la polarizzazione direi che è teoricamente sufficiente una resistenza in base a ciascun BJT (la corrente di collettore passa attraverso il carico, che tu hai omesso di disegnare esplicitamente).
Le vere porte logiche a BJT, comunque, sono progettate in tutt'altro modo: le due famiglie più diffuse e (in alcuni rari casi) tuttora utilizzate sono la TTL e l'ECL. L'inverter TTL è questo, mentre l'ECL non ha bisogno di inverter in quanto tutti i segnali logici sono trasmessi come coppie complementari.
0
voti
Grazie mille per la tua risposta. Mi sono reso conto che una soluzione BJT complementare non è fattibile.
Ci avevo pensato da un'idea che vorrei sviluppare, cioè una porta logica in grado anche di adattare il mio segnale. Mi spiego meglio:
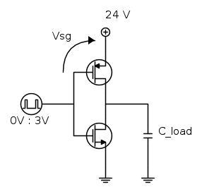
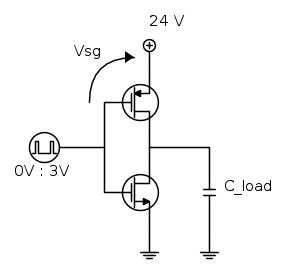
se ho una logica che lavora a basse tensioni (1,8 V, 2,5 V, 3,3 V) e volessi controllare un vecchio apparato con logica a 24 V, come potrei fare?
avevo inizialmente pensato ad una porta NOT a MOSFET, ma avrei ovviamente il problema di polarizzare correttamente il P-MOS:
Infatti così
sarebbe sempre maggiore della tensione di soglia, ed il PMOS non sarebbe mai spento.
Ho quindi pensato: visto che controllare in tensione non è la soluzione adatta, perché non controllare in corrente (e quindi usare i BJT)?
Lùnica cosa che mi viene in mente è lùtilizzo di pull-up e pull-down, ma il ritardo di propagazione è altissimo!
qualcuno potrebbe consigliarmi?
grazie!
Ci avevo pensato da un'idea che vorrei sviluppare, cioè una porta logica in grado anche di adattare il mio segnale. Mi spiego meglio:
se ho una logica che lavora a basse tensioni (1,8 V, 2,5 V, 3,3 V) e volessi controllare un vecchio apparato con logica a 24 V, come potrei fare?
avevo inizialmente pensato ad una porta NOT a MOSFET, ma avrei ovviamente il problema di polarizzare correttamente il P-MOS:
Infatti così
sarebbe sempre maggiore della tensione di soglia, ed il PMOS non sarebbe mai spento.Ho quindi pensato: visto che controllare in tensione non è la soluzione adatta, perché non controllare in corrente (e quindi usare i BJT)?
Lùnica cosa che mi viene in mente è lùtilizzo di pull-up e pull-down, ma il ritardo di propagazione è altissimo!
qualcuno potrebbe consigliarmi?
grazie!
0
voti

"Non farei mai parte di un club che accettasse la mia iscrizione" (G. Marx)
-

claudiocedrone
21,3k 4 7 9 - Master EY

- Messaggi: 15302
- Iscritto il: 18 gen 2012, 13:36
0
voti

"Non farei mai parte di un club che accettasse la mia iscrizione" (G. Marx)
-

claudiocedrone
21,3k 4 7 9 - Master EY

- Messaggi: 15302
- Iscritto il: 18 gen 2012, 13:36
1
voti
Vedi la tipologia RTL o TTL. Consiglio dare uno sguardo a RTL cookbook e TTL Databook. Per la TTL vedi anche i vecchi datasheet della Texas Instruments serie 7400. Wikipedia ha una pagina intera dedicata alla lista di tutti gli IC di questa serie con link ai ds.
Ciao.
Ciao.
0
voti
claudiocedrone ha scritto::-) A mio parere di inesperto intendo dire che proprio per motivi di propagazione (e non solo) ti conviene rivolgerti a circuiti integrati e non a componenti discreti.
sono d'accordo con te, mapurtroppo di circuiti integrati in grado di convertirmi queste tensioni non ne ho trovati...
con "traslatore di livello" intendi un circuito di questo tipo?
0
voti
Dal primo post sembra che tu sia interessato a capire come erano schematizzate le porte logiche a bipolari.
Ora sembra che tu debba risolvere un problema in particolare.
Boh.
Ora sembra che tu debba risolvere un problema in particolare.
Boh.
0
voti
Beh, sono interessato a capire come funzionano le TTL per risolvere proprio il probema che sto affrontando.
Mi rendo conto di aver creato confusione e mi scuso.
Il problema che mi trovo ad affrontare nello specifico è inviare segnali logici da un apparato a 3,3 V ad uno a 24 V. Sono segnali a frequenza di circa 1 MHz, che mi creano quindi qualche problema ad utilizzare resistenze di pull-up.
I segnali viaggiano in una sola direzione, cioè dalla logica a 3,3V a quella a 24 V.
Mi rendo conto che la soluzione migliore sarebbe quella di trovare un IC dedicato, ma non ne ho trovati di adatti, per questo pensavo di realizzare il tutto con componenti discreti.
Spero di non aver omesso nulla.
Grazie,
StefDrums.
Mi rendo conto di aver creato confusione e mi scuso.
Il problema che mi trovo ad affrontare nello specifico è inviare segnali logici da un apparato a 3,3 V ad uno a 24 V. Sono segnali a frequenza di circa 1 MHz, che mi creano quindi qualche problema ad utilizzare resistenze di pull-up.
I segnali viaggiano in una sola direzione, cioè dalla logica a 3,3V a quella a 24 V.
Mi rendo conto che la soluzione migliore sarebbe quella di trovare un IC dedicato, ma non ne ho trovati di adatti, per questo pensavo di realizzare il tutto con componenti discreti.
Spero di non aver omesso nulla.
Grazie,
StefDrums.
0
voti
[10] Re: Porta NOT a BJT
Così per curiosità, sarebbe possibile sapere che tipo di apparato è che richiede segnali digitali a 24 V e 1 MHz 
1 MHz cosa indicano? Il bit rate? La frequenza? Oppure il corrispondente rise/fall time?
Magari saperne di più aiuterebbe a inquadrare meglio il problema...
1 MHz cosa indicano? Il bit rate? La frequenza? Oppure il corrispondente rise/fall time?
Magari saperne di più aiuterebbe a inquadrare meglio il problema...
Se funziona quasi bene, è tutto sbagliato. A.Savatteri/M.Mazza
26 messaggi
• Pagina 1 di 3 • 1, 2, 3
Chi c’è in linea
Visitano il forum: Nessuno e 101 ospiti

Elettrotecnica e non solo (admin)
Un gatto tra gli elettroni (IsidoroKZ)
Esperienza e simulazioni (g.schgor)
Moleskine di un idraulico (RenzoDF)
Il Blog di ElectroYou (webmaster)
Idee microcontrollate (TardoFreak)
PICcoli grandi PICMicro (Paolino)
Il blog elettrico di carloc (carloc)
DirtEYblooog (dirtydeeds)
Di tutto... un po' (jordan20)
AK47 (lillo)
Esperienze elettroniche (marco438)
Telecomunicazioni musicali (clavicordo)
Automazione ed Elettronica (gustavo)
Direttive per la sicurezza (ErnestoCappelletti)
EYnfo dall'Alaska (mir)
Apriamo il quadro! (attilio)
H7-25 (asdf)
Passione Elettrica (massimob)
Elettroni a spasso (guidob)
Bloguerra (guerra)









