Cos'è ElectroYou | Login Iscriviti

ElectroYou - la comunità dei professionisti del mondo elettrico

Circuito per caricare 8 batterie NiMh

Elettronica lineare e digitale: didattica ed applicazioni

Moderatori: Foto Utentecarloc, Foto Utenteg.schgor, Foto UtenteBrunoValente, Foto UtenteIsidoroKZ

0
voti

[1] Circuito per caricare 8 batterie NiMh

Messaggioda Foto Utenteboschi » 7 ott 2014, 22:05

salve a tutti, mio padre ha in giro due radio portatili con le batterie distrutte, un giorno mi ha chiesto di sostituirgliele, e io ho accettato.
dopo averle smontate mi ritrovo 8 batterie nicd, e unj misero circuito d'alimentazione.
volevo usare delle batterie nimh perche sono le prime che ho trovato, e credo che comunque l'unica differenza sia tra i picchi di discesa della corrente a fine carica.
ho dato uno sguardo al circuito originale, contiene delle resistenze, un condensatore, un led e due duiodi 1n4148, nulla di attivo.
volevo creare qualcosa di più adatto alla corrente delle batterie (3500mah contro i 650 originali), e che potesse essere alimentato a 13,8v (batteria da auto) o dai comuni alimentatori con jack 2,1mm (a 12v).
da quanto ho letto su wikipedia le batterie nimh vanno caricate a 1,4-1,6V per cella, nel mio caso (8 celle) tra 11,2 e 12,8V, quindi inizialmente avevo pensato a questo:


con R da 15 ohm per via della caduta di tensione effettuata dalle batterie, quindi creando la formula R=V/R=(12-8)/0,3

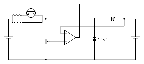
e se lo spazio me lo consente (ho circa 0,5 x 5 x 3 ) usare questo:


qui invece sempre R da 15 ohm, e R2 con un valore più basso, che faccia passare corrente solo per l'operazionale

questi schemi li ho creati io al momento, possono funzionare?
qualunque critica e/o suggerimento e sempre ben accetto

grazie in anticipo delle risposte
Avatar utente
Foto Utenteboschi
3 1 2
 
Messaggi: 13
Iscritto il: 23 lug 2014, 16:13
Località: lombardia, san cassiano

0
voti

[2] Re: Circuito per caricare 8 batterie NiMh

Messaggioda Foto UtenteFedericoSibona » 8 ott 2014, 10:08

Per iniziare: di che formato di batterie stiamo parlando ?
Avatar utente
Foto UtenteFedericoSibona
5.022 3 5 8
Master
Master
 
Messaggi: 3951
Iscritto il: 19 mar 2013, 11:43

0
voti

[3] Re: Circuito per caricare 8 batterie NiMh

Messaggioda Foto UtenteTITAN » 8 ott 2014, 13:15

AA
quindi max 2700mAh.
Avatar utente
Foto UtenteTITAN
1.041 2 4 5
Sostenitore
Sostenitore
 
Messaggi: 1463
Iscritto il: 31 dic 2012, 20:22

0
voti

[4] Re: Circuito per caricare 8 batterie NiMh

Messaggioda Foto Utentegammaci » 8 ott 2014, 15:35

questi schemi li ho creati io al momento, possono funzionare?

Attenzione al transistor NPN che sembra alla rovescia (emettitore a tensione maggiore di collettore)
Sul "funzionare" ho dei dubbi, per caricare le NimH serve qulcosa di più complicato in grado di rilevare quando la tensione sulla batteria smette di crescere in funzione del tempo (la derivata della tensione rispetto al tempo è nulla). Il circuito si chiama "delta V uguale a zero".
Per piccole correnti (tempi lunghi di carica) basta una semplice resistenza in serie alle batterie da caricare tale che la corrente non superi un decimo della capacita (C/10).
O_/
Da soli conosciamo alcune cose.
In molti ne conosceremo molte di più.
Avatar utente
Foto Utentegammaci
3.838 2 4 7
Master
Master
 
Messaggi: 1040
Iscritto il: 27 feb 2014, 12:20

0
voti

[5] Re: Circuito per caricare 8 batterie NiMh

Messaggioda Foto Utenteboschi » 8 ott 2014, 22:06

@TITAN non so se sia una bufala, ma sulle batterie c'e scritto che sono da 3500 mah, più precisamente
http://www.ebay.it/itm/301263154048

@gammaci in effetti dubitavo potesse funzionare, quindi con la semplice R da 15 ohm dovrebbe funzionare?

correggetemi se sbaglio, ma credo di si, poiche una volta a fine carica la tensione passante per R calerebbe, portando la corrente a un valore prossimo a 0, ben inferiore di C/10

e sempre seguendo tale logica, potrei anche far calare R, fino a 8-10 ohm, ma questo solo se cio che ho scritto prima è giusto
Avatar utente
Foto Utenteboschi
3 1 2
 
Messaggi: 13
Iscritto il: 23 lug 2014, 16:13
Località: lombardia, san cassiano

0
voti

[6] Re: Circuito per caricare 8 batterie NiMh

Messaggioda Foto UtenteFedericoSibona » 9 ott 2014, 8:24

Le Ni-Cd avevano capacità complessiva inferiore ma, in genere, correnti di scarica e carica massime maggiori.
Consiglierei di provare ad inserire le Ni-MH al posto delle Ni-Cd, senza manomettere il caricabatteria, e, inserendo batterie scariche, misurare la corrente di carica. Al limite, se la corrente sarà un po' bassa, ci vorrà un po' più di tempo per la carica completa.
Si legge qualcosa sulle Ni-Cd riguardo alla corrente di carica?
Qualche dubbio:
a - sono radio ricetrasmittenti mobili e le batterie sono 4 per apparecchio?
b - la carica avviene collegando gli apparecchi alla rete quando non si usano?
c - il caricabatteria è negli apparecchi o in una base esterna?

PS: non credo che il caricabatteria esistente sia sofisticato e senta il dV/dt. Per inciso: il ginocchio di tensione a carica completa nelle Ni-MH è, in genere, molto meno accentuato che nelle Ni-Cd.

Sulle tue ipotesi sul funzionamento con il resistore in serie non è proprio così, ma lascio ad altri il compito di risponderti (non mi piacciono i messaggi troppo lunghi) ;-)
Avatar utente
Foto UtenteFedericoSibona
5.022 3 5 8
Master
Master
 
Messaggi: 3951
Iscritto il: 19 mar 2013, 11:43

0
voti

[7] Re: Circuito per caricare 8 batterie NiMh

Messaggioda Foto Utentemarco438 » 9 ott 2014, 8:46

FedericoSibona ha scritto:Sulle tue ipotesi sul funzionamento con il resistore in serie non è proprio così, ma lascio ad altri il compito di risponderti (non mi piacciono i messaggi troppo lunghi) ;-)

In effetti Federico, i caricatori commerciali sono fatti proprio cosi': un trasformatore, un diodo ed una resistenza.
Non e' la soluzione ottimale (anzi) ma i produttori non si preoccupano troppo della durata delle batterie. :mrgreen:
marco
Avatar utente
Foto Utentemarco438
37,1k 7 11 13
-EY Legend-
-EY Legend-
 
Messaggi: 16323
Iscritto il: 24 mar 2010, 15:09
Località: Versilia

0
voti

[8] Re: Circuito per caricare 8 batterie NiMh

Messaggioda Foto UtenteFedericoSibona » 9 ott 2014, 9:03

boschi ha scritto: correggetemi se sbaglio, ma credo di si, poiche una volta a fine carica la tensione passante per R calerebbe, portando la corrente a un valore prossimo a 0, ben inferiore di C/10

Foto Utentemarco438, è questa frase che mi pare un po' incasinata ;-)

Foto Utenteboschi, se la corrente diminuisce, diminuisce anche la caduta di tensione sul resistore (legge di Ohm) aumentando la tensione sulla batteria aumentando di un certo valore anche la corrente di carica. In pratica il resistore in serie agisce come se il caricabatteria fosse un rudimentale generatore di corrente ;-)
Avatar utente
Foto UtenteFedericoSibona
5.022 3 5 8
Master
Master
 
Messaggi: 3951
Iscritto il: 19 mar 2013, 11:43

0
voti

[9] Re: Circuito per caricare 8 batterie NiMh

Messaggioda Foto Utentemarco438 » 9 ott 2014, 9:39

Mah. voleva forse dire che, a fine carica, essendo la richiesta di corrente della batteria minima, il caricatore eroga pochi mA. :D
marco
Avatar utente
Foto Utentemarco438
37,1k 7 11 13
-EY Legend-
-EY Legend-
 
Messaggi: 16323
Iscritto il: 24 mar 2010, 15:09
Località: Versilia

0
voti

[10] Re: Circuito per caricare 8 batterie NiMh

Messaggioda Foto UtenteEcoTan » 9 ott 2014, 9:42

boschi ha scritto:con la semplice R da 15 ohm dovrebbe funzionare?

Ma sì, io eliminerei anche lo zener che tira corrente dalla batteria dell'auto e forse aggiungerei uno o due diodi al silicio in serie a quello già presente per creare una caduta di tensione fra le diverse batterie (comunque quello zener ha anche una sua logica perché attenua le variazioni della batteria dell'auto che sono notevoli, da 9V in avviamento a 16V in ricarica con una batteria un po' fusa).
E' chiaro che un caricabatterie automatico è un'altra cosa ma qui non se ne parla, non mi pare (correggetemi) che le batterie Ni-Cd o Ni-Mh si rovinano tanto facilmente eccedendo col tempo di ricarica.
P.S. Bellissima la foto..
Avatar utente
Foto UtenteEcoTan
7.720 4 12 13
Expert EY
Expert EY
 
Messaggi: 5422
Iscritto il: 29 gen 2014, 8:54

Prossimo

Torna a Elettronica generale

Chi c’è in linea

Visitano il forum: Nessuno e 164 ospiti