Ragazzi potreste dirmi se questi schemi sono giusti?
Link cancellati; usa FidoadJ e leggi le regole del forum.
Poi avrei due domande
1) Come si presenterebbe lo schema se la lampada è comandata da 4-5 punti?
2) Se devo comandare 2 o più lampade come cambia lo schema se viene comandato da 1-2-3-4 o 5+ punti?
3) A cosa serve il cerchio accanto all' interruttore,deviatore invertitore se non ci va nessun filo?
4) Se voglio comandare una lampada o qualsiasi altra cosa a 12v ed ho un alimentatore a 12v ma voglio mettere un interruttore o più di uno come viene lo schema?
Grazie mille!!!
Accensione lampade da più punti di comando
Moderatori:
sebago,
MASSIMO-G,
lillo,
Mike
21 messaggi
• Pagina 1 di 3 • 1, 2, 3
0
voti
Ciao, con quegli schemi (che seppur disegnati benissimo) non ci capisco molto, riesci a farne di elettrici? Cioè con i simboli dell'interruttore "ben bene". Gli schemi vanno disegnati con fidocad
guida: http://www.electroyou.it/darwinne/wiki/fidocadj
un esempio di schema con fidocad lo trovi qui sotto:
guida: http://www.electroyou.it/darwinne/wiki/fidocadj
un esempio di schema con fidocad lo trovi qui sotto:
0
voti
Ragazzi, devo imparare prima questa cosa, con fidocad per ora non ci capisco, se proprio qui non posso pubblicare miei schemi su fogli qualcuno può aiutarmi su questa cosa in PM? 
-

ScatenaStefano
15 2 - Messaggi: 27
- Iscritto il: 22 nov 2014, 20:13
0
voti
ScatenaStefano ha scritto:con fidocad per ora non ci capisco
Abbiamo tempo di aspettare che impari ad usarlo.
Una persona normale ci impiega circa una mezzoretta.
ScatenaStefano ha scritto:qualcuno può aiutarmi su questa cosa in PM?
Che equivale a dire: "io delle regole del forum me ne frego."
Bravo, ottimo inizio.
Ciao,
Pietro.
-

PietroBaima
90,7k 7 12 13 - G.Master EY

- Messaggi: 12207
- Iscritto il: 12 ago 2012, 1:20
- Località: Londra
0
voti
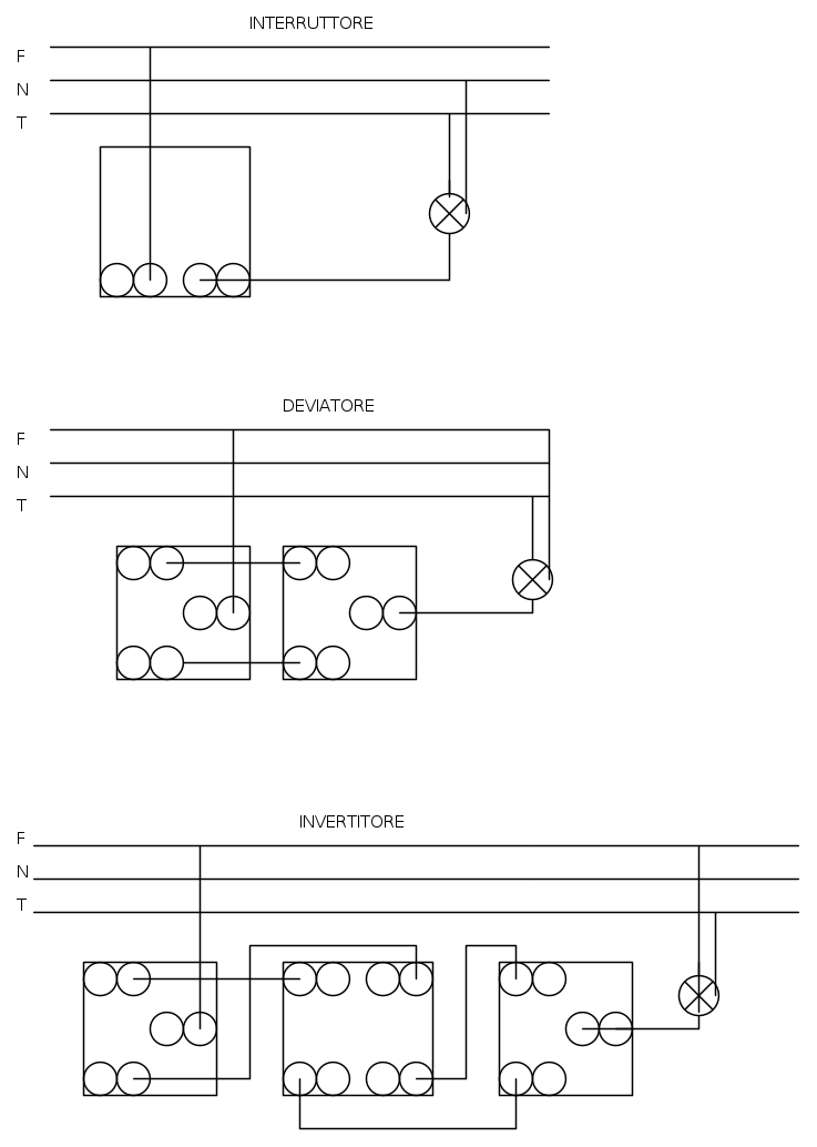
Non intendo che non so usare fidocad, non capisco gli interruttori ecc, nel senso che se metto un interruttore come nella figura allegata non fa capire i collegamenti cioè a quale dei due buchi dell' interruttore devo mettere il filo
non so come spiegarmi..
non so come spiegarmi..Ultima modifica di
ScatenaStefano il 22 nov 2014, 22:17, modificato 1 volta in totale.
-

ScatenaStefano
15 2 - Messaggi: 27
- Iscritto il: 22 nov 2014, 20:13
0
voti
Se è un interruttore e non un deviatore non è importante se i fili vengono scambiati.
-

PietroBaima
90,7k 7 12 13 - G.Master EY

- Messaggi: 12207
- Iscritto il: 12 ago 2012, 1:20
- Località: Londra
1
voti
Non intendo quello, io vorrei uno schema come quello fatto da me prima, che sto rifacendo adesso per voi su fidocad per le varie cose che avevo chiesto, in modo da capirci e dopo riuscire a usare fidocad con la simbologia elettrica e riuscire a fare le cose anche nel pratico.. appena ho fatto riposto i disegni fatti con fidocad e vedo se mi potete dare un mano
-

ScatenaStefano
15 2 - Messaggi: 27
- Iscritto il: 22 nov 2014, 20:13
0
voti
ok, aspettiamo lo schema allora.
Grazie.
Grazie.
-

PietroBaima
90,7k 7 12 13 - G.Master EY

- Messaggi: 12207
- Iscritto il: 12 ago 2012, 1:20
- Località: Londra
2
voti
Scusami per le immagini, andavo di fretta ammetto di non aver letto il regolamento, adesso mentre voi cercate di rispondere a quelle mie 5 domande vado a leggermelo tutto
Penso che si capisce ma praticamente è come fare una foto all' impianto dall' alto, a me serve vedere in quale morsetto va il filo, quale filo e dove collegarlo. e poi vabbe le altre domande di curiosità
Le domande:
Penso che si capisce ma praticamente è come fare una foto all' impianto dall' alto, a me serve vedere in quale morsetto va il filo, quale filo e dove collegarlo. e poi vabbe le altre domande di curiosità
Le domande:
ScatenaStefano ha scritto:1) Come si presenterebbe lo schema se la lampada è comandata da 4-5 punti?
2) Se devo comandare 2 o più lampade come cambia lo schema se viene comandato da 1-2-3-4 o 5+ punti?
3) A cosa serve il cerchio accanto all' interruttore,deviatore invertitore se non ci va nessun filo?
4) Se voglio comandare una lampada o qualsiasi altra cosa a 12 V ed ho un alimentatore a 12 V ma voglio mettere un interruttore o più di uno come viene lo schema?
-

ScatenaStefano
15 2 - Messaggi: 27
- Iscritto il: 22 nov 2014, 20:13
0
voti
ScatenaStefano ha scritto:Scusami per le immagini, andavo di fretta ammetto di non aver letto il regolamento, adesso mentre voi cercate di rispondere a quelle mie 5 domande vado a leggermelo tutto
Nessun problema, non mi devi delle scuse.
ScatenaStefano ha scritto:1) Come si presenterebbe lo schema se la lampada è comandata da 4-5 punti?
ScatenaStefano ha scritto:2) Se devo comandare 2 o più lampade come cambia lo schema se viene comandato da 1-2-3-4 o 5+ punti?
Metti tutte le lampade in parallelo
ScatenaStefano ha scritto:3) A cosa serve il cerchio accanto all' interruttore,deviatore invertitore se non ci va nessun filo?
I due morsetti di cui parli sono collegati insieme.
Danno la possibilità di collegare due fili allo stesso terminale.
E' una scelta di comodo.
ScatenaStefano ha scritto:4) Se voglio comandare una lampada o qualsiasi altra cosa a 12 V ed ho un alimentatore a 12 V ma voglio mettere un interruttore o più di uno come viene lo schema?
Se devi alimentare la lampada a 12 V i vari collegamenti non cambiano.
metti il gruppo alimentatore-lampada dopo tutto il gruppo di deviatori e invertitori.
Ricordati sempre di staccare la fase e non il neutro.
-

PietroBaima
90,7k 7 12 13 - G.Master EY

- Messaggi: 12207
- Iscritto il: 12 ago 2012, 1:20
- Località: Londra
21 messaggi
• Pagina 1 di 3 • 1, 2, 3
Torna a Impianti, sicurezza e quadristica
Chi c’è in linea
Visitano il forum: Google Adsense [Bot] e 147 ospiti

Elettrotecnica e non solo (admin)
Un gatto tra gli elettroni (IsidoroKZ)
Esperienza e simulazioni (g.schgor)
Moleskine di un idraulico (RenzoDF)
Il Blog di ElectroYou (webmaster)
Idee microcontrollate (TardoFreak)
PICcoli grandi PICMicro (Paolino)
Il blog elettrico di carloc (carloc)
DirtEYblooog (dirtydeeds)
Di tutto... un po' (jordan20)
AK47 (lillo)
Esperienze elettroniche (marco438)
Telecomunicazioni musicali (clavicordo)
Automazione ed Elettronica (gustavo)
Direttive per la sicurezza (ErnestoCappelletti)
EYnfo dall'Alaska (mir)
Apriamo il quadro! (attilio)
H7-25 (asdf)
Passione Elettrica (massimob)
Elettroni a spasso (guidob)
Bloguerra (guerra)


pigreco]=π
