Salve a tutti,
Ho un problema con un circuito che dovrei costruire. Purtroppo non sono molto esperto di elettronica, e sto lavorando un po' al buio. Spero che mi possiate aiutare.
Il mio obbiettivo era far accendere una lampadina schiacciando un pulsante e farla rispegnere schiacciando nuovamente il pulsante. Dopo un po di ricerche ho capito che dovevo costruire un circuito bistabile. Ho cercato lo schema e ho trovato questo.
Ho comprato i componenti indicati e li ho collegati correttamente, ma il circuito non funziona. Ho provato più volte, ma in qualunque momento ho una tensione di circa 8 volt ai capi della lampadina, anche se schiaccio o meno il tasto.
Mi è venuto il dubbio che il circuito potesse essere sbagliato. Mi potete dare una mano?
Grazie a tutti =)
Circuito bistabile
Moderatori:
carloc,
g.schgor,
BrunoValente,
IsidoroKZ
12 messaggi
• Pagina 1 di 2 • 1, 2
0
voti
Dove è la lampadina nel circuito ?
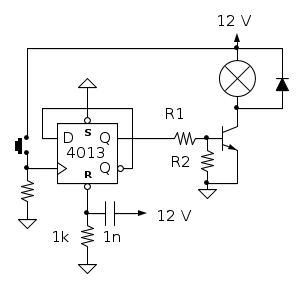
Se è quella che va al posto del relé propongo questa soluzione con un 4013
Se è quella che va al posto del relé propongo questa soluzione con un 4013
0
voti
Grazie della risposta.
Dovrebbe essere quel P1. Poi contavo di mettere lì le resistenze per abbassare i volt per il led che ci devo mettere.
In effetti il tuo circuito sembra più semplice. Ma i componenti non sono dimensionati, e io proprio non so da dove partire.
Non e che mi potresti dire se il mio ha qualche errore? perché ho già comprato quei componenti =(
Grazie
Dovrebbe essere quel P1. Poi contavo di mettere lì le resistenze per abbassare i volt per il led che ci devo mettere.
In effetti il tuo circuito sembra più semplice. Ma i componenti non sono dimensionati, e io proprio non so da dove partire.
Non e che mi potresti dire se il mio ha qualche errore? perché ho già comprato quei componenti =(
Grazie
-

Carlofiori91
5 2 - Messaggi: 16
- Iscritto il: 1 mar 2015, 10:48
0
voti
Carlofiori91 ha scritto:Dovrebbe essere quel P1.
Occhio che quel P1 non è la lampadina!!!! bensì il pulsante di controllo.
Sarebbe opportuno che chiarissi come hai collegato la lampadina ed il pulsante!
saluti.
-

lelerelele
4.899 3 7 9 - Master

- Messaggi: 5505
- Iscritto il: 8 giu 2011, 8:57
- Località: Reggio Emilia
0
voti

P.s. Inoltre, per assemblare un circuito, sarebbe indispensabile almeno saper leggere uno schema elettrico... almeno credo
"Non farei mai parte di un club che accettasse la mia iscrizione" (G. Marx)
-

claudiocedrone
21,3k 4 7 9 - Master EY

- Messaggi: 15302
- Iscritto il: 18 gen 2012, 13:36
0
voti
come ho detto le mie conoscenze di elettronica sono limitate. Il relè per me è sempre stato un modo diverso per dire interruttore.
Quello che mi servirebbe è schiacciare un tasto per accendere una lampadina e rischiacciandolo spegnerla. Ho cercato circuito bistabile e ho trovato il circuito postato sopra, che era l unico a riportare i valori e i codici dei componenti, e l ho preso per buono. la confusione sul relè è stata una mia leggerezza
Ho visto su internet che esistono diversi tipi di relè... a me ne servirebbe uno a singolo polo singolo contatto se ho capito bene quanto mi avete detto fin qui. il capo del relè costituirebbe un capo della lampadina, e l'altro capo dovrei collegarlo a terra giusto?
Non voglio improvvisarmi elettronico, ma mi rendo conto di non potervi chiedere una lezione via messaggi ( anche se mi piacerebbe tanto ). Questo elemento elettronico è solo una piccola parte di un progetto più grande, e non pensavo di trovare tanta difficoltà.
Vi ringrazio ancora per la disponibilità e la pazienza =)
Quello che mi servirebbe è schiacciare un tasto per accendere una lampadina e rischiacciandolo spegnerla. Ho cercato circuito bistabile e ho trovato il circuito postato sopra, che era l unico a riportare i valori e i codici dei componenti, e l ho preso per buono. la confusione sul relè è stata una mia leggerezza
Ho visto su internet che esistono diversi tipi di relè... a me ne servirebbe uno a singolo polo singolo contatto se ho capito bene quanto mi avete detto fin qui. il capo del relè costituirebbe un capo della lampadina, e l'altro capo dovrei collegarlo a terra giusto?
Non voglio improvvisarmi elettronico, ma mi rendo conto di non potervi chiedere una lezione via messaggi ( anche se mi piacerebbe tanto ). Questo elemento elettronico è solo una piccola parte di un progetto più grande, e non pensavo di trovare tanta difficoltà.
Vi ringrazio ancora per la disponibilità e la pazienza =)
-

Carlofiori91
5 2 - Messaggi: 16
- Iscritto il: 1 mar 2015, 10:48
0
voti
Ho notato che il circuito genera una variazione di tensione ai capi del relè. che se non sbaglio porta alla variazione di corrente che che serve all'induttore dentro al relè per funzionare giusto?
-

Carlofiori91
5 2 - Messaggi: 16
- Iscritto il: 1 mar 2015, 10:48
0
voti
Carlofiori91 ha scritto: Questo elemento elettronico è solo una piccola parte di un progetto più grande, e non pensavo di trovare tanta difficoltà.
Forse, conoscendo il progetto nel suo insieme, potrebbero venire in mente altre e diverse soluzioni per attuarlo.
marco
0
voti
Ma 'sta lampadina a dove va collegata ed a quale tensione deve essere alimentata ? Cerca di spiegarti meglio se vuoi essere aiutato.
Se va alimentata a 12 V non ti va bene il circuito del messaggio # 2 ?
Se va alimentata a 12 V non ti va bene il circuito del messaggio # 2 ?
0
voti
"Non farei mai parte di un club che accettasse la mia iscrizione" (G. Marx)
-

claudiocedrone
21,3k 4 7 9 - Master EY

- Messaggi: 15302
- Iscritto il: 18 gen 2012, 13:36
12 messaggi
• Pagina 1 di 2 • 1, 2
Chi c’è in linea
Visitano il forum: Nessuno e 104 ospiti

Elettrotecnica e non solo (admin)
Un gatto tra gli elettroni (IsidoroKZ)
Esperienza e simulazioni (g.schgor)
Moleskine di un idraulico (RenzoDF)
Il Blog di ElectroYou (webmaster)
Idee microcontrollate (TardoFreak)
PICcoli grandi PICMicro (Paolino)
Il blog elettrico di carloc (carloc)
DirtEYblooog (dirtydeeds)
Di tutto... un po' (jordan20)
AK47 (lillo)
Esperienze elettroniche (marco438)
Telecomunicazioni musicali (clavicordo)
Automazione ed Elettronica (gustavo)
Direttive per la sicurezza (ErnestoCappelletti)
EYnfo dall'Alaska (mir)
Apriamo il quadro! (attilio)
H7-25 (asdf)
Passione Elettrica (massimob)
Elettroni a spasso (guidob)
Bloguerra (guerra)


