Salve a tutti...ho un problemino con l'oscilloscopio TEKTRONIX 464...non so se sia normale, ma tra il potenziometro var del numero CH1 e var del CH2,c'è differenza di comportamento...allego video per far capire meglio il problema...https://www.youtube.com/watch?v=GM5PJz8izrc...
come potrei risolvere?
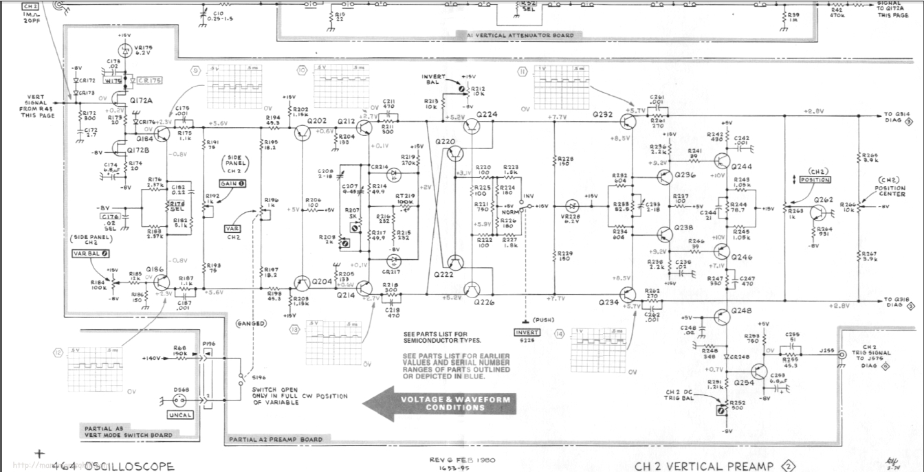
allego anche scheda del pream verticale ch2...il potenziometro interessato è siglato " R196 da 1k (var)"
EDIT Il potenziometro funziona...ho misurato il valore...è uguale a quello del ch1
Riparazione Pomello var Tektronix
Moderatori:
carloc,
g.schgor,
BrunoValente,
IsidoroKZ
29 messaggi
• Pagina 1 di 3 • 1, 2, 3
0
voti
Ultima modifica di
carlomusumeci il 15 apr 2015, 22:00, modificato 2 volte in totale.
-

carlomusumeci
353 5 7 - Sostenitore

- Messaggi: 526
- Iscritto il: 8 apr 2011, 0:35
0
voti
Teoricamente non si dovrebbe neanche muovere la traccia!
Forse è da tarare R184 ma aspettiamo una voce più autorevole della mia.
Forse è da tarare R184 ma aspettiamo una voce più autorevole della mia.
Ultima modifica di
abusivo il 15 apr 2015, 21:58, modificato 1 volta in totale.
Se quello che funziona basta non lo tocca' sennò te lassa!
0
voti
quindi quale si comporta in maniera sbagliata? il CH1 o CH2
CH1: si muove ampiamente ruotando il pomello var
CH2: si muove di pochissimo ruotando il pomello var
CH1: si muove ampiamente ruotando il pomello var
CH2: si muove di pochissimo ruotando il pomello var
-

carlomusumeci
353 5 7 - Sostenitore

- Messaggi: 526
- Iscritto il: 8 apr 2011, 0:35
0
voti
Le tracce non si devono muovere affatto, ci sono dei trimmer di taratura chiamati var BAL.
Nel caso del canale due è R184.
Nel caso del canale due è R184.
Se quello che funziona basta non lo tocca' sennò te lassa!
0
voti
Ma scusami,se non si devono muovere affatto,a cosa serve il pomello var? non è appunto per calibrare questo pomello?
-

carlomusumeci
353 5 7 - Sostenitore

- Messaggi: 526
- Iscritto il: 8 apr 2011, 0:35
0
voti
Tutti e due, uno in una maniera più marcata, ma tu non toccare niente!
Aspetta una voce più autorevole della mia.
Comunque lo schema postato è quello del canale che funziona meglio!
Aspetta una voce più autorevole della mia.
Comunque lo schema postato è quello del canale che funziona meglio!
Se quello che funziona basta non lo tocca' sennò te lassa!
0
voti
Qui confronto anche con il pomello var della base dei tempi... http://www.youtube.com/watch?v=KXTtd1rSBkc&sns=em
-

carlomusumeci
353 5 7 - Sostenitore

- Messaggi: 526
- Iscritto il: 8 apr 2011, 0:35
29 messaggi
• Pagina 1 di 3 • 1, 2, 3
Chi c’è in linea
Visitano il forum: Nessuno e 86 ospiti

Elettrotecnica e non solo (admin)
Un gatto tra gli elettroni (IsidoroKZ)
Esperienza e simulazioni (g.schgor)
Moleskine di un idraulico (RenzoDF)
Il Blog di ElectroYou (webmaster)
Idee microcontrollate (TardoFreak)
PICcoli grandi PICMicro (Paolino)
Il blog elettrico di carloc (carloc)
DirtEYblooog (dirtydeeds)
Di tutto... un po' (jordan20)
AK47 (lillo)
Esperienze elettroniche (marco438)
Telecomunicazioni musicali (clavicordo)
Automazione ed Elettronica (gustavo)
Direttive per la sicurezza (ErnestoCappelletti)
EYnfo dall'Alaska (mir)
Apriamo il quadro! (attilio)
H7-25 (asdf)
Passione Elettrica (massimob)
Elettroni a spasso (guidob)
Bloguerra (guerra)
