Salve vorrei utilizzare un 2n2222 come switch per accendere e spegnere un modulo wifi l'esp8266 pilotando
il transistor con un pin digitale di arduino
al momento ho collegato l'emettitore a gnd la base al pin di arduino con una resistenza di 250 ohm e all'emettitore ho collegato la massa del modulo wifi appositamente alimentato a 3.3V
solo che noto che a volte (attivando e settando a 1 il pin digitale) il modulo ha difficoltà ad accendersi bene probabilmente il valore della resistenza non è esatto, mentre se collego il pin del modulo wifi di gnd direttamente a massa si accende e risponde ai comandi
Avete qualche suggerimento su come scegliere il valore della resistenza? Grazie
( il modulo consuma circa 70ma e va a 3.3V)
dal pin di arduino escono 5V anche se in futuro sto considerando di spostarlo su breadboard e alimentarlo a 3.3v
Spero di aver esposto correttamente il problema
Grazie!
2n2222 come switch
Moderatori:
carloc,
g.schgor,
BrunoValente,
IsidoroKZ
7 messaggi
• Pagina 1 di 1
0
voti
Ciao, che ne dici di buttare giù uno schemino così è più facile per gli altri aiutarti?
http://www.electroyou.it/darwinne/wiki/fidocadj
Se hai problemi scrivi pure.
http://www.electroyou.it/darwinne/wiki/fidocadj
Se hai problemi scrivi pure.

Più so e più mi accorgo di non sapere.
Qualsiasi cosa abbia scritto, tieni presente che sono ancora al mio primo rocchetto di stagno.
Qualsiasi cosa abbia scritto, tieni presente che sono ancora al mio primo rocchetto di stagno.
0
voti
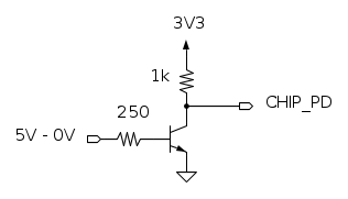
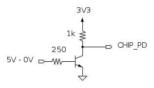
Se metti il pin CHIP_PD a stato logico basso spegni il modulo.
Non c'è bisogno di commutare l'alimentazione.
Prova cosi:
Non c'è bisogno di commutare l'alimentazione.
Prova cosi:
0
voti
CIao Simo ho appena provato a mettere chip_pd a gnd ma il led è ancora acceso
se può servire ti dico che il modulo wifi è un esp07
0
voti
Ciao Simo allora hai ragione riguardo al ch_pd! ho misurato i consumi con il tester quando ch_pd è abilitato allora consuma 70 ma circa, quando lo metto a massa (anche se il led rimane acceso) i consumi si abbassano praticamente a zero!! Ottimo! Grazie :)
per pilotare ch_pd immagino che posso farlo direttamente dal pin di arduino senza utilizzare un transistor no?
per pilotare ch_pd immagino che posso farlo direttamente dal pin di arduino senza utilizzare un transistor no?
0
voti
katt ha scritto:per pilotare ch_pd immagino che posso farlo direttamente dal pin di arduino senza utilizzare un transistor no?
Non ho letto il datasheet del modulo che usi tu, ma ad intuito se l'integrato del modulo è alimentato a 3.3 V direi che piantargli 5 V sull'entrata di Enable non gli fanno molto bene. Secondo me fai secco il modulo.
Usa il transistore.
Ciao,
Simo
7 messaggi
• Pagina 1 di 1
Chi c’è in linea
Visitano il forum: Nessuno e 46 ospiti

Elettrotecnica e non solo (admin)
Un gatto tra gli elettroni (IsidoroKZ)
Esperienza e simulazioni (g.schgor)
Moleskine di un idraulico (RenzoDF)
Il Blog di ElectroYou (webmaster)
Idee microcontrollate (TardoFreak)
PICcoli grandi PICMicro (Paolino)
Il blog elettrico di carloc (carloc)
DirtEYblooog (dirtydeeds)
Di tutto... un po' (jordan20)
AK47 (lillo)
Esperienze elettroniche (marco438)
Telecomunicazioni musicali (clavicordo)
Automazione ed Elettronica (gustavo)
Direttive per la sicurezza (ErnestoCappelletti)
EYnfo dall'Alaska (mir)
Apriamo il quadro! (attilio)
H7-25 (asdf)
Passione Elettrica (massimob)
Elettroni a spasso (guidob)
Bloguerra (guerra)



