volevo un vostro consiglio riguardo un alimentatore per harddisk esterno.
Di punto in bianco smise di funzionare e dopo svariate prove di continuità mi sono messo a provarlo sottotensione.
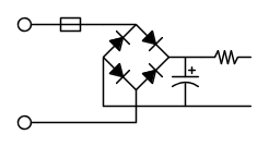
La Vin arriva ad un fusibile che a sua volta va ad un ponte diodi. Fino a qui tutto bene, 220-230V AC.
Dopo il ponte diodi c'è un condensatore in parallelo da 47uF 400V (ho fatto mooolta attenzione) e, proseguendo una resistenza da 220k. Il circuito poi prosegue ma non mi sono messo a testarlo per il motivo che ora vi spiego.
In parole povere dopo il ponte diodi ho iniziato a testare la tensione hai capi della resistenza e.... l'alimentatore si è "acceso" (è indicato dall'accensione di un led verde)
Allora stacco l'alimentatore lo riattacco... nulla. Posiziono il multimetro per misurare la tensione hai capi della resistenza e l'alimentatore riprende a funzionare... ho provato per 3/4 volte sempre con lo stesso risultato.
Inoltre, levando poi il multimetro, l'alimentatore continuava a funzionare senza problemi...
come è possibile? Che sia da sostituire la resistenza?
Grazie mille a tutti.

EDIT: Per completezza inserico le foto dell'alimentatore in questione.
MODEL: 36W-5-12I
INPUT: 100-240VAC, 50/60Hz,0.5A
OUTPUT: 12VDC 2A, 5VDC 2A

Elettrotecnica e non solo (admin)
Un gatto tra gli elettroni (IsidoroKZ)
Esperienza e simulazioni (g.schgor)
Moleskine di un idraulico (RenzoDF)
Il Blog di ElectroYou (webmaster)
Idee microcontrollate (TardoFreak)
PICcoli grandi PICMicro (Paolino)
Il blog elettrico di carloc (carloc)
DirtEYblooog (dirtydeeds)
Di tutto... un po' (jordan20)
AK47 (lillo)
Esperienze elettroniche (marco438)
Telecomunicazioni musicali (clavicordo)
Automazione ed Elettronica (gustavo)
Direttive per la sicurezza (ErnestoCappelletti)
EYnfo dall'Alaska (mir)
Apriamo il quadro! (attilio)
H7-25 (asdf)
Passione Elettrica (massimob)
Elettroni a spasso (guidob)
Bloguerra (guerra)




