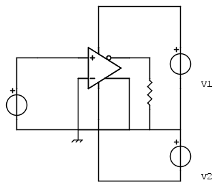
Sto studiando sul Sedra Smith gli amplificatori che richiedono una alimentazione duale .
Non ho capito perché la potenza fornita dai due alimentatori è pari a P = V1I1 + V2I2
E' il mio primo disegno con FidoCadJ , potrei aver fatto errori
Metto anchè il circuito nel Sedra
Potenza Amplificatore
Moderatori:
carloc,
g.schgor,
BrunoValente,
IsidoroKZ
9 messaggi
• Pagina 1 di 1
0
voti
E' la stessa che ho scritto io . Sul libro dice che è la potenza fornita all'amplificatore . Che dovrebbe essere una cosa differente dalla potenza assorbita dall'amplificatore ( considerato come un doppio bipolo)
-

themagiciant95
27 1 1 7 - Frequentatore

- Messaggi: 167
- Iscritto il: 5 ott 2015, 15:57
0
voti
è la potenza fornita all'amplificatore . Che dovrebbe essere una cosa differente dalla potenza assorbita dall'amplificatore
scusa ma perché secondo te dovrebbe essere differente?
Verba volant, scripta manent
-

ibra
1.282 3 4 6 - CRU - Account cancellato su Richiesta utente
- Messaggi: 2100
- Iscritto il: 15 lug 2015, 0:45
0
voti
Nel contesto di sopra l'amplificatore appare come un n-polo a 6 terminali
-

themagiciant95
27 1 1 7 - Frequentatore

- Messaggi: 167
- Iscritto il: 5 ott 2015, 15:57
1
voti
themagiciant95 ha scritto:E' il mio primo disegno con FidoCadJ , potrei aver fatto errori
Non devi allegarlo come figura, ma incollare il codice tra i tag
- Codice: Seleziona tutto
[fcd]
[/fcd]
Da FidoCadJ fai Ctrl+A e Ctrl+C per copiare il codice.
themagiciant95 ha scritto:Non ho capito perché la potenza fornita dai due alimentatori è pari a P = V1I1 + V2I2
Tenendo conto della polarità dei generatori di tensione e del segno delle correnti, la potenza entrante nell'amplificatore dalle alimentazioni è

Questa è quindi anche la potenza erogata dai generatori.
It's a sin to write
instead of
(Anonimo).
...'cos you know that
ain't
, right?
You won't get a sexy tan if you write
in lieu of
.
Take a log for a fireplace, but don't take
for
arithm.
instead of
(Anonimo)....'cos you know that
ain't
, right?You won't get a sexy tan if you write
in lieu of
.Take a log for a fireplace, but don't take
for
arithm.-

DirtyDeeds
55,9k 7 11 13 - G.Master EY

- Messaggi: 7012
- Iscritto il: 13 apr 2010, 16:13
- Località: Somewhere in nowhere
0
voti
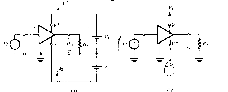
Prima l libro presenta l'ampli come un doppio bipolo , fino a li tutto chiaro
Nel libro di elettrotecnica è spiegato come funziona la potenza in questo caso .
Poi il Sedra , presenta la versione con i due alimentatori e da li non ho capito
Nel libro di elettrotecnica è spiegato come funziona la potenza in questo caso .
Poi il Sedra , presenta la versione con i due alimentatori e da li non ho capito
-

themagiciant95
27 1 1 7 - Frequentatore

- Messaggi: 167
- Iscritto il: 5 ott 2015, 15:57
4
voti
Un amplificatore con le alimentazioni non è veramente un doppio bipolo, ma un multipolo.
Considera un generico multipolo con
terminali, qui sotto rappresentato come una scatoletta:
I potenziali sono misurati rispetto a un generico nodo O e le correnti sono considerate positive se entranti nei terminali. Le uniche assunzioni che si fanno sulle correnti è che la loro somma sia nulla (legge di Kirchhoff delle correnti) e che non dipendano dalla scelta del nodo O. No si assume quindi che i terminali siano accoppiati come in un multiporta (p.es. un doppio bipolo). Si dimostra allora che la potenza entrante vale

Applica la formula sopra al caso dell'amplificatore, considerando solo i terminali di alimentazione e tenendo conto dei segni delle correnti.
Considera un generico multipolo con
terminali, qui sotto rappresentato come una scatoletta:I potenziali sono misurati rispetto a un generico nodo O e le correnti sono considerate positive se entranti nei terminali. Le uniche assunzioni che si fanno sulle correnti è che la loro somma sia nulla (legge di Kirchhoff delle correnti) e che non dipendano dalla scelta del nodo O. No si assume quindi che i terminali siano accoppiati come in un multiporta (p.es. un doppio bipolo). Si dimostra allora che la potenza entrante vale

Applica la formula sopra al caso dell'amplificatore, considerando solo i terminali di alimentazione e tenendo conto dei segni delle correnti.
It's a sin to write
instead of
(Anonimo).
...'cos you know that
ain't
, right?
You won't get a sexy tan if you write
in lieu of
.
Take a log for a fireplace, but don't take
for
arithm.
instead of
(Anonimo)....'cos you know that
ain't
, right?You won't get a sexy tan if you write
in lieu of
.Take a log for a fireplace, but don't take
for
arithm.-

DirtyDeeds
55,9k 7 11 13 - G.Master EY

- Messaggi: 7012
- Iscritto il: 13 apr 2010, 16:13
- Località: Somewhere in nowhere
9 messaggi
• Pagina 1 di 1
Chi c’è in linea
Visitano il forum: Nessuno e 49 ospiti

Elettrotecnica e non solo (admin)
Un gatto tra gli elettroni (IsidoroKZ)
Esperienza e simulazioni (g.schgor)
Moleskine di un idraulico (RenzoDF)
Il Blog di ElectroYou (webmaster)
Idee microcontrollate (TardoFreak)
PICcoli grandi PICMicro (Paolino)
Il blog elettrico di carloc (carloc)
DirtEYblooog (dirtydeeds)
Di tutto... un po' (jordan20)
AK47 (lillo)
Esperienze elettroniche (marco438)
Telecomunicazioni musicali (clavicordo)
Automazione ed Elettronica (gustavo)
Direttive per la sicurezza (ErnestoCappelletti)
EYnfo dall'Alaska (mir)
Apriamo il quadro! (attilio)
H7-25 (asdf)
Passione Elettrica (massimob)
Elettroni a spasso (guidob)
Bloguerra (guerra)
