da
SerTom » 5 dic 2015, 9:38
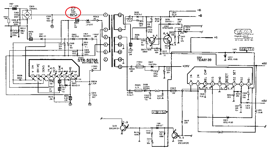
Quella scheda, che comprende molto altro oltre alla sezione di alimentazione riportata nello schema, è stata progettata per uno scopo ben preciso. Nel caso di una TV, perché una parte dei circuiti (quelli che ricevono il segnale IR del telecomando) siano sempre attivi mentre altre parti si accendono solo quando l'apparecchio è attivo.
Riuscire ad ottenere qualcosa di utile (leggi: funzionante, pratico, non pericoloso ...) da una scheda progettata per altro: in genere è piuttosto difficile !
Giusto per la tua sicurezza, nella parte alta a sinistra della scheda c'è il trasformatore EHT ... di li escono diverse decine di migliaia di volt....

occhio a dove metti le dita.
Bye

Ser.Tom
P.S: con Internet e la globalizzazione ormai con pochi Euro puoi acquistare un VERO alimentatore con la potenza e le caratteristiche che desideri.