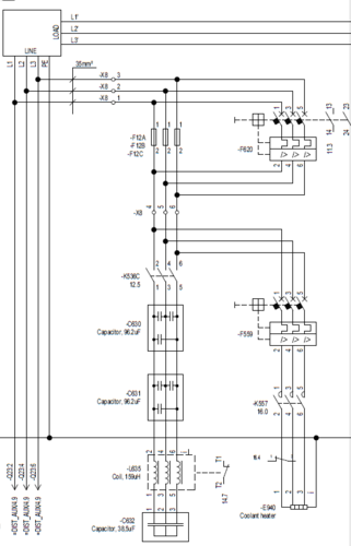
Salve a tutti, vorrei condividere con voi la strana (almeno per me) disposizione dei fusibili posti in parallelo al magnetotermico, di cui ignoro la funzionalità.
I fusibili sono del tipo a coltello da 100A ritardati, per l'interruttore F620 non ho dati al momento.
Circuito strano
Moderatori:
sebago,
MASSIMO-G,
lillo,
Mike
14 messaggi
• Pagina 1 di 2 • 1, 2
0
voti
Se l'interruttore ha In notevolmente procuratore più piccola dei fusibili (es 10A) è un escamotage per rilevare l'intervento del fusibile. Senza utilizzare i fusibili a percussore
Altrove. .Volutamente Anonimo
0
voti
Strano circuito. Il riscaldamento anche a valle della protezione condensatori. Perde di senso pratico.
Probabilmente è sbagliato lo schema. O quello che si voleva rappresentare non è riuscito.
Per prima cosa non metterei mai due protezioni in parallelo, ancora di tipo diverso. Nessuno sa fire come si ripartisce la corrente.
Probabilmente è sbagliato lo schema. O quello che si voleva rappresentare non è riuscito.
Per prima cosa non metterei mai due protezioni in parallelo, ancora di tipo diverso. Nessuno sa fire come si ripartisce la corrente.
-

Candy
32,5k 7 10 13 - CRU - Account cancellato su Richiesta utente
- Messaggi: 10123
- Iscritto il: 14 giu 2010, 22:54
0
voti
Chiarisco alcuni punti:
non si tratta di un errore di stampa, l'impianto è reale
come detto in precedenza In del mt mi è sconosciuta al momento, dato che trattandosi di un aerogeneratore non ho facile accesso ad esso
seguendo lo schema, i condensatori e l'induttanza tramite il contattore -K536C vengono connessi in parallelo su uno dei due secondari BT del trafo (400Vac)
se di rifasamento si tratta è indipendente dalla termoresistenza -E940 dato che la stessa è un carico puramente resistivo e la cosa non avrebbe senso.
secondo me data la presenza dell'induttanza -L635 mi fa pensare più ad un filtro di rete o qualcosa del genere
Per NSE
in effetti a questa conclusione ero giunto anche io, di fatti con l'intervento del magnetotermico, tramite i contatti ausiliari, si ha il blocco della macchina (aerogeneratore).Conclusione che poi ho scartato dato che è possibile montare appositi contatti aux direttamente sui fusibili ed evitare l'istallazione di altri apparati. In effetti penso sia l'unica spiegazione, anche se non mi spiego il fatto del perché non utilizzare direttamente un magnetotermico invece dei fusibili che senza dubbio offrono un potere di interruzione (300KA/600Vac) più elevato dei mt. Ma a questo punto penso che la migliore caratteristica dei fusibili venga comunque annullata utilizzando l'attuale soluzione impiantistica, dato che l'eventuale bruciatura di un fusibile farebbe passare tutta la corrente di cc tramite il mt.
In conclusione sarebbe stato più logico installare i soli fusibili con abbinati dei contatti aux, in questo modo avremmo avuto il vantaggio del maggiore potere di interruzione e la segnalazione dell'avvenuto intervento in un colpo solo.
non si tratta di un errore di stampa, l'impianto è reale
come detto in precedenza In del mt mi è sconosciuta al momento, dato che trattandosi di un aerogeneratore non ho facile accesso ad esso
seguendo lo schema, i condensatori e l'induttanza tramite il contattore -K536C vengono connessi in parallelo su uno dei due secondari BT del trafo (400Vac)
se di rifasamento si tratta è indipendente dalla termoresistenza -E940 dato che la stessa è un carico puramente resistivo e la cosa non avrebbe senso.
secondo me data la presenza dell'induttanza -L635 mi fa pensare più ad un filtro di rete o qualcosa del genere
Per NSE
in effetti a questa conclusione ero giunto anche io, di fatti con l'intervento del magnetotermico, tramite i contatti ausiliari, si ha il blocco della macchina (aerogeneratore).Conclusione che poi ho scartato dato che è possibile montare appositi contatti aux direttamente sui fusibili ed evitare l'istallazione di altri apparati. In effetti penso sia l'unica spiegazione, anche se non mi spiego il fatto del perché non utilizzare direttamente un magnetotermico invece dei fusibili che senza dubbio offrono un potere di interruzione (300KA/600Vac) più elevato dei mt. Ma a questo punto penso che la migliore caratteristica dei fusibili venga comunque annullata utilizzando l'attuale soluzione impiantistica, dato che l'eventuale bruciatura di un fusibile farebbe passare tutta la corrente di cc tramite il mt.
In conclusione sarebbe stato più logico installare i soli fusibili con abbinati dei contatti aux, in questo modo avremmo avuto il vantaggio del maggiore potere di interruzione e la segnalazione dell'avvenuto intervento in un colpo solo.
Ultima modifica di
frankulizer il 13 dic 2015, 23:42, modificato 4 volte in totale.
-

frankulizer
0 2 - Messaggi: 8
- Iscritto il: 20 dic 2012, 20:39
1
voti
E' una cosa arrampicata ma a quanto pare è così. Essendo un fusibile ritardato, prima apre il magnetotermico ma non si rompe perché appena fa l'arco la corrente preferisce la via del fusibile, poi il fusibile apre ma nel frattempo i contatti del magnetotermico si sono distanziati abbastanza.. mi sembra fantascienza ma se è così mi arrendo.
0
voti
Insisto.
E' una inserzione utilizzata per rilevare la bruciatura di un fusibile senza utilizzare i fusibili a percussore.
E' utilizzata; a me non piace, ma si presume che chi la utilizza abbia valutato tutti i pro e i contro.
In caso di brucitura di un fusibile la corrente di quel polo li si riversa sul corrispettivo polo dell'IMT e questo interviene.
Può piacere o non piacere può avere dei pro e dei contro, a me personalmente non piace: ma così è.
E' ovvio che in caso di alte correnti di cc il gioco potrebbe non valere la candela (si dovrebbe utilizzare un interruttore di Icc coordinata, non credo esistano tabelle di coordinamento parallelo).
Chi lo utilizza lo potrebbe fare per un discorso di costi, o di gestione dei pezzi di magazzino o per difficoltà di reperimento dei fusibili con percussore o dei portafusibili relativi, può preferire la protezione con fusbili per i condensatori ma non vuole utilizzare i fusibili a percussore, non si fida della funzionalità dei fusibili a percussore ecc ecc.
MAgari è solo un fatto "storico", l'azienda è abituata a fare così, ha un tot di macchine cablate così ha un tot di maestranze che conoscono quello schema li e punto.
E' una inserzione utilizzata per rilevare la bruciatura di un fusibile senza utilizzare i fusibili a percussore.
E' utilizzata; a me non piace, ma si presume che chi la utilizza abbia valutato tutti i pro e i contro.
In caso di brucitura di un fusibile la corrente di quel polo li si riversa sul corrispettivo polo dell'IMT e questo interviene.
Può piacere o non piacere può avere dei pro e dei contro, a me personalmente non piace: ma così è.
E' ovvio che in caso di alte correnti di cc il gioco potrebbe non valere la candela (si dovrebbe utilizzare un interruttore di Icc coordinata, non credo esistano tabelle di coordinamento parallelo).
Chi lo utilizza lo potrebbe fare per un discorso di costi, o di gestione dei pezzi di magazzino o per difficoltà di reperimento dei fusibili con percussore o dei portafusibili relativi, può preferire la protezione con fusbili per i condensatori ma non vuole utilizzare i fusibili a percussore, non si fida della funzionalità dei fusibili a percussore ecc ecc.
MAgari è solo un fatto "storico", l'azienda è abituata a fare così, ha un tot di macchine cablate così ha un tot di maestranze che conoscono quello schema li e punto.
Altrove. .Volutamente Anonimo
1
voti
E' una inserzione utilizzata per rilevare la bruciatura di un fusibile senza utilizzare i fusibili a percussore.
Magari!
L'inserzione è appositamente utilizzata per far prendere la scossa ai manutentori distratti. (specialmente io)
L'oggetto del contendere è un particolare tipo di interruttore automatico utilizzato appositamente per il "controllo fusibili".
Se volete qualche notizia di più vi linko un controllo fusibili della Siemens (l'unico che conosco): qui
0
voti
Allora ritengo che questo particolare apparecchio debba possedere una resistenza ohmica o una reattanza, anche piccola ma maggiore di quella del fusibile, altrimenti interverrebbe prima del fusibile ritardato o comunque altererebbe la soglia di intervento.
0
voti
[10] Re: Circuito strano
Si infatti il mt è propio il siemens 3RV1611-0BD10, quindi possiamo concludere che questo tipo di componente è specifico per la sorveglianza e il controllo dei fusibili.magoxax ha scritto:L'oggetto del contendere è un particolare tipo di interruttore automatico utilizzato appositamente per il "controllo fusibili".
Se volete qualche notizia di più vi linko un controllo fusibili della Siemens (l'unico che conosco): qui
Ringrazio tutti per l'aiuto e la collaborazione.
Ultima modifica di
Ospite il 3 gen 2016, 11:09, modificato 1 volta in totale.
Motivazione: evitare citazioni inutili !
Motivazione: evitare citazioni inutili !
-

frankulizer
0 2 - Messaggi: 8
- Iscritto il: 20 dic 2012, 20:39
14 messaggi
• Pagina 1 di 2 • 1, 2
Torna a Impianti, sicurezza e quadristica
Chi c’è in linea
Visitano il forum: Nessuno e 79 ospiti

Elettrotecnica e non solo (admin)
Un gatto tra gli elettroni (IsidoroKZ)
Esperienza e simulazioni (g.schgor)
Moleskine di un idraulico (RenzoDF)
Il Blog di ElectroYou (webmaster)
Idee microcontrollate (TardoFreak)
PICcoli grandi PICMicro (Paolino)
Il blog elettrico di carloc (carloc)
DirtEYblooog (dirtydeeds)
Di tutto... un po' (jordan20)
AK47 (lillo)
Esperienze elettroniche (marco438)
Telecomunicazioni musicali (clavicordo)
Automazione ed Elettronica (gustavo)
Direttive per la sicurezza (ErnestoCappelletti)
EYnfo dall'Alaska (mir)
Apriamo il quadro! (attilio)
H7-25 (asdf)
Passione Elettrica (massimob)
Elettroni a spasso (guidob)
Bloguerra (guerra)





